Каталог запасных частей к технике: Гомсельмаш КЗР-10. Жатка зерновая ЖЗ-6 (КЗР0300000)
1
2
3
4
5
6
7
8
8
9
10
11
12
13
14
15
16
17
18
19
20
21
22
23
24
25
25
26
26
26
26
27
28
29
30
31
32
33
34
35
36
37
38
39
39
40
41
41
42
43
43
44
45
45
46
47
48
49
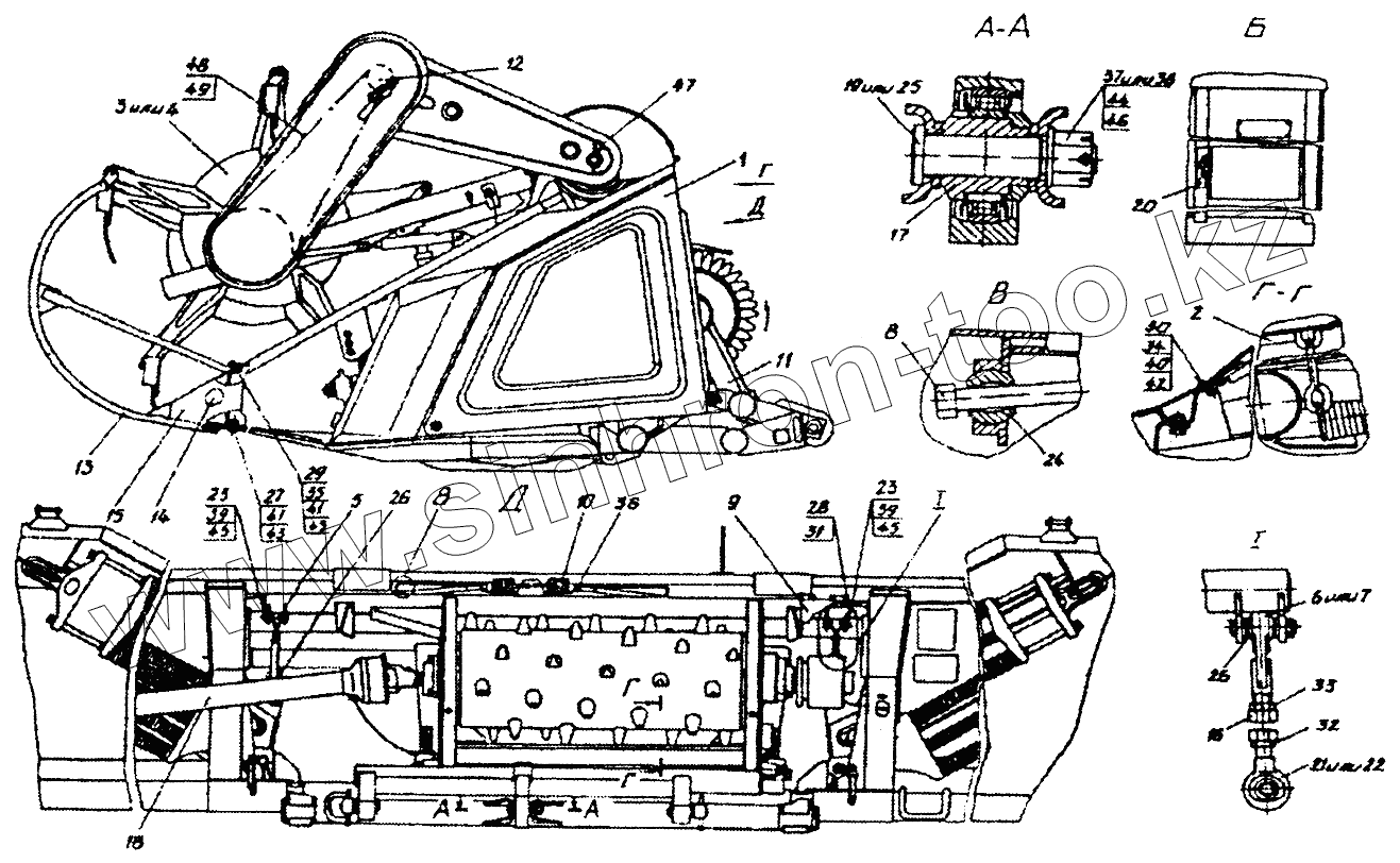
| Позиция на иллюстрации | Заводской номер детали | Название детали | |
|---|---|---|---|
| КЗР0322000 | КЗР0322000 | Подвеска | |
| КЗР0321000 | КЗР0321000 | Подвеска | |
| 1 | КЗР0301000 | Жатка | |
| 2 | КЗР0302000 | Щиток переходной | |
| 3 | КЗР0303000А | Мотовило | |
| 4 | КЗР0303500 | Мотовило | |
| 5 | КЗР0321010 | Подвеска | |
| 6 | КЗР0322010 | Серьга | |
| 7 | КЗР0322020 | Серьга | |
| 8 | КЗР0327000 | Болт | |
| 9 | КЗР0332000 | Щиток | |
| 10 | КЗР0338000 | Пружина | |
| 11 | КЗР0350000 | Проставка | |
| 12 | 3518050-10140 | Привод мотовила | |
| 13 | 3518050-10550А | Делитель | |
| 14 | 3518050-12150 | Носок | |
| 15 | 3518050-12160 | Носок | |
| 16 | 3518050-13570 | Гайка стяжная | |
| 17 | 3518050-16750А | Шарнир центральный | |
| 18 | 10.040.3000-120 | Вал карданный | |
| 19 | КЗР0300603 | Ось | |
| 20 | КЗР0300801 | Рычаг | |
| 21 | КЗР0322601 | Серьга | |
| 22 | КЗР0322602 | Серьга | |
| 23 | 3518050-16087А | Ось | |
| 24 | 3518050-16362 | Кольцо сферическое | |
| 25 | 3518050-16483 | Ось | |
| 26 | 55К-60098А | Кольцо сферическое | |
| 26 | 55К-60098А | Кольцо сферическое | |
| 27 | [Болт М10-6gх30-7796] | Болт М10-6gх30-7796 | |
| 28 | [Болт М14-6gх50-7796] | Болт М14-6gх50-7796 | |
| 29 | [Болт М10-6gх30-7802] | Болт М10-6gх30-7802 | |
| 30 | [Винт ВМ8-6gх25-17473] | Винт ВМ8-6gх25-17473 | |
| 31 | [Гайка М14-6g-2526] | Гайка М14-6g-2526 | |
| 32 | [Гайка М24-6g-2526] | Гайка М24-6g-2526 | |
| 33 | [Гайка М24LH-6g-2526] | Гайка М24LH-6g-2526 | |
| 34 | [Гайка М8-63-5915] | Гайка М8-63-5915 | |
| 35 | [Гайка М10-6g-5915] | Гайка М10-6g-5915 | |
| 36 | [Гайка М16-6g-5915] | Гайка М16-6g-5915 | |
| 37 | [Гайка М24-6g-5918] | Гайка М24-6g-5918 | |
| 38 | [Гайка М24х2-6g-5918] | Гайка М24х2-6g-5918 | |
| 39 | [Гайка М20Х1,5-6g-5919] | Гайка М20Х1,5-6g-5919 | |
| 40 | [Шайба 8.65Г-6402] | Шайба 8.65Г-6402 | |
| 41 | [Шайба 10.65Г-6402] | Шайба 10.65Г-6402 | |
| 42 | [Шайба С8.01-11371] | Шайба С8.01-11371 | |
| 43 | [Шайба С10.01-11371] | Шайба С10.01-11371 | |
| 44 | [Шайба С24.01-11371] | Шайба С24.01-11371 | |
| 45 | [Шплинт 4х40-397] | Шплинт 4х40-397 | |
| 46 | [Шплинт 5х45-397] | Шплинт 5х45-397 | |
| 47 | [Шплинт пружинный 5х90] | Шплинт пружинный 5х90 | |
| 48 | [Цепь шагом 19,05] | Цепь шагом 19,05 ANSI-Еinfach-Rollenketten (Simpleх) DIN8188/ISO60612F-1 (L=2152,65, z=113) | |
| 49 | [Звено соединительное цепи шагом 19,05] | Звено соединительное цепи шагом 19,05 Verbindungsglied mit Fedеr DIN8188/ISO60612А-1 Турe Е |
Содержащиеся в справочниках-каталогах запасные части и детали не предлагаются к продаже, а носят исключительно информационный характер