Вернуться на главную
Поиск
Каталоги запчастей к технике
Сельхозтехника
Гомсельмаш
КВК-8060
Установка рамы аппарата питающего
Каталог запасных частей к технике: Гомсельмаш КВК-8060. Установка рамы аппарата питающего
zoom-in
zoom-out
enlarge
shrink
circle-right
circle-left
file-text2
info
cart
Тип техники
Не выбрано
Легковые автомобили
Грузовые автомобили и прицепы
Автобусы
Сельхозтехника
Спецтехника
Двигатели
Мототехника
Марка
Не выбрано
AGCO
Amity
CASE IH
DongFeng
Fortschritt
Foton
Franz Kleine
Gaspardo
Great Plains
KRONE
KUHN
Lemken
Lovol
MacDon
Massey Ferguson
New Holland
TIGARBO
Vaderstad
Versatile
Wirax
Агро
Агротехмаш
Бобруйскагромаш (ОАО «УКХ «Бобруйскагромаш»)
БЭМЗ
ВгТЗ
Воронежсельмаш
ВТЗ
Гомсельмаш
ДКЗ
ЗАО "Техника-сервис"
ЗиД
КЗК
Кировец-Ландтехник
Клевер
Красная Звезда
Лидагропроммаш
Лидсельмаш
ЛТЗ
Машстройхолдинг
Минитракторы
Мордовагромаш
МТЗ
Навигатор-Новое машиностроение
Нефтекамский автозавод
ПТЗ
Ремком
РСМ
Сибсельмаш
ТеКЗ
ТКЗ
ХЗТСШ
ХТЗ
ЮМЗ
Модель
Не выбрано
FS80-2 (2017)
KЗС-812 (2016)
KЗС-812 (2017)
KЗС-812 (2018)
KЗС-812 (2021)
KЗС-812 (ПАЛЕССЕ GS812 PRO) (2022)
KЗС-812 (ПАЛЕССЕ GS812) (2021)
KС-100 (2020)
KС-100 (2021)
KС-100 (2022)
KС-150С (2022)
KС-200 (2017)
MS280F (2022)
ЖГР-4.5-1 (2011)
ЖГР-4.5-1 (2018)
ЖЗК-5-1 (2021)
ЖЗК-5-2 (2021)
ЖЗК-6-5 (2008)
ЖЗК-6-5 (2020)
ЖЗК-7-5 (2008)
ЖЗК-7-5 (2011)
ЖЗК-7-7 (2020)
ЖЗК-9 (2020)
ЖЗС-6, 7 (2010)
ЖЗС-9-1 (2018)
ЖЗС-9-2 (2018)
ЖЗС-9-2 (2020)
ЖЗС-9-2 (2021)
ЖР-5 (2021)
КВК-1-0900000 (2018)
КВК-1-0900000 (2021)
КВК-6025 (2015)
КВК-800 (FS80) (2017)
КВК-800 (FS80-2) (2010)
КВК-800 (FS80-2) (2014)
КВК-800 (FS80-5) (2013)
КВК-800 (FS80-5) (2016)
КВК-800 (FS80-7) (2017)
КВК-800 ПАЛЕССЕ FS80-2 (2019)
КВК-800-8 ПАЛЕССЕ FS80-8 (2018)
КВК-800-8 ПАЛЕССЕ FS80-8 (2021)
КВК-8060 (2012)
КВК-8060 (2017)
КВК-8060 (2021)
КВК-8060 (2021)
КВС-1-3900000 (2007)
КВС-4-3900000 (2010)
КГС-0200000 (2010)
КГС-0800000 (2010)
КГС-0900000 (2010)
КДП-3000 Палессе FT40 (2008)
КЗР-10 (2007)
КЗС-10К (ПОЛЕСЬЕ) (2005)
КЗС-10К Палессе GS10 (2012)
КЗС-10К Палессе GS10 (2013)
КЗС-10К Палессе GS10 (2018)
КЗС-10К Палессе GS10 (2021)
КЗС-1218 (ПАЛЕССЕ GS12) дополнение 1 (2020)
КЗС-1218 (ПАЛЕССЕ GS12) дополнение 2 (2020)
КЗС-1218 часть 1 (2013)
КЗС-1218 часть 2 (2013)
КЗС-1218А-1 (2015)
КЗС-1218А-1 (2018)
КЗС-1218А-1 (2019)
КЗС-1218А-1 (ПАЛЕССЕ GS12 А1) Дополнение (2020)
КЗС-1420 часть 1 (2014)
КЗС-1420 часть 2 (2014)
КЗС-1624-1 (2014)
КЗС-1624-1 (2017)
КЗС-2124КР (2018)
КЗС-3221КР ПАЛЕССЕ GH800 (2021)
КЗС-4118К ПАЛЕССЕ GS 4118 (2019)
КЗС-575 (2016)
КЗС-7 (2010)
КЗС-812 (2013)
КЗС-812С (2011)
КЗС-812С (2014)
КОК-6 (2011)
КОК-6-3, КОК-6-3-01, КОК-6-3-02 (2020)
КОК-8-2 (2012)
КОК-8-4 (2018)
КПК Полесье-3000
КПК Полесье-3000 (2006)
КПК-3000 (ПАЛЕССЕ FH40) (2010)
КПК-3000А (Палессе FH40A) (2010)
КПР-6 (2005)
КПР-9 Полесье-СН-90 (2006)
КСК-100А (2002)
КСК-100А-3 (2005)
КСК-600 (2007)
КСК-600 (2011)
КСК-600 (2015)
КСК-600 (2017)
КСК-600А (2020)
КСН-6 (2005)
ПЗ (2019)
ПКК-0200000А-06 (2010)
ПКК-0350000 (2010)
ПКК-0400000А (2010)
ПКК-0460000 (2010)
ПКК-1-0350000А (2010)
ПР (2019)
ПР-9 (2021)
Приспособление ПР-4 (2013)
СТВ-12 (2005)
УЭС Полесье-250 (2006)
УЭС-2-250А (2010)
УЭС-2-280А (2010)
УЭС-2-280А (2018)
УЭС-2-280А ПАЛЕССЕ 2U280А (2020)
УЭС-280 (2017)
УЭС-280 ПАЛЕССЕ U280 (2020)
Схема
>
Не выбрано
Измельчитель самоходный КВК 0100000
Измельчитель самоходный КВК 0100000 (вид справа)
Измельчитель самоходный КВК 0100000 (вид слева)
Измельчитель самоходный КВК 0100000-01 (вид спереди)
Электрооборудование КВК 0100000 (лист 1)
Электрооборудование КВК 0100000 (лист 2)
Электрооборудование КВК 0100000 (лист 3)
Электрооборудование КВК 0100000 (лист 4)
Электрооборудование КВК 0100000 (лист 5)
Установка аккумуляторов КВК 0100020
Механизм вывешивания КВК 0105000
Гидроцилиндры навески КВК 0602500Б и КВК 0602500Б-01
Аппарат питающе-измельчающий КВК 0110000 (лист 1)
Аппарат питающе-измельчающий КВК 0110000 (лист 2)
Установка привода КВК 0110250
Привод КВК 0110250
Аппарат питающий КВК 0111000 (лист 1)
Аппарат питающий КВК 0111000 (лист 2)
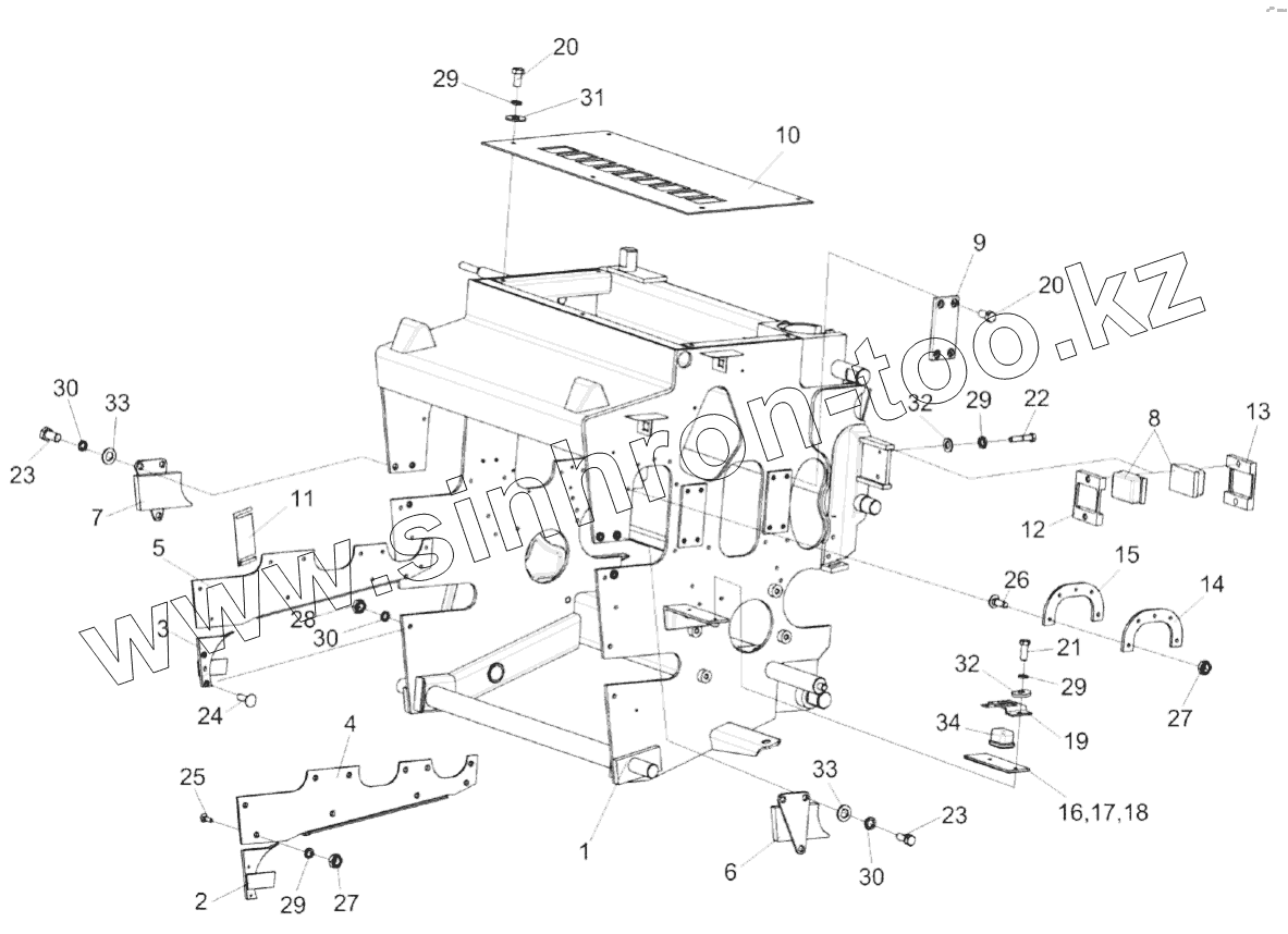
Установка рамы аппарата питающего
Установка вальцев верхних
Редуктор верхних вальцев КВК 0112100 (лист 1)
Редуктор верхних вальцев КВК 0112100 (лист 2)
Установка вальцев нижних
Валец детекторный КВК 0111070
Редуктор КВК 0114100 (лист 1)
Редуктор КВК 0114100 (лист 2)
Редуктор КВК 0114100 (лист 3)
Пружины аппарата питающего
Установка карданного вала
Гидроцилиндр перемещения питающего аппарата КВК 0602520
Аппарат измельчающий КВК 0115000
Установка поддона КВК 0115230
Установка барабана КВК 0115020
Барабан КВК 0115020
Установка рычагов КВК 0115170 и КВК 0115170-01
Рычаги КВК 0115170 и КВК 0115170-01
Устройство заточное КВК 0116000
Каретка КВК 0116010
Привод каретки КВК 0116010
Установка упора КВК 0116060
Электромеханизм крышки заточного устройства КВК 0701610
Тяга КВК 0110050
Установка датчика положения КВК 0111800
Привод измельчающего барабана КВК 0130000
Рычаг КВК 0130270
Редуктор КВК 0104100А
Устройство доизмельчающее КВК 0149000
Привод доизмельчающего устройства КВК 0131000
Рычаг КВК 0131010
Устройство доизмельчающее КВК 0149010 (лист 1)
Устройство доизмельчающее КВК 0149010 (лист 2)
Рычаг КВК 0149150
Валец передний КВК 0149200
Валец задний КВК 0149210
Механизм перемещения КВК 0149170
Установка ускорителя выброса, камеры приемной и основания силосопровода КВК 0140000
Камера приемная КВК 0141100
Ускоритель выброса КВК 0142000
Поддон КВК 0142150
Вал ускорителя выброса КВК 0142400
Вал ускорителя выброса КВК 0142410
Основание силосопровода и механизм поворота КВК 0143000
Механизм поворота силосопровода КВК 0143150
Проставка КВК 0141600
Силосопровод КВК 0144000 (лист 1)
Силосопровод КВК 0144000 (лист 2)
Установка двигателя OM 502LA КВК 0150000
Установка двигателя OM 502LA КВК 0150000 (установка блока радиаторов)
Установка двигателя OM 502LA КВК 0150000 (установка главного привода, воздухоочистителя, бачка расширительного и глушителя)
Установка двигателя OM 502LA КВК 0150000 (установка ременных приводов)
Установка двигателя OM 502LA КВК 0150000 (установка двигателя на опорах)
Механизм натяжения КВК 0150120
Компрессор КВК 0150240
Крепление труб КВК 0150300
Главный привод КВК 0151000
Мультипликатор КВК 0137100 (лист 1)
Мультипликатор КВК 0137100 (лист 2)
Мультипликатор КВК 0137100 (лист 3)
Муфта КВК 0151010
Механизм нажимной КВК 0151040
Шкив КВК 0151100
Установка блока радиаторов КВК 0152000
Установка радиатора КВК 0152010
Воздухозаборник КВК-2-0155000 (лист 1)
Воздухозаборник КВК-2-0155000 (лист 2)
Редуктор КВС-2-0135000А-01
Стакан КВС-2-0135020А-01
Установка воздухоочистителя КВК 0153000
Воздухозаборник вращающийся КВК 0153100
Установка бачка расширительного КВК 0154000
Установка уплотнений КВК 0156000
Установка глушителя КВК 0157000Б
Установка топливной системы КВК 0103000 (лист 1)
Установка топливной системы КВК 0103000 (лист 2)
Шасси КВК 0101000
Мост управляемых колес КВК 0109700 (лист 1)
Мост управляемых колес КВК 0109700 (лист 2)
Мост управляемых колес КВК 0109700 (лист 3)
Мост ведущих колес КВК 0106000 (лист 1)
Мост ведущих колес КВК 0106000 (лист 2)
Редуктор бортовой КВК 0106020 (изображено)
Редуктор бортовой КВК 0106020-01 (зеркальное отражение)
Водило УЭС-16-0107230
Коробка передач КВК 0106030 (лист 1)
Коробка передач КВК 0106030 (лист 2)
Блок дифференциала КВК 0106040
Блок дифференциала КВК 0106200
Гидроцилиндр УЭС-16-5131010
Гидромотор КВК 0601210А
Колеса КВК 0108500 и КВК 0108500-01
Колеса КВК 0108600 и КВК 0108600-01
Колеса КВК 0108700 (изображено) и КВК 0108700-01 (зеркальное отражение)
Кабина КВК 0120000 (лист 1)
Кабина КВК 0120000 (лист 2)
Кабина КВК 0120000 (лист 3)
Электрооборудование кабины КВК 0120000 (вид слева)
Электрооборудование кабины КВК 0120000 (вид сверху)
Каркас КВК 0120010
Дверь КВК 0120320
Дверь КВК 0120360
Сиденье КВК 0120430
Крышка КВК 0120440
Крышка КВК 0120460
Облицовка КВК 0120470
Установка испарителя КВК 0120530
Облицовка КВК 0120540-01
Моторедукторы стеклоочистителей КВК 0700750 и КВК 0700750-01
Установка стеклоомывателей КВК 0120410. Установка трубопроводов стеклоомывателя КВК 0120650
Установка стеклоочистителя КЗК-12-0120810 или КЗК-12-0120810-01
Установка климатическая КВК 0121000
Площадка управления КВК 0129000А (лист 1)
Площадка управления КВК 0129000А (лист 2)
Сиденье КВК 0129040А
Пульт управления КВК 0129050А
Электрооборудование пульта управления КВК 0129050А
Привод КВК 0129310В
Рулевая колонка КВК 0129230
Электрооборудование рулевой колонки КВК 0129230
Привод КВК 0129240
Привод управления КВК 0129250
Кардан 50-3401060
Установка колеса рулевого УЭС 0302560
Установка колеса рулевого КЗК-12-0122300
Насос-дозатор КВК 0602130
Установка трубопроводов КВК 0129700
Установка капотов КВК 0160000 (лист 1)
Установка капотов КВК 0160000 (лист 2)
Капоты КВК 0160060А и КВК 0160060А-01
Капоты КВК 0160080А и КВК 0160080А-01
Установка крыльев КВК 0161010
Капот КВК 0163000А-01
Крыша КВК 0162000
Установка настилов и ограждений КВК 0169000
Блок ящиков КВК 0172000
Установка трапа и ограждений КВК 0175000 (лист 1)
Установка трапа и ограждений КВК 0175000 (лист 2)
Гидросистема привода ходовой части КВК 0601000Б (вид сбоку)
Гидросистема привода ходовой части КВК 0601000Б (вид сверху)
Гидросистема привода ходовой части КВК 0601000Б (вид сзади)
Бак масляный КВК 0601010В
Фильтр КВК 0602470
Фильтр КВК 0602480
Гидроблок управления переключением передач КВК 0601330А
Гидроблок доворота вала мотора ГСТ КВК 0601460
Установка гидроблока подключения управляемого моста КВК 0601710
Гидроблок подключения управляемого моста КВК 0601500
Клапан дренажный КВК 0601520
Насос КВК 0601100
Гидросистема рулевого управления и силовых гидроцилиндров КВК 0602000В (лист 1)
Гидросистема рулевого управления и силовых гидроцилиндров КВК 0602000В (лист 2)
Гидросистема рулевого управления и силовых гидроцилиндров КВК 0602000В (лист 3)
Гидросистема рулевого управления и силовых гидроцилиндров КВК 0602000В (лист 4)
Гидроблок навески КВК 0602300Б
Гидроблок пятисекционный КВК 0602310В
Клапан блока пневмогидроаккумуляторов КВК 0602330Б
Дроссель регулируемый КВК 0602340А
Блок пневмогидроаккумуляторов КВК 0602350Б
Кран КВК 0602370А
Кран КВК 0602380
Клапан предохранительный КВК 0602400А
Пневмогидроаккумулятор КВК 0602410
Полумуфты КВК 0602660 и КВК 0602660-01
Гидронасос рулевого управления КВК 0602200Б
Гидроцилиндр подъема силосопровода КВК 0602510А
Гидросистема привода питающего аппарата и адаптеров КВК 0604000Б (лист 1)
Гидросистема привода питающего аппарата и адаптеров КВК 0604000Б (лист 2)
Гидросистема привода питающего аппарата и адаптеров КВК 0604000Б (лист 3)
Гидросистема привода питающего аппарата и адаптеров КВК 0604000Б (лист 4)
Гидроблок адаптеров КВК 0604300Б
Фильтр напорный КВК-6-0604330
Панель диагностики КВК 0604410Б
Штекер КВК 0604530
Муфта КВК 0604540
Штекер КВК 0604550
Муфта КВК 0604560
Муфта КВК 0604570
Штекер КВК 0604580
Гидронасос привода адаптеров КВК 0604110
Гидронасос привода питающего аппарата КВК 0604120
Гидромотор привода адаптеров КВК 0604250
Гидромотор привода питающего аппарата КВК 0604260А
Гидросистема привода стояночного тормоза КВК 0606000Б (лист 1)
Гидросистема привода стояночного тормоза КВК 0606000Б (лист 2)
Клапан электроуправляемый КВК 0606340Б
Клапан электроуправляемый КВК 0606350А
Клапан электроуправляемый КВК 0606360А
Блок пневмогидроаккумуляторов КВК 0606370А
Клапан зарядки пневмогидроаккумулятора КВК 0606380А
Установка централизованной смазки КВК 0100600
Пневмосистема КВК 0800000 (лист 1)
Пневмосистема КВК 0800000 (лист 2)
Ресиверы КВК 0800030 и КВК 0800050
Пневмовывод КВК 0800110
Головка соединительная КВК 0800120
Регулятор давления с осушителем КВК 0800160
Клапан электромагнитный КВК 0800190
Клапан электромагнитный КВК 0800200
Кран КВК 0800280
Ресивер регенерации УЭС-16-0800070
Пневмосистема подкачки шин КВК 0801000 (лист 1)
Пневмосистема подкачки шин КВК 0801000 (лист 2)
Соединение ротационное КВК 0801040
Клапан электромагнитный КВК 0801050
Клапан обратный КВК 0801080
Клапаны давления КВК 0801090 и КВК 0801100
Установка ОВК КВК 0100300
1
2
3
4
5
6
7
8
9
10
11
12
13
14
15
16
17
18
19
20
20
21
22
23
23
24
25
26
27
27
28
29
29
29
29
30
30
30
31
32
32
33
33
34
Позиция на иллюстрации
Заводской номер детали
Название детали
КВК0111000
КВК0111000
Аппарат питающий
1
КВК0111010
Рама
2
КВК0111240
Зашивка
3
КВК0111240-01
Зашивка
4
КВК0111510
Пластина
5
КВК0111510-01
Пластина
6
КВК0111550
Зашивка
7
КВК0111550-01
Зашивка
8
КВК0111003
Демпфер
9
КВК0111012
Накладка
10
КВК0111407
Крыша
11
КВК0111424
Прокладка
12
КВК0111472
Кронштейн
13
КВК0111472-01
Кронштейн
14
КВК0111474
Накладка
15
КВК0111474-01
Накладка
16
КВС-1-0111488
Прокладка
17
КВС-1-0111488-01
Прокладка
18
КВС-1-0111488-02
Прокладка
19
КВС-1-0111489-01
Обойма
20
БолтМ8-6eх16-7796
Болт М8-6eх16-7796
21
БолтМ8-6eх20-7796
Болт М8-6eх20-7796
22
БолтМ8-6eх50-7796
Болт М8-6eх50-7796
23
БолтМ10-6eх20-7796
Болт М10-6eх20-7796
24
БолтМ10-6eх30-7796
Болт М10-6eх30-7796
25
ВинтB2.М8-6eх25-17475
Винт B2.М8-6eх25-17475
26
ВинтB2.М8-6eх30-17475
Винт B2.М8-6eх30-17475
27
ГайкаМ8-6G-5915
Гайка М8-6G-5915
28
ГайкаМ10-6G-5915
Гайка М10-6G-5915
29
Шайба8Т.65Г-6402
Шайба 8Т.65Г-6402
30
Шайба10Т.65Г-6402
Шайба 10Т.65Г-6402
31
ШайбаC8.01-6958
Шайба C 8.01-6958
32
ШайбаC.8.01-11371
Шайба C.8.01-11371
33
ШайбаC.10.01-11371
Шайба C.10.01-11371
34
887-2902420
Буфер передней рессоры
Содержащиеся в справочниках-каталогах запасные части и детали не предлагаются к продаже, а носят исключительно информационный характер
Дополнительная информация
×
Название:
Номер:
Примечание: