Вернуться на главную
Поиск
Каталоги запчастей к технике
Сельхозтехника
Гомсельмаш
КВК-6025
Установка устройства доизмельчающего КСК-6025-0157000
Каталог запасных частей к технике: Гомсельмаш КВК-6025. Установка устройства доизмельчающего КСК-6025-0157000
zoom-in
zoom-out
enlarge
shrink
circle-right
circle-left
file-text2
info
cart
Тип техники
Не выбрано
Легковые автомобили
Грузовые автомобили и прицепы
Автобусы
Сельхозтехника
Спецтехника
Двигатели
Мототехника
Марка
Не выбрано
AGCO
Amity
CASE IH
DongFeng
Fortschritt
Foton
Franz Kleine
Gaspardo
Great Plains
KRONE
KUHN
Lemken
Lovol
MacDon
Massey Ferguson
New Holland
TIGARBO
Vaderstad
Versatile
Wirax
Агро
Агротехмаш
Бобруйскагромаш (ОАО «УКХ «Бобруйскагромаш»)
БЭМЗ
ВгТЗ
Воронежсельмаш
ВТЗ
Гомсельмаш
ДКЗ
ЗАО "Техника-сервис"
ЗиД
КЗК
Кировец-Ландтехник
Клевер
Красная Звезда
Лидагропроммаш
Лидсельмаш
ЛТЗ
Машстройхолдинг
Минитракторы
Мордовагромаш
МТЗ
Навигатор-Новое машиностроение
Нефтекамский автозавод
ПТЗ
Ремком
РСМ
Сибсельмаш
ТеКЗ
ТКЗ
ХЗТСШ
ХТЗ
ЮМЗ
Модель
Не выбрано
FS80-2 (2017)
KЗС-812 (2016)
KЗС-812 (2017)
KЗС-812 (2018)
KЗС-812 (2021)
KЗС-812 (ПАЛЕССЕ GS812 PRO) (2022)
KЗС-812 (ПАЛЕССЕ GS812) (2021)
KС-100 (2020)
KС-100 (2021)
KС-100 (2022)
KС-150С (2022)
KС-200 (2017)
MS280F (2022)
ЖГР-4.5-1 (2011)
ЖГР-4.5-1 (2018)
ЖЗК-5-1 (2021)
ЖЗК-5-2 (2021)
ЖЗК-6-5 (2008)
ЖЗК-6-5 (2020)
ЖЗК-7-5 (2008)
ЖЗК-7-5 (2011)
ЖЗК-7-7 (2020)
ЖЗК-9 (2020)
ЖЗС-6, 7 (2010)
ЖЗС-9-1 (2018)
ЖЗС-9-2 (2018)
ЖЗС-9-2 (2020)
ЖЗС-9-2 (2021)
ЖР-5 (2021)
КВК-1-0900000 (2018)
КВК-1-0900000 (2021)
КВК-6025 (2015)
КВК-800 (FS80) (2017)
КВК-800 (FS80-2) (2010)
КВК-800 (FS80-2) (2014)
КВК-800 (FS80-5) (2013)
КВК-800 (FS80-5) (2016)
КВК-800 (FS80-7) (2017)
КВК-800 ПАЛЕССЕ FS80-2 (2019)
КВК-800-8 ПАЛЕССЕ FS80-8 (2018)
КВК-800-8 ПАЛЕССЕ FS80-8 (2021)
КВК-8060 (2012)
КВК-8060 (2017)
КВК-8060 (2021)
КВК-8060 (2021)
КВС-1-3900000 (2007)
КВС-4-3900000 (2010)
КГС-0200000 (2010)
КГС-0800000 (2010)
КГС-0900000 (2010)
КДП-3000 Палессе FT40 (2008)
КЗР-10 (2007)
КЗС-10К (ПОЛЕСЬЕ) (2005)
КЗС-10К Палессе GS10 (2012)
КЗС-10К Палессе GS10 (2013)
КЗС-10К Палессе GS10 (2018)
КЗС-10К Палессе GS10 (2021)
КЗС-1218 (ПАЛЕССЕ GS12) дополнение 1 (2020)
КЗС-1218 (ПАЛЕССЕ GS12) дополнение 2 (2020)
КЗС-1218 часть 1 (2013)
КЗС-1218 часть 2 (2013)
КЗС-1218А-1 (2015)
КЗС-1218А-1 (2018)
КЗС-1218А-1 (2019)
КЗС-1218А-1 (ПАЛЕССЕ GS12 А1) Дополнение (2020)
КЗС-1420 часть 1 (2014)
КЗС-1420 часть 2 (2014)
КЗС-1624-1 (2014)
КЗС-1624-1 (2017)
КЗС-2124КР (2018)
КЗС-3221КР ПАЛЕССЕ GH800 (2021)
КЗС-4118К ПАЛЕССЕ GS 4118 (2019)
КЗС-575 (2016)
КЗС-7 (2010)
КЗС-812 (2013)
КЗС-812С (2011)
КЗС-812С (2014)
КОК-6 (2011)
КОК-6-3, КОК-6-3-01, КОК-6-3-02 (2020)
КОК-8-2 (2012)
КОК-8-4 (2018)
КПК Полесье-3000
КПК Полесье-3000 (2006)
КПК-3000 (ПАЛЕССЕ FH40) (2010)
КПК-3000А (Палессе FH40A) (2010)
КПР-6 (2005)
КПР-9 Полесье-СН-90 (2006)
КСК-100А (2002)
КСК-100А-3 (2005)
КСК-600 (2007)
КСК-600 (2011)
КСК-600 (2015)
КСК-600 (2017)
КСК-600А (2020)
КСН-6 (2005)
ПЗ (2019)
ПКК-0200000А-06 (2010)
ПКК-0350000 (2010)
ПКК-0400000А (2010)
ПКК-0460000 (2010)
ПКК-1-0350000А (2010)
ПР (2019)
ПР-9 (2021)
Приспособление ПР-4 (2013)
СТВ-12 (2005)
УЭС Полесье-250 (2006)
УЭС-2-250А (2010)
УЭС-2-280А (2010)
УЭС-2-280А (2018)
УЭС-2-280А ПАЛЕССЕ 2U280А (2020)
УЭС-280 (2017)
УЭС-280 ПАЛЕССЕ U280 (2020)
Схема
>
Не выбрано
Измельчитель самоходный КСК-6025-0100000 (вид слева)
Измельчитель самоходный КСК-6025-0100000 (вид справа)
Установка механизма вывешивания КСК-6025-0162000
Гидроцилиндры навески КСК-6025-0602490 и КСК-6025-0602490-01
Установка аппарата питающе-измельчающего КСК-6025-0150000
Аппарат питающе-измельчающий КСК-6025-0150010
Аппарат питающий КСК-6025-0151000
Установка вальцев верхних
Пружина КСК-6025-0151420
Пружина КВС-1-0111020
Редуктор КСК-6025-0112000
Редуктор КСК-6025-0112000
Установка вальцев нижних
Валец гладкий КСК-6025-0151500
Валец нижний передний КСК-6025-0151190
Датчик металлодетектора КСК-6025-0701010
Ванна магнитная КСК-6025-0701020
Редуктор КСК-6025-0114100
Редуктор КСК-6025-0114100
Установка рамы КСК-6025-0151010
Установка вала карданного 75491-2119010-01
Датчик камнедетектора КСК-6025-0151410
Аппарат измельчающий КСК-6025-0153000
Установка рычагов КСК-6025-0153200, КСК-6025-0153200-01
Рычаг КСК-6025-0153200, КСК-6025-0153200-01
Установка поддона КСК-6025-0153300
Установка барабана КСК-6025-0153700
Барабан КСК-6025-0153700
Установка привода КСК-6025-0153220
Привод КСК-6025-0153220
Устройство заточное КСК-6025-0155000
Каретка КВК 0116010
Привод каретки КВК 0116010
Установка упора КВК 0116060
Электромеханизм крышки заточного устройства КВК 0701610
Гидромотор привода питающего аппарата КСК-6025-0604230
Муфта КГС 0100120
Установка камеры приемной, проставки и ускорителя выброса КСК-6025-0152000
Камера приемная КСК-6025-0152010
Проставка КСК-6025-0152600
Ускоритель выброса КСК-6025-01526000
Поддон КСК-6025-0156150
Вал ускорителя выброса КСК-6025-0156200
Вал ускорителя выброса КСК-6025-0156210
Вал ускорителя выброса КСК-6025-0156220
Установка основания силосопровода КСК-6025-0158000
Основание силосопровода КСК-6025-0158140
Основание силосопровода КСК-6025-0158140
Пружина КСК-6025-0158120
Люк КСК-6025-0158210
Гидромотор силосопровода КСК-6025-0602100
Установка силосопровода КСК-6025-0169000
Гидроцилиндр подъема силосопровода КВК 0602510А
Силосопровод КСК-6025-0169010
Силосопровод КСК-6025-0169010
Козырек средний КСК-6025-0169060
Козырек КСК-6025-0169080
Уплотнение КСК-6025-0169420
Гидроцилиндр козырька силосопровода КВК 0602530А
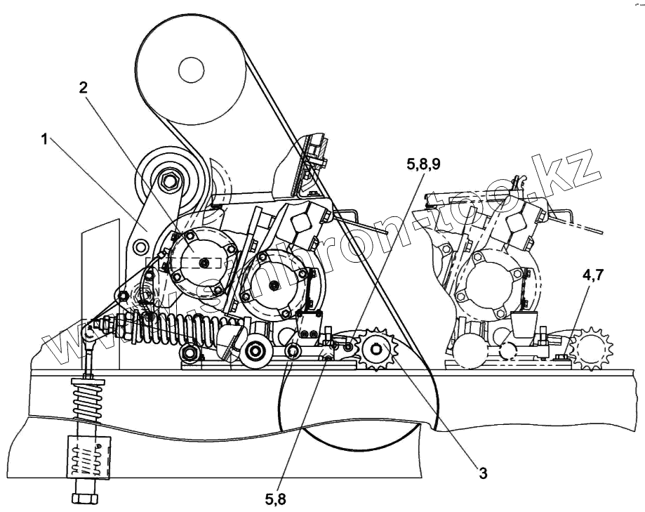
Установка устройства доизмельчающего КСК-6025-0157000
Передача ременная КСК-6025-0132000
Рычаг КСК-6025-0132010
Ролик КСК-6025-0132090
Устройство доизмельчающее КСК-6025-0157010
Устройство доизмельчающее КСК-6025-0157010
Валец передний КСК-6025-0157200
Валец передний КСК-6025-0157220
Крышка КВК 0149270
Корпусы КВС-1-0148620 и КВС-1-0148620-01
Валец задний КСК-6025-0157210
Валец задний КСК-6025-0157230
Корпусы КВК 0149280 и КВК 0149280-01
Крышка КСК-6025-0157300
Рычаг КВК 0149150
Механизм перемещения КСК-6025-0157170
Установка двигателя КСК-6025-0116000 (общий вид)
Установка двигателя КСК-6025-0116000
Установка двигателя КСК-6025-0116000
Установка двигателя КСК-6025-0116000
Установка двигателя КСК-6025-0116000
Двигатель КСК-6025-0116010
Двигатель КСК-6025-0116010
Маслопровод сливной КСК-6025-0116350
Амортизатор КЗК-10-0106160
Главный привод КСК-6025-0116030
Механизм нажимной КСК-6025-0116020
Установка глушителя КСК-6025-0116060
Установка бачка расширительного КСК-6025-0116070
Установка воздухоочистителя КСК-6025-0116080
Установка радиатора КСК-6025-0117000
Редуктор КСК-6025-0135000
Стакан КСК-6025-0135010
Опора КСК-6025-0133300
Установка электрооборудования двигателя КСК-6025-0726000
Установка гидронасоса двухсекционного КСК-6025-0100150
Привод КСК-6025-0100160
Гидронасос двухсекционный КСК-6025-0604100
Гидронасос трехсекционный КСК-6025-0601100
Передача ременная КСК-6025-0131000 (общий вид)
Передача ременная КСК-6025-0131000
Передача ременная КСК-6025-0131000
Рычаг КСК-6025-0131010
Шкив КСК-6025-0131030
Передача ременная КСК-6025-0133000
Рычаг КСК-6025-0133120
Пружина КЗС 0100650
Шасси КСК-6025-0101000
Шасси КСК-6025-0101000
Мост ведущих колес КСК-6025-0107000
Дифференциал КСК-6025-0107070
Коробка передач КГС 0107020
Коробка передач КГС 0107020
Редуктор бортовой КЗК 0107070
Редуктор бортовой КЗК 0107070-01
Мост управляемых колес КСК-6025-0109000
Мост управляемых колес КСК-6025-0109000
Тяга КСК-6025-0109060
Гидроцилиндр КСК-6025-0109070
Гидромотор КСК-6025-0601230
Устройство прицепное КИС 0122000А
Колеса КСК-6025-0111000, КСК-6025-0111000-01, КПС-4-0110000, КПС-4-0110000-01
Установка кабины КСК-6025-0120000
Кабина КСК-6025-0120010
Кабина КСК-6025-0120010
Кабина КСК-6025-0120010
Облицовка стенки КСК-6025-0120050
Облицовка стойки КСК-6025-0120060
Крышка КСК-6025-0120080
Дверь КСК-6025-0120160
Крышка КВК 0120440
Крышка КВК 0120510
Облицовка КВК 0120540
Клапан КВК 0120610
Крыша КВК 0120620
Установка стеклоочистителей КЗК-12-0120810 и КЗК-12-0120810-01
Установка электрооборудования кабины КСК-6025-0722000
Установка сиденья КСК-6025-0120200
Сиденье КВК 0120430
Установка климатическая КСК-6025-0121000
Установка оборудования кондиционера КСК-6025-0121010
Установка компрессора КСК-6025-0121030
Установка конденсатора КСК-6025-0121050
Установка кронштейна КСК-6025-0121060
Установка ресивера КЗК-8-3-0113050
Установка испарителя КСК-6025-0121020
Установка крана отопителя КЗК-8-3-0113070
Установка блока испарительно-отопительного КЗК-1420-0113060
Установка элементов управления КСК-6025-0119100
Установка механизма переключения передач КСК-6025-0119060
Установка троссов гидростата КСК-6025-0119150
Установка площадки управления КСК-6025-0119200
Площадка управления КСК-6025-0119000
Площадка управления КСК-6025-0119000
Площадка управления КСК-6025-0119000
Сиденье КСК-6025-0119050
Блок управления КСК-6025-0119240
Установка электрооборудования пульта управления КСК-6025-0725000
Рычаг КЗК-12-0119920Б
Блок переключения КСК-6025-0119070
Колонка рулевая КСК-6025-0119230
Колонка рулевая КСК-6025-0119230
Насос-дозатор КСК-6025-0602130
Привод управления КЗС 0119600
Кардан 50-3401060
Опора КЗС 0119620
Установка колеса рулевого КЗК-12-0122300
Установка электрооборудования рулевой колонки КСК-6025-0723000
Кронштейн КСК-6025-0119480
Управление топливным насосом КСК-6025-0119600
Электромеханизм КГС 0170390А
Установка стояночного тормоза КСК-6025-0119610
Установка останова двигателя КСК-6025-0119620
Установка трубопроводов КСК-6025-0119630
Установка троса блокировки КСК-6025-0119660
Установка площадки входа КСК-6025-0134000
Установка бампера КСК-6025-0100100
Установка площадки обслуживания КСК-6025-0100400
Установка капотов КСК-6025-0128000
Установка капотов КСК-6025-0128000
Установка капотов КСК-6025-0128000
Дверь КСК-6025-0128140 и КСК-6025-0128140-01
Воздухозаборник КСК-6025-0128160
Капот КСК-6025-0128190 и КСК-6025-0128190-01
Замок КВС-1-0160240
Крыша КСК-6025-0128280
Установка уплотнений КСК-6025-0118000
Установка ограждения КСК-6025-0100300
Гидросистема КВК-6025 КСК-6025-0600000
Гидросистема привода ходовой части КСК-6025-0601000
Гидросистема привода ходовой части КСК-6025-0601000
Гидроблок включения главного привода КСК-6025-0601300
Пневмогидроаккумулятор КСК-6025-0601330
Гидросистема рабочих органов и рулевого управления КСК-6025-0602000
Гидросистема рабочих органов и рулевого управления КСК-6025-0602000
Гидросистема рабочих органов и рулевого управления КСК-6025-0602000
Гидроблок навески КСК-6025-0602300
Гидроблок четырехсекционный КСК-6025-0602310
Клапан электроуправляемый КСК-6025-0602320
Блок пневмогидроаккумуляторов КСК-6025-0602350
Дроссель с обратным клапаном регулируемый КСК-6025-0602420
Дроссель регулируемый КСК-6025-0602430
Фильтр сливной КСК-6025-0602460
Фильтр напорный КЗК-1420-0602340
Полумуфта внутренняя МС 12-3-020
Манометр УЭС-7-0602810
Гидропривод питающего аппарата и адаптеров КСК-6025-0604000
Гидропривод питающего аппарата и адаптеров КСК-6025-0604000
Гидропривод питающего аппарата и адаптеров КСК-6025-0604000
Гидроблок КСК-6025-0604340
Клапан электроуправляемый КСК-6025-0604370
Дроссель регулируемый КСК-6025-0604390
Фильтр всасывающий КСК-6025-0604420
Гидромотор привода адаптеров КГС 0115380
Кран КЗК-10-0602380
Бак масляный КСК-6025-0600010
Установка топливного оборудования КСК-6025-0123000
Клапан сливной КВС-1-0103180
Пневмосистема КСК-6025-0180000
Ресивер КСК-6025-0180050
Регулятор давления КСК-6025-0180190
Пневмовывод КВК 0800110
Установка электрооборудования измельчителя КСК-6025-0721000
Установка электрооборудования измельчителя КСК-6025-0721000
Установка электрооборудования измельчителя КСК-6025-0721000
Блок реле КСК-6025-0700890
Датчик оборотов КВК 0700770
Схема ременных передач самоходного измельчителя комбайна КВК-6025 (вид слева)
Схема ременных передач самоходного измельчителя комбайна КВК-6025 (вид справа)
1
2
3
4
5
5
7
8
8
9
Позиция на иллюстрации
Заводской номер детали
Название детали
КСК-6025-0157000
КСК-6025-0157000
Установка устройства доизмельчающего
1
КСК-6025-0132000
Передача ременная
2
КСК-6025-0157010
Устройство доизмельчающее
3
КСК-6025-0157170
Механизм перемещения
4
КЗР0202674А
Шайба
5
БолтМ10-6ex25-7796
Болт М10-6eх25-7796
7
БолтМ16x1,5-6ex40-7796
Болт М16Х1,5-6eх40-7796
8
Шайба10Т.65Г-6402
Шайба 10Т.65Г-6402
9
ШайбаC10.01-6958
Шайба C 10.01-6958
Содержащиеся в справочниках-каталогах запасные части и детали не предлагаются к продаже, а носят исключительно информационный характер
Дополнительная информация
×
Название:
Номер:
Примечание: