Каталог запасных частей к технике: Гомсельмаш КСН-6. Редуктор конический (КСН0121000)
1
2
3
3
4
5
6
6
6
6
7
7
7
7
8
8
8
8
9
9
9
9
10
10
11
12
12
13
13
14
14
15
15
16
16
17
17
18
18
19
19
19
19
20
21
21
22
22
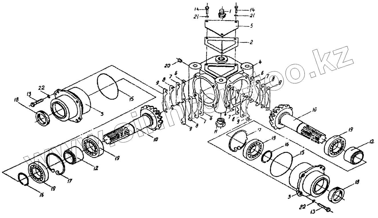
| Позиция на иллюстрации | Заводской номер детали | Название детали | |
|---|---|---|---|
| КСН0121010 | КСН0121010 | Стакан | |
| 1 | УЭС0108350 | Сапун | |
| 2 | КСН0121001 | Прокладка | |
| 3 | КСН0121102 | Стакан | |
| 4 | КСН0121103 | Корпус | |
| 5 | КСН0121401 | Крышка | |
| 6 | КСН0114501 | Прокладка | |
| 7 | КСН0114501-01 | Прокладка | |
| 8 | КСН0114501-02 | Прокладка | |
| 9 | КСН0114501-03 | Прокладка | |
| 10 | КСН0121601 | Вал-шестерня | |
| 11 | КИС0104623 | Пробка | |
| 12 | КСН0121801 | Втулка | |
| 13 | [Болт М10-6gх30-7796] | Болт М10-6gх30-7796 | |
| 14 | [Болт М6-6gх16-7798] | Болт М6-6gх16-7798 | |
| 15 | [Кольцо 094-100-36-2-2-9833/18829] | Кольцо 094-100-36-2-2-9833/18829 | |
| 16 | [Кольцо В35-13940] | Кольцо В35-13940 | |
| 17 | [Кольцо В80-13943] | Кольцо В80-13943 | |
| 18 | [Манжета 1.2-35х58-3-8752] | Манжета 1.2-35х58-3-8752 | |
| 19 | [Подшипник 307-8338] | Подшипник 307-8338 | |
| 20 | [Пробка 2-3МК12] | Пробка 2-3МК12 | |
| 21 | [Шайба 6.65Г-6402] | Шайба 6.65Г-6402 | |
| 22 | [Шайба 10.65Г-6402] | Шайба 10.65Г-6402 |
Содержащиеся в справочниках-каталогах запасные части и детали не предлагаются к продаже, а носят исключительно информационный характер