Каталог запасных частей к технике: Гомсельмаш КСН-6. Контрпривод валкоукладчика
1
2
3
4
5
6
6
7
7
8
9
10
11
12
13
14
14
15
16
16
17
18
19
20
21
22
23
24
25
25
25
26
26
26
27
28
28
28
28
28
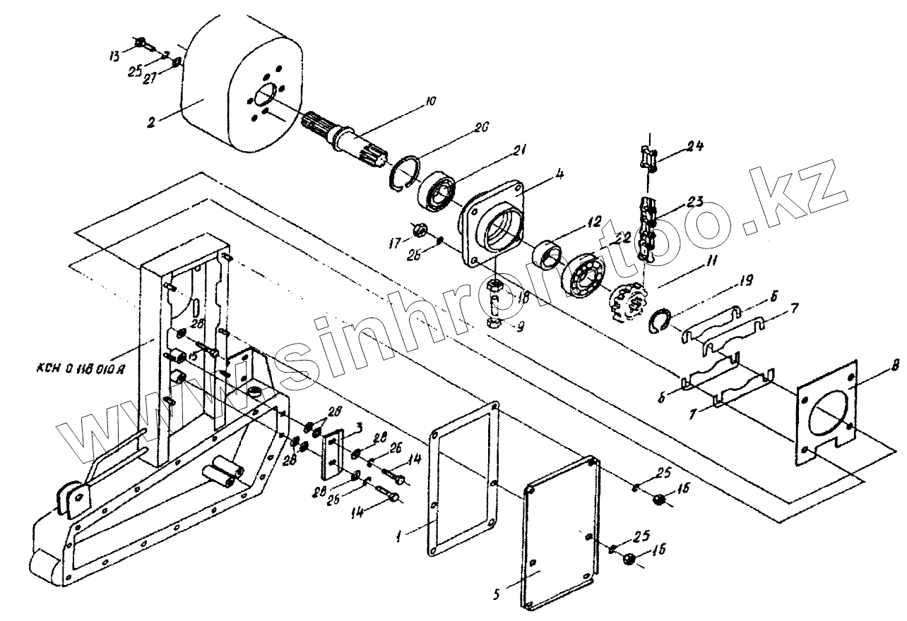
| Позиция на иллюстрации | Заводской номер детали | Название детали | |
|---|---|---|---|
| КСН0118250 | КСН0118250 | Контрпривод | |
| 1 | КСН0118001 | Прокладка | |
| 2 | КСН0118006 | Колпак | |
| 3 | КСН0118008 | Успокоитель | |
| 4 | КСН0118202 | Корпус | |
| 5 | КСН0118404 | Крышка | |
| 6 | КСН0118422А | Прокладка | |
| 7 | КСН0118422-01 | Прокладка | |
| 8 | КСН0118446 | Пластина | |
| 9 | КСН0118604 | Болт | |
| 10 | КСН0118636 | Вал | |
| 11 | КСН0118637 | Звездочка | |
| 12 | КСН0118825 | Втулка | |
| 13 | [Болт М8х6gх20-7796] | Болт М8х6gх20-7796 | |
| 14 | [Болт М10-6gх30-7796] | Болт М10-6gх30-7796 | |
| 15 | [Болт М10-6gх40-7796] | Болт М10-6gх40-7796 | |
| 16 | [Гайка М8-6g-5915] | Гайка М8-6g-5915 | |
| 17 | [Гайка М10-6g-5915] | Гайка М10-6g-5915 | |
| 18 | [Гайка М12-6g-5915] | Гайка М12-6g-5915 | |
| 19 | [Кольцо В38-13940] | Кольцо В38-13940 | |
| 20 | [Кольцо В80-13941] | Кольцо В80-13941 | |
| 21 | [Подшипник 180508-8882] | Подшипник 180508-8882 | |
| 22 | [Подшипник 180308-8882] | Подшипник 180308-8882 | |
| 23 | [Цепь ПРН 25,4-6500-2 (L=1397мм)] | Цепь ПРН 25,4-6500-2 (L=1397мм) | |
| 24 | [Звено С-ПРН-25,4-6500-2] | Звено С-ПРН-25,4-6500-2 | |
| 25 | [Шайба 8.65Г-6402] | Шайба 8.65Г-6402 | |
| 26 | [Шайба 10.65Г-6402] | Шайба 10.65Г-6402 | |
| 27 | [Шайба 8.01-11371] | Шайба 8.01-11371 | |
| 28 | [Шайба 10.01-11371] | Шайба 10.01-11371 |
Содержащиеся в справочниках-каталогах запасные части и детали не предлагаются к продаже, а носят исключительно информационный характер