Вернуться на главную
Поиск
Каталоги запчастей к технике
Сельхозтехника
Гомсельмаш
КСК-600
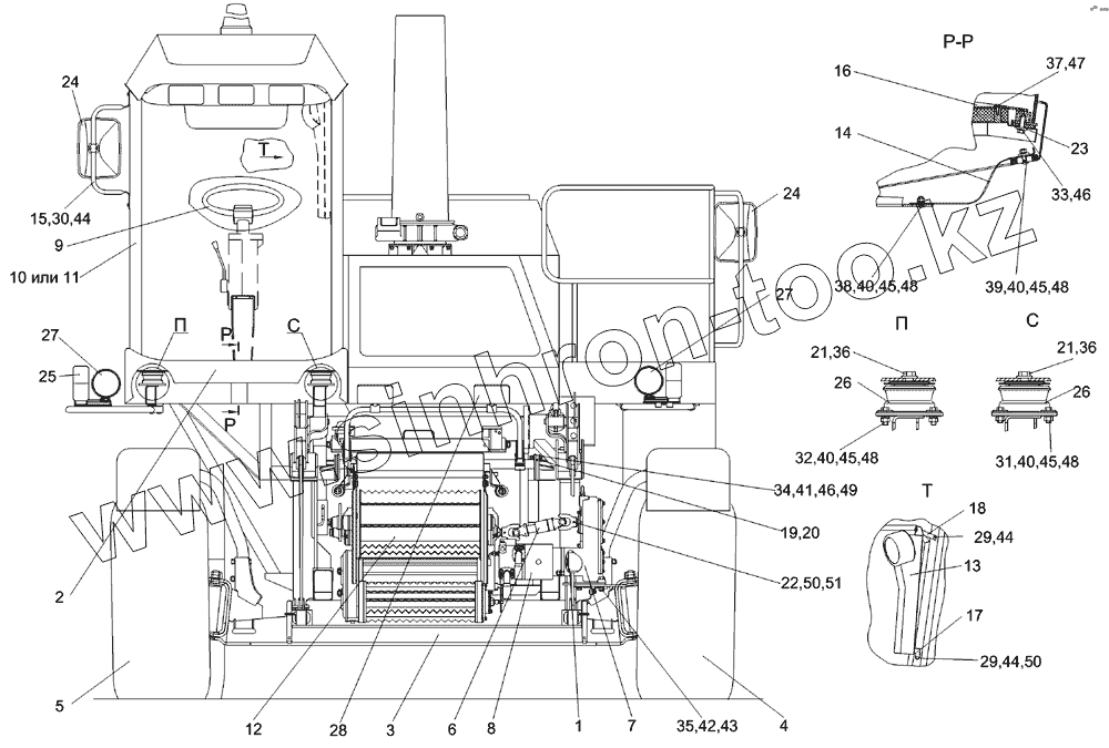
Измельчитель самоходный КГС 0100000 (вид спереди)
Каталог запасных частей к технике: Гомсельмаш КСК-600. Измельчитель самоходный КГС 0100000 (вид спереди)
zoom-in
zoom-out
enlarge
shrink
circle-right
circle-left
file-text2
info
cart
Тип техники
Не выбрано
Легковые автомобили
Грузовые автомобили и прицепы
Автобусы
Сельхозтехника
Спецтехника
Двигатели
Мототехника
Марка
Не выбрано
AGCO
Amity
CASE IH
DongFeng
Fortschritt
Foton
Franz Kleine
Gaspardo
Great Plains
KRONE
KUHN
Lemken
Lovol
MacDon
Massey Ferguson
New Holland
TIGARBO
Vaderstad
Versatile
Wirax
Агро
Агротехмаш
Бобруйскагромаш (ОАО «УКХ «Бобруйскагромаш»)
БЭМЗ
ВгТЗ
Воронежсельмаш
ВТЗ
Гомсельмаш
ДКЗ
ЗАО "Техника-сервис"
ЗиД
КЗК
Кировец-Ландтехник
Клевер
Красная Звезда
Лидагропроммаш
Лидсельмаш
ЛТЗ
Машстройхолдинг
Минитракторы
Мордовагромаш
МТЗ
Навигатор-Новое машиностроение
Нефтекамский автозавод
ПТЗ
Ремком
РСМ
Сибсельмаш
ТеКЗ
ТКЗ
ХЗТСШ
ХТЗ
ЮМЗ
Модель
Не выбрано
FS80-2 (2017)
KЗС-812 (2016)
KЗС-812 (2017)
KЗС-812 (2018)
KЗС-812 (2021)
KЗС-812 (ПАЛЕССЕ GS812 PRO) (2022)
KЗС-812 (ПАЛЕССЕ GS812) (2021)
KС-100 (2020)
KС-100 (2021)
KС-100 (2022)
KС-150С (2022)
KС-200 (2017)
MS280F (2022)
ЖГР-4.5-1 (2011)
ЖГР-4.5-1 (2018)
ЖЗК-5-1 (2021)
ЖЗК-5-2 (2021)
ЖЗК-6-5 (2008)
ЖЗК-6-5 (2020)
ЖЗК-7-5 (2008)
ЖЗК-7-5 (2011)
ЖЗК-7-7 (2020)
ЖЗК-9 (2020)
ЖЗС-6, 7 (2010)
ЖЗС-9-1 (2018)
ЖЗС-9-2 (2018)
ЖЗС-9-2 (2020)
ЖЗС-9-2 (2021)
ЖР-5 (2021)
КВК-1-0900000 (2018)
КВК-1-0900000 (2021)
КВК-6025 (2015)
КВК-800 (FS80) (2017)
КВК-800 (FS80-2) (2010)
КВК-800 (FS80-2) (2014)
КВК-800 (FS80-5) (2013)
КВК-800 (FS80-5) (2016)
КВК-800 (FS80-7) (2017)
КВК-800 ПАЛЕССЕ FS80-2 (2019)
КВК-800-8 ПАЛЕССЕ FS80-8 (2018)
КВК-800-8 ПАЛЕССЕ FS80-8 (2021)
КВК-8060 (2012)
КВК-8060 (2017)
КВК-8060 (2021)
КВК-8060 (2021)
КВС-1-3900000 (2007)
КВС-4-3900000 (2010)
КГС-0200000 (2010)
КГС-0800000 (2010)
КГС-0900000 (2010)
КДП-3000 Палессе FT40 (2008)
КЗР-10 (2007)
КЗС-10К (ПОЛЕСЬЕ) (2005)
КЗС-10К Палессе GS10 (2012)
КЗС-10К Палессе GS10 (2013)
КЗС-10К Палессе GS10 (2018)
КЗС-10К Палессе GS10 (2021)
КЗС-1218 (ПАЛЕССЕ GS12) дополнение 1 (2020)
КЗС-1218 (ПАЛЕССЕ GS12) дополнение 2 (2020)
КЗС-1218 часть 1 (2013)
КЗС-1218 часть 2 (2013)
КЗС-1218А-1 (2015)
КЗС-1218А-1 (2018)
КЗС-1218А-1 (2019)
КЗС-1218А-1 (ПАЛЕССЕ GS12 А1) Дополнение (2020)
КЗС-1420 часть 1 (2014)
КЗС-1420 часть 2 (2014)
КЗС-1624-1 (2014)
КЗС-1624-1 (2017)
КЗС-2124КР (2018)
КЗС-3221КР ПАЛЕССЕ GH800 (2021)
КЗС-4118К ПАЛЕССЕ GS 4118 (2019)
КЗС-575 (2016)
КЗС-7 (2010)
КЗС-812 (2013)
КЗС-812С (2011)
КЗС-812С (2014)
КОК-6 (2011)
КОК-6-3, КОК-6-3-01, КОК-6-3-02 (2020)
КОК-8-2 (2012)
КОК-8-4 (2018)
КПК Полесье-3000
КПК Полесье-3000 (2006)
КПК-3000 (ПАЛЕССЕ FH40) (2010)
КПК-3000А (Палессе FH40A) (2010)
КПР-6 (2005)
КПР-9 Полесье-СН-90 (2006)
КСК-100А (2002)
КСК-100А-3 (2005)
КСК-600 (2007)
КСК-600 (2011)
КСК-600 (2015)
КСК-600 (2017)
КСК-600А (2020)
КСН-6 (2005)
ПЗ (2019)
ПКК-0200000А-06 (2010)
ПКК-0350000 (2010)
ПКК-0400000А (2010)
ПКК-0460000 (2010)
ПКК-1-0350000А (2010)
ПР (2019)
ПР-9 (2021)
Приспособление ПР-4 (2013)
СТВ-12 (2005)
УЭС Полесье-250 (2006)
УЭС-2-250А (2010)
УЭС-2-280А (2010)
УЭС-2-280А (2018)
УЭС-2-280А ПАЛЕССЕ 2U280А (2020)
УЭС-280 (2017)
УЭС-280 ПАЛЕССЕ U280 (2020)
Схема
>
Не выбрано
Кабина КГС 0120000Б
Кабина КГС 0120000Б
Кабина КГС 0120000Б
Кабина КГС 0120000Б
Дверь КГС 0120400
Сиденье КГС 0119040
Сиденье КГС 0119140
Блок испарительный КГС 0120710
Установка климатическая КГС 0121000
Установка капотов КГС 0128000 (вид слева)
Установка капотов КГС 0128000 (вид справа)
Установка капотов КГС 0128000 (вид сверху)
Установка капотов КГС 0128000 (вид спереди)
Платформы КГС 0130000 и КГС 0130000-01
Площадка входа КГС 0134000
Установка двигателя ЯМЗ-238АК-1-10 КГС 0116000 (вид слева)
Установка двигателя ЯМЗ-238АК-1-10 КГС 0116000 (вид справа)
Установка двигателя ЯМЗ-238АК-1-10 КГС 0116000 (вид спереди)
Рычаг КГС 0116110
Блок радиаторов КГС 0116450
Радиатор масляный КГС 0116020
Привод вентилятора КИЛ 0106280
Механизм натяжения КГС 0116540
Воздухозаборник вращающийся КГС 0116090
Установка топливного оборудования КГС 0123000
Механизм управления топливным насосом КГС 0119120
Коробка передач КГС 0107020 (вид спереди)
Коробка передач КГС 0107020 (вид сзади)
Установка механизма управления коробкой передач КГС0119030
Вал карданный телескопический КГС 0112200
Главный привод УЭС-4-0400050-01
Вал карданный КИЛ 0106850
Кардан 50-3401060 и вал 70-3401050
Мост ведущих колес КГС 0107000
Дифференциал КИЛ 0107160А
Редуктор бортовой левый 54-4-3
Редуктор бортовой правый 54–4–4
Мост управляемых колес КГС 0109000
Редуктор КГС 0114000
Колесо КГС 0110000
Колесо КГС 0110000-01
Колесо главное левое 54-4-6 и колесо главное правое 54-4-7
Головка рулевой тяги КИС 0109160
Головка рулевой тяги КИС 0109160-01
Колесо рулевое УЭС 0302560
Рулевая колонка КГС 0119570
Площадка управления КГС 0119000
Площадка управления КГС 0119000
Площадка управления КГС 0119000
Площадка управления КГС 0119000
Колонка привода КГС 0119150
Педаль КГС 0119470
Площадка КГС 0119170
Тормоз левый 54-4-3-1
Тормоз правый 54-4-4-1
Цилиндры тормозные 54-4-4-1-4 и 54-4-4-1-5
Установка трубопроводов управления тормозами КГС 0119700
Установка приводов стояночного тормоза и блокировки КГС 0119530
Электрооборудование кабины КГС 0120000 (вид сверху)
Электрооборудование кабины КГС 0120000 (вид сбоку)
Электрооборудование двигателя КГС 0116000
Электрооборудование рулевой колонки КГС 0119570
Привод управления КГС 0119600
Зажим УЭС 0302540
Привод КГС 0119300
Электрооборудование пульта управления КГС 0119050
Электрооборудование пульта контроля КГС 0122000
Пульт управления КГС 0119050
Пульт контроля КГС 0122000
Блок переключения КГС 0119060
Привод КИЛ 0119130
Тяга КИЛ 0119150А
Гидросистема привода ходовой части КГС 0108000
Гидросистема привода ходовой части КГС 0108000
Фильтр всасывающий КГС 0108050
Кран КГС 0108080
Гидронасос трехсекционный КГС 0108010
Тройник КГС 0108090
Гидромотор КГС 0108020
Гидроцилиндр КИЛ 0118450
Гидроцилиндр КИЛ 0118460
Гидроцилиндр КИЛ 0118860А
Гидросистема привода питающего аппарата и адаптеров КГС 0115000 (вид слева)
Гидросистема привода питающего аппарата и адаптеров КГС 0115000 (вид сверху)
Бак масляный КГС 0115010
Гидроблок адаптеров КГС 0115110
Гидроблок КГС 0115120
Гидромотор привода адаптеров КГС 0115380
Фильтр сливной КГС 0115440
Гидронасос двухсекционный КГС 0115300
Гидромотор привода питающего аппарата КГС 0115730
Насос дозатор КГС 0125010
Главный цилиндр КЗК 0119550
Гидросистема рабочих органов и рулевого управления КГС 0125000 (вид справа)
Гидросистема рабочих органов и рулевого управления КГС 0125000 (вид сверху)
Гидросистема рабочих органов и рулевого управления КГС 0125000
Кран КГС 0125040
Фильтр сливной КГС 0125070
Гидроблок КГС 0125140
Фильтр напорный КЗК-12-0602570
Измельчитель самоходный КГС 0100000 (вид слева)
Измельчитель самоходный КГС 0100000 (вид справа)
Измельчитель самоходный КГС 0100000 (вид сверху)
Измельчитель самоходный КГС 0100000 (вид спереди)
Измельчитель самоходный КГС 0100000 (вид сзади)
Муфта КГС 0100110
Муфта КГС 01000120
Редуктор КГС 0104000
Редуктор КГС 0104000
Муфта КГС 0104020
Мультипликатор КГС 0104030
Мультипликатор КГС 0104030
Силосопровод ПКК 0109000В
Привод рабочих органов КГС 0106000
Привод рабочих органов КГС 0106000
Механизм натяжения КИЛ 0100160
Гидроцилиндр КИЛ 0138110А
Гидроцилиндр КИЛ 0118380А
Гидроцилиндр КИЛ 0118760
Контрпривод КИЛ 0149100
Шкив КИЛ 0149110
Питающе-измельчающий аппарат КГС 0150000
Вальцы верхние КГС 0103010
Валец задний КГС 0103560
Крышка КИС 0103610
Валец передний КГС 0103720
Вальцы нижние КГС 0103090
Валец нижний передний КГС 0103020
Валец гладкий КГС 0103350
Датчик металлодетектора КГС 0171100
Аппарат измельчающий КГС 0150010
Аппарат измельчающий КГС 0150010
Основание силосопровода КГС 0150040
Пружина КГС 0150290
Корпус КГС 0150120
Барабан КГС 0150070
Гидромотор силосопровода КВС-1-0602970
Устройство заточное КИС 0135000А
Датчик камнедетектора КВС-1-0111070
Устройство натяжное КИС 0103470
Пневмосистема КГС 0180000
Ресивер КГС 0180030
Ресивер КГС 0180050
Регулятор давления КГС 0180190
Электрошкаф КГС 0170800
Вал карданный КИЛ 0113070
Подборщик КГС 0900000
Подборщик КГС 0900000
Подборщик КГС 0900000
Подборщик (установка шнека КВС-1-3902000 и муфты фрикционной КГС 0900010)
Подборщик (установка устройства подбирающего КВС-1-3903000)
Подборщик (шкив КИС 0905101В и вал КИС 0905601Г-02)
Муфта фрикционная КГС 0900010
Редуктор КГС 0904000
Звездочка натяжная КГС 0907000
Устройство подбирающее КВС-1-3903000
Устройство прижимное КВС-1-3909000
Корпус КИС 0600040
Шнек КВС-1-3902000
Крышка КИС 0600020
Замок КВС-1-0160240
Стяжка КИС 0907000А
Ролик натяжной КИС 0916000
Устройство прицепное КИС 0122000А
Жатка для трав КГС 0200000 (общий вид)
Жатка для трав КГС 0200000 (вид слева)
Жатка для трав КГС 0200000 (вид сверху)
Жатка для трав КГС 0200000 (вид справа)
Жатка для трав КГС 0200000 (установка шнека)
Жатка для трав КГС 0200000 (привод аппарата режущего)
Шнек КГС 0202000
Муфта предохранительная КГС 0202100
Мотовило КГС 0203000
Граблина КГС 0203020
Граблина КГС 0203030
Корпус КГС 0204020
Аппарат режущий КГС 0205000
Аппарат режущий левый КГС 0205010
Аппарат режущий правый КГС 0205020
Нож левый КГС 0205030
Нож правый КГС 0205040
Ограждение КГС 0211000
Замок КПП 0212030
Башмак КГС 0218000
Вал привода КГС 0232000
Вал карданный телескопический ЖВФ 0970010
Шкив КИС 0202150
Тележка передняя КИС 0208000А
Каркас со ступицей КИС 0208110
Колесо КПР 6102020
Тележка задняя КИС 0209000А
Рама со ступицей КИС 0209160-01
Устройства натяжные КИС 0209020 и КИС 0209020-01
Электрооборудование тележки задней КИС 0209000А
Привод ножа КИС 0216020В
Колебатель КИС 0216030Б
Опора промежуточная КИС 0216040Б
Подвеска вала КИС 0216060А
Ролик КПП 0208000
Ограждение КПП 0212000А
Устройство натяжное КПП 0213000
Пружина КПП 0213050
Вал КПП 0231000-01
Вал привода КПП 0232000-01
Муфта обгонная МКС 0503130
Звездочка МКС 0514010
Жатка для грубостебельных культур КГС 0800000
Жатка КГС 0800010 (вид сбоку)
Жатка КГС 0800010 (вид сверху)
Платформа МКС 0201000
Делитель центральный МКС 0203000
Барабаны с приводом ПКК 0202300-10
Привод угловой ПКК 0202910-10
Редуктор конический ПКК 0202850-02
Редуктор ПКК 0202860-02 (корпус и крышки)
Редуктор ПКК 0202860-02 (валы и шестерни)
Редуктор цилиндрический ПКК 0202890-04 (корпус и крышки)
Редуктор цилиндрический ПКК 0202890-04 (валы и шестерни)
Брус заламывающий ПКК 0206030
Делители боковые ПКК 0207000А-04 и ПКК 0207000А-05
Рамка переходная КГС 0810000
Рамка переходная КГС 0810000
Рамка переходная КГС 0810000
Валец КГС 0812000
Вал карданный телескопический ПКК 0140110-04
Установка тросов КГС 0119290
Комбайн самоходный кормоуборочный КСК-600 “Полесье-600”
КГС 0100000
1
2
3
4
5
6
7
8
9
10
11
12
13
14
15
16
17
18
19
20
21
21
22
23
24
24
25
26
26
27
27
28
29
29
30
31
32
33
34
35
36
36
37
38
39
40
40
40
40
41
42
43
44
44
44
45
45
45
45
46
46
47
48
48
48
48
49
50
50
51
Позиция на иллюстрации
Заводской номер детали
Название детали
КГС 0100000
КГС 0100000
Измельчитель самоходный
1
КГС 0100120
Муфта
2
КГС 0100450
Бампер
3
КГС 0109000
Мост управляемых колес
4
КГС 0110000
Колесо направляющее
5
КГС 0110000-01
Колесо направляющее
6
КГС 0112200
Вал карданный телескопический
7
КГС 0114000
Редуктор
8
КГС 0115730
Гидромотор привода питающего аппарата
9
КГС 0119000
Площадка управления
10
КГС 0120000
Кабина
11
КГС 0120000-01
Кабина (с тонированными стеклами)
12
КГС 0150000
Питающе-измельчающий аппарат
13
КГС 0122000
Пульт контроля
14
КГС 0100403
Кронштейн
15
КГС 0100803
Дуга
16
КГС 0119021
Молдинг
17
КГС 0119469
Кронштейн
18
КГС 0119486
Кронштейн
19
КИС 0100409Б
Пластина
20
КИС 0100409Б-01
Пластина
21
КСН 0114402
Шайба
22
ПКК 0100637
Ось
23
УЭС 0200499
Накладка
24
ВРЕИ.203621.028
Зеркало наружное заднего вида
25
3723.3712
Фонарь передний многофункциональный
26
5718 220 60 NR11
Опора коническая (фирма “Simrit”, Германия)
27
8703.302/06-01
Фара дорожная
28
8724.304/014
Фара рабочая
29
Болт М8-6ех20-7796
Болт М8-6ех20-7796
30
Болт М8-6ех25-7796
Болт М8-6ех25-7796
31
Болт М10-6ех25-7796
Болт М10-6ех25-7796
32
Болт М10-6ех30-7796
Болт М10-6ех30-7796
33
Болт М12х1,25-6ех35-7796
Болт М12х1,25-6ех35-7796
34
Болт М12-6ех50-7796
Болт М12-6ех50-7796
35
Болт М16-6ех60-7796
Болт М16-6ех60-7796
36
Болт М16х1,5-6ех30-7796
Болт М16х1,5-6ех30-7796
37
Болт М6-6ех16-7798
Болт М6-6ех16-7798
38
Болт М10-6ех25-7802
Болт М10-6ех25-7802
39
Болт М10-6ех35-7802
Болт М10-6ех35-7802
40
Гайка М10-6G-5915
Гайка М10-6G-5915
41
Гайка М12-6G-5915
Гайка М12-6G-5915
42
Гайка М16-6G-5915
Гайка М16-6G-5915
43
Шайба 6Т 65Г-6402
Шайба 6Т 65Г-6402
44
Шайба 8Т 65Г-6402
Шайба 8Т 65Г-6402
45
Шайба 10Т 65Г-6402
Шайба 10Т 65Г-6402
46
Шайба 12Т 65Г-6402
Шайба 12Т 65Г-6402
47
Шайба А.6.01-6958
Шайба А.6.01-6958
48
Шайба А.10.01-6958
Шайба А.10.01-6958
49
Шайба А.12.01-6958
Шайба А.12.01-6958
50
Шайба С.8.01-11371
Шайба С.8.01-11371
51
Шплинт 2х18-397
Шплинт 2х18-397
Содержащиеся в справочниках-каталогах запасные части и детали не предлагаются к продаже, а носят исключительно информационный характер
Дополнительная информация
×
Название:
Номер:
Примечание: