Вернуться на главную
Поиск
Каталоги запчастей к технике
Сельхозтехника
Гомсельмаш
КСК-600
Электрооборудование измельчителя самоходного (вид сверху)
Каталог запасных частей к технике: Гомсельмаш КСК-600. Электрооборудование измельчителя самоходного (вид сверху)
zoom-in
zoom-out
enlarge
shrink
circle-right
circle-left
file-text2
info
cart
Тип техники
Не выбрано
Легковые автомобили
Грузовые автомобили и прицепы
Автобусы
Сельхозтехника
Спецтехника
Двигатели
Мототехника
Марка
Не выбрано
AGCO
Amity
CASE IH
DongFeng
Fortschritt
Foton
Franz Kleine
Gaspardo
Great Plains
KRONE
KUHN
Lemken
Lovol
MacDon
Massey Ferguson
New Holland
TIGARBO
Vaderstad
Versatile
Wirax
Агро
Агротехмаш
Бобруйскагромаш (ОАО «УКХ «Бобруйскагромаш»)
БЭМЗ
ВгТЗ
Воронежсельмаш
ВТЗ
Гомсельмаш
ДКЗ
ЗАО "Техника-сервис"
ЗиД
КЗК
Кировец-Ландтехник
Клевер
Красная Звезда
Лидагропроммаш
Лидсельмаш
ЛТЗ
Машстройхолдинг
Минитракторы
Мордовагромаш
МТЗ
Навигатор-Новое машиностроение
Нефтекамский автозавод
ПТЗ
Ремком
РСМ
Сибсельмаш
ТеКЗ
ТКЗ
ХЗТСШ
ХТЗ
ЮМЗ
Модель
Не выбрано
FS80-2 (2017)
KЗС-812 (2016)
KЗС-812 (2017)
KЗС-812 (2018)
KЗС-812 (2021)
KЗС-812 (ПАЛЕССЕ GS812 PRO) (2022)
KЗС-812 (ПАЛЕССЕ GS812) (2021)
KС-100 (2020)
KС-100 (2021)
KС-100 (2022)
KС-150С (2022)
KС-200 (2017)
MS280F (2022)
ЖГР-4.5-1 (2011)
ЖГР-4.5-1 (2018)
ЖЗК-5-1 (2021)
ЖЗК-5-2 (2021)
ЖЗК-6-5 (2008)
ЖЗК-6-5 (2020)
ЖЗК-7-5 (2008)
ЖЗК-7-5 (2011)
ЖЗК-7-7 (2020)
ЖЗК-9 (2020)
ЖЗС-6, 7 (2010)
ЖЗС-9-1 (2018)
ЖЗС-9-2 (2018)
ЖЗС-9-2 (2020)
ЖЗС-9-2 (2021)
ЖР-5 (2021)
КВК-1-0900000 (2018)
КВК-1-0900000 (2021)
КВК-6025 (2015)
КВК-800 (FS80) (2017)
КВК-800 (FS80-2) (2010)
КВК-800 (FS80-2) (2014)
КВК-800 (FS80-5) (2013)
КВК-800 (FS80-5) (2016)
КВК-800 (FS80-7) (2017)
КВК-800 ПАЛЕССЕ FS80-2 (2019)
КВК-800-8 ПАЛЕССЕ FS80-8 (2018)
КВК-800-8 ПАЛЕССЕ FS80-8 (2021)
КВК-8060 (2012)
КВК-8060 (2017)
КВК-8060 (2021)
КВК-8060 (2021)
КВС-1-3900000 (2007)
КВС-4-3900000 (2010)
КГС-0200000 (2010)
КГС-0800000 (2010)
КГС-0900000 (2010)
КДП-3000 Палессе FT40 (2008)
КЗР-10 (2007)
КЗС-10К (ПОЛЕСЬЕ) (2005)
КЗС-10К Палессе GS10 (2012)
КЗС-10К Палессе GS10 (2013)
КЗС-10К Палессе GS10 (2018)
КЗС-10К Палессе GS10 (2021)
КЗС-1218 (ПАЛЕССЕ GS12) дополнение 1 (2020)
КЗС-1218 (ПАЛЕССЕ GS12) дополнение 2 (2020)
КЗС-1218 часть 1 (2013)
КЗС-1218 часть 2 (2013)
КЗС-1218А-1 (2015)
КЗС-1218А-1 (2018)
КЗС-1218А-1 (2019)
КЗС-1218А-1 (ПАЛЕССЕ GS12 А1) Дополнение (2020)
КЗС-1420 часть 1 (2014)
КЗС-1420 часть 2 (2014)
КЗС-1624-1 (2014)
КЗС-1624-1 (2017)
КЗС-2124КР (2018)
КЗС-3221КР ПАЛЕССЕ GH800 (2021)
КЗС-4118К ПАЛЕССЕ GS 4118 (2019)
КЗС-575 (2016)
КЗС-7 (2010)
КЗС-812 (2013)
КЗС-812С (2011)
КЗС-812С (2014)
КОК-6 (2011)
КОК-6-3, КОК-6-3-01, КОК-6-3-02 (2020)
КОК-8-2 (2012)
КОК-8-4 (2018)
КПК Полесье-3000
КПК Полесье-3000 (2006)
КПК-3000 (ПАЛЕССЕ FH40) (2010)
КПК-3000А (Палессе FH40A) (2010)
КПР-6 (2005)
КПР-9 Полесье-СН-90 (2006)
КСК-100А (2002)
КСК-100А-3 (2005)
КСК-600 (2007)
КСК-600 (2011)
КСК-600 (2015)
КСК-600 (2017)
КСК-600А (2020)
КСН-6 (2005)
ПЗ (2019)
ПКК-0200000А-06 (2010)
ПКК-0350000 (2010)
ПКК-0400000А (2010)
ПКК-0460000 (2010)
ПКК-1-0350000А (2010)
ПР (2019)
ПР-9 (2021)
Приспособление ПР-4 (2013)
СТВ-12 (2005)
УЭС Полесье-250 (2006)
УЭС-2-250А (2010)
УЭС-2-280А (2010)
УЭС-2-280А (2018)
УЭС-2-280А ПАЛЕССЕ 2U280А (2020)
УЭС-280 (2017)
УЭС-280 ПАЛЕССЕ U280 (2020)
Схема
>
Не выбрано
Измельчитель самоходный КГС 0100000 (вид слева)
Измельчитель самоходный КГС 0100000 (вид справа)
Измельчитель самоходный КГС 0100000 (вид сверху)
Измельчитель самоходный КГС 0100000 (вид спереди, вид сзади)
Электрооборудование измельчителя самоходного (вид справа)
Электрооборудование измельчителя самоходного (вид сверху)
Батарея аккумуляторная с переходниками КЗК0705190
Аппарат питающе-измельчающий КГС 0150000
Аппарат питающе-измельчающий КГС 0150600
Аппарат питающе-измельчающий КГС 0150600
Аппарат питающе-измельчающий КГС 0150600
Аппарат питающе-измельчающий КГС 0150600
Вальцы верхние КГС 0103010
Валец задний КГС 0103560
Валец передний КГС 0103720
Вальцы нижние КГС 0103090А
Валец нижний передний КГС 0103020А
Аппарат измельчающий КГС 0150580
Аппарат измельчающий КГС 0150580
Барабан КГС 0150330
Устройство заточное КИС 0135000А
Датчик камнедетектора КВС-1-0111440
Устройство натяжное КИС 0103470
Основание силосопровода КГС 0150040
Основание силосопровода КГС 0150040
Гидромотор силосопровода КВС-1-0602970
Силосопровод ПКК 0109000В-03
Силосопровод ПКК 0109000В-03 (установка козырьков)
Силосопровод ПКК 0109000В-03 (установка устройства натяжного)
Трубопровод ПКК 0109010В-02
Устройство натяжное, канат, козырьки силосопровода
Гидроцилиндр ПКК 0113200-06
Установка дизеля ЯМЗ-238АК-1000176/ЯМЗ-238АК-1000411 КГС 0116000А
Установка дизеля ЯМЗ-238АК-1000176/ЯМЗ-238АК-1000411 КГС 0116000А
Установка дизеля ЯМЗ-238АК-1000176/ЯМЗ-238АК-1000411 КГС 0116000А
Установка компрессора КВС-1-0150630-01
Установка вала карданного КИЛ 0106850
Установка глушителя КИЛ 0116630
Установка рычага КГС 0116230 и растяжки КИЛ-1-0116330
Установка главного привода УЭС-4-0400050-02
Главный привод УЭС-4-0400050-02
Блок радиаторов КГС 0116450А
Радиатор масляный КГС 0116020
Установка привода вентилятора КГС 0116250Б
Привод вентилятора КИЛ 0106280
Установка бачка расширительного КГС 0116630
Электрооборудование дизеля КГС 0116000А
Воздухозаборник вращающийся КГС 0116090
Установка конденсатора КГС 0116120
Установка вала карданного КИЛ 0113070
Редуктор КГС 0104000-01
Муфта КГС 0104020
Мультипликатор КГС 0104030
Мультипликатор КГС 0104030
Привод рабочих органов КГС 0106000
Привод рабочих органов КГС 0106000
Механизм натяжения КИЛ 0100160
Гидроцилиндр КЗК-12-0602310
Контрпривод КИЛ 0149100
Установка редуктора КГС 0114000
Муфта КГС 0100120
Редуктор КГС 0114000
Редуктор КГС 0114000
Вал карданный телескопический КГС 0112200
Вал карданный телескопический КГС 0112400
Гидромотор привода питающего аппарата КГС 0115730
Полумуфта внутренняя МС 12-3-020
Установка колес 54-4-6 и 54-4-7
Мост ведущих колес КГС 0107000
Установка колес КГС 0110000 и КГС 0110000-01
Мост управляемых колес КГС 0109000 (установка ступиц)
Мост управляемых колес КГС 0109000 (тяга поперечная, гидроцилиндры)
Тяга поперечная КИЛ 0109040
Гидроцилиндр КИЛ 0118450
Гидроцилиндр КИЛ 0118460
Наконечник левый КИЛ 0118660
Наконечник правый КИЛ 0118680
Коробка передач КГС 0107020
Коробка передач КГС 0107020
Дифференциал КИЛ 0107160А
Редуктор бортовой 54-4-3
Редуктор бортовой 54-4-4
Тормоз левый 54-4-3-1
Тормоз правый 54-4-4-1
Цилиндры тормозные 54-4-4-1-4 и 54-4-4-1-5
Кабина КГС 0120000
Кабина КГС 0120000
Кабина КГС 0120000
Кабина КГС 0120000
Каркас КГС 0120010
Дверь КГС 0120400
Блок испарительный КГС 0120710
Установка отопителя КГС 0120980
Электрооборудование кабины КГС 0120000 (вид слева)
Электрооборудование кабины КГС 0120000 (вид сверху)
Установка климатическая КГС 0121000
Установка отопителя КГС 0121010
Площадка входа КГС 0134000
Установка топливного оборудования КГС 0123000
Площадка управления КГС 0119000 (вид сбоку)
Площадка управления КГС 0119000 (вид спереди)
Площадка управления КГС 0119000 (вид снизу)
Сиденье КГС 0119040
Сиденье КГС 0119140
Пульт управления КГС 0119050
Привод КГС 0119300
Электрооборудование пульта управления
Колонка привода КГС 0119150
Рулевая колонка КГС 0119570
Электрооборудование рулевой колонки
Насос-дозатор КЗК-8-0602160-01
Привод управления КЗС 0119600
Кардан 50-3401060
Установка колеса рулевого КЗК-12-0122600
Установка колеса рулевого КЗК-12-0122600-01
Привод КИЛ 0119130
Пульт контроля КГС 0122000А
Электрооборудование пульта контроля
Установка механизма управления коробкой передач КГС 0119030
Блок переключения КГС 0119060
Механизм управления топливным насосом КГС 0119120
Установка тросов КГС 0119290
Установка приводов стояночного тормоза и блокировки КГС 0119530
Тяга КИЛ 0119150А
Установка трубопроводов управления тормозами КГС 0119700
Установка капотов КГС 0128000 (вид слева)
Установка капотов КГС 0128000 (вид справа)
Установка капотов КГС 0128000 (вид сверху)
Установка капотов КГС 0128000 (вид спереди)
Маска КГС 0128040
Воздухозаборник КГС 0128100
Замок КВС-1-0160240
Воздухоочиститель 260-1109015-01
Крюк левый КИЛ 0126100
Крюк правый КГС 0141000
Устройство прицепное КИС 0122000А
Гидросистема привода ходовой части КГС 0108000А (вид сзади)
Гидросистема привода ходовой части КГС 0108000А (вид слева)
Фильтр всасывающий КГС 0108050
Кран КГС 0108080
Полумуфта внутренняя МС 12-3-020-01
Гидронасос трехсекционный КГС 0108010А
Гидромотор КГС 0108030
Установка гидросистемы КГС 0100100 и КГС 0100100-01
Муфта КГС 0100110 и КГС 0100140
Гидросистема привода питающего аппарата и адаптеров КГС 0115000 (вид слева)
Гидросистема привода питающего аппарата и адаптеров КГС 0115000 (вид сверху)
Гидросистема привода питающего аппарата и адаптеров КГС 0118000 (вид слева)
Гидросистема привода питающего аппарата и адаптеров КГС 0118000 (вид сверху)
Бак масляный КГС 0115010Б
Гидроблок адаптеров КГС 0115150
Гидроблок адаптеров КГС 0115160
Гидромотор привода адаптеров КГС 0115380
Фильтр сливной КГС 0115440
Кран КЗК-10-0602380
Гидронасос двухсекционный КГС 0115300А
Гидронасос двухсекционный КГС 0115310А
Блок управления питающим аппаратом КГС 0171200А и КГС 0171200А-01
Гидромотор привода питающего аппарата КГС 0115730
Гидросистема рабочих органов и рулевого управления КГС 0125000 (вид справа)
Гидросистема рабочих органов и рулевого управления КГС 0125000 (вид сверху)
Гидросистема рабочих органов и рулевого управления КГС 0125000
Кран КГС 0125040
Фильтр сливной КГС 0125070
Гидроблок КГС 0125140
Фильтр напорный КЗК-12-0602570
Клапан-сигнализатор УЭС 0603660
Гидроцилиндр навески КГС 0125500
Пневмосистема КГС 0180000
Ресивер КГС 0180030
Ресивер КГС 0180050
Регулятор давления КГС 0180190
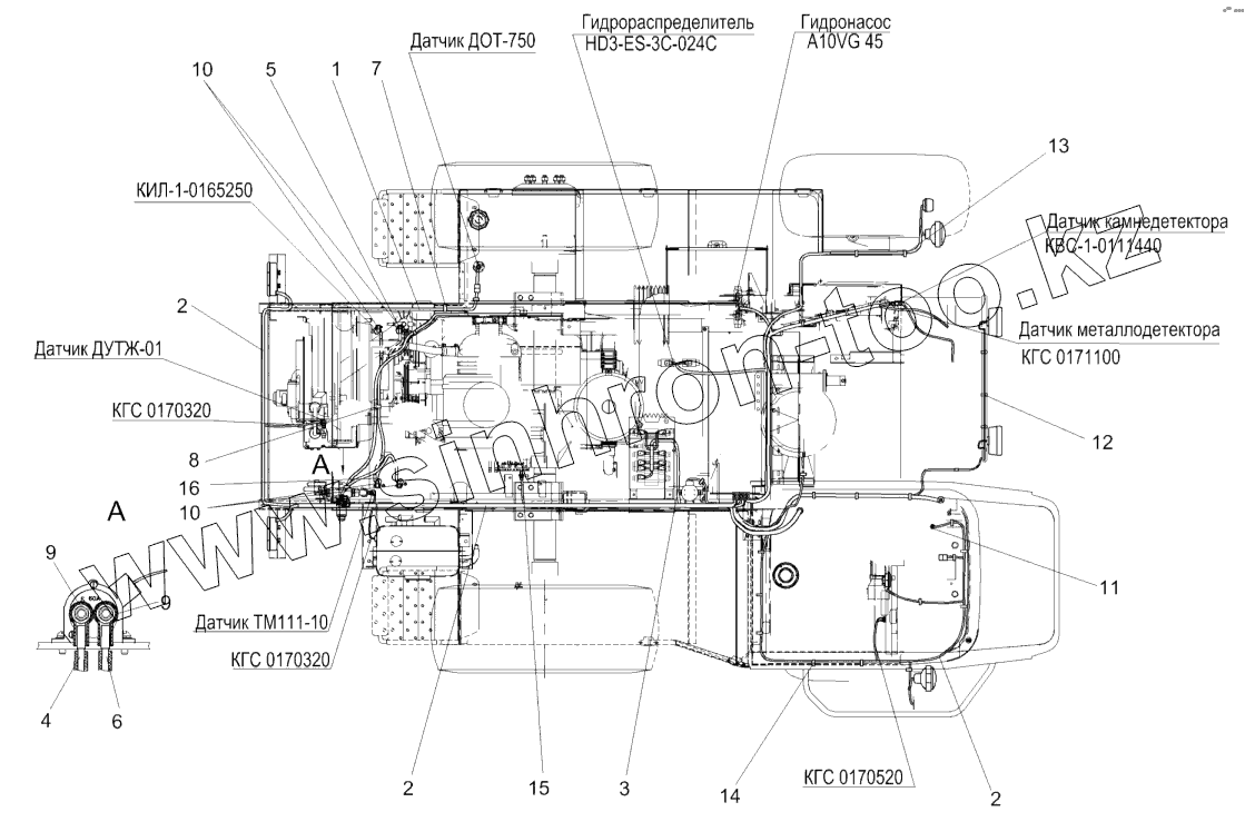
1
2
2
2
3
4
5
6
7
8
9
9
10
10
11
12
13
14
15
16
Позиция на иллюстрации
Заводской номер детали
Название детали
1
КГС0170320
Жгут датчиков
2
КГС0170520А
Жгут фонарей
3
КГС0170550
Жгут гидроблока
4
КГС0170590
Жгут массы
5
КВС-1-0705580
Жгут аккумуляторов промежуточный
6
КВС-1-0705590
Жгут выключателя массы
7
КВС-1-0700800
Хомут
8
КЗР0700800-04
Хомут
9
ТМ-59-6000-38
Наконечник резиновый
10
УЭС0700041
Чехол аккумуляторного наконечника
11
УЭС0700013-03
Втулка
12
NW7,59805911
Крепление кабельное
13
NW139805914
Крепление кабельное
14
NW229805916
Крепление кабельное
15
ПрП-1М
Преобразователь первичный ПрП-1М
16
ТРТ1120031-07
Трубка 1-1М 20,0х3,0-5496
Содержащиеся в справочниках-каталогах запасные части и детали не предлагаются к продаже, а носят исключительно информационный характер
Дополнительная информация
×
Название:
Номер:
Примечание: