Каталог запасных частей к технике: Гомсельмаш КСК-100А. Установка привода вентилятора КИС 0106650В
1
2
3
4
4
5
6
7
8
8
9
10
11
12
14
15
16
17
18
18
19
20
21
22
23
23
24
25
26
27
28
28
28
29
29
30
31
32
33
34
34
34
35
36
36
37
38
39
40
41
41
42
43
43
44
44
45
46
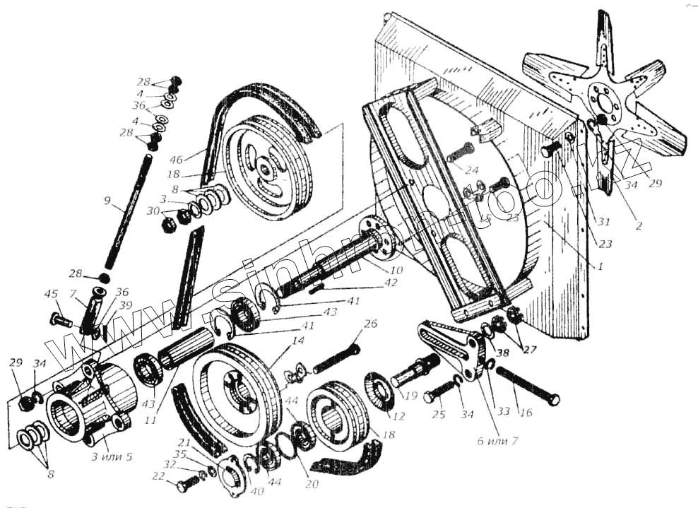
| Позиция на иллюстрации | Заводской номер детали | Название детали | |
|---|---|---|---|
| КИЛ 0106300 | КИЛ 0106300 | Привод вентилятора | |
| КИЛ 0106750 | КИЛ 0106750 | Механизм натяжения | |
| КИС 0106105А | КИС 0106105А | Шкив вентилятора | |
| КИС 0106770 | КИС 0106770 | Ролик натяжной | |
| К И Л 0106280 | К И Л 0106280 | Привод вентилятора | |
| 1 | КИЛ 0106270 | Кожух вентилятора | |
| 2 | 72-12310.01 | Вентилятор | |
| 3 | КИЛ 0106027 | Корпус | |
| 4 | КИЛ 0106037 | Втулка | |
| 5 | КИЛ 0106101 | Корпус | |
| 6 | КИЛ 0106297 | Кронштейн натяжного ролика | |
| 7 | КИЛ 0106301 | Кронштейн натяжного ролика | |
| 8 | КИЛ 0106482 | Шайба | |
| 9 | КИЛ 0106642 | Шпилька | |
| 10 | КИЛ 0106677 | Вал привода вентилятора | |
| 11 | КИЛ 0106827 | Втулка | |
| 12 | КИС 0106053 | Щиток | |
| 14 | КИС 0106106А | Шкив промежуточный | |
| 15 | КИС 0106462А | Пластина стопорная | |
| 16 | КИС 0106631А | Болт натяжной | |
| 17 | КИС 0119318Б-04 | Вилка | |
| 18 | 60-13119.40 | Ролик натяжной | |
| 19 | 60-13120.30 | Ось | |
| 20 | 60-13125.10 | Кольцо распорное | |
| 21 | 60-13153.20 | Крышка | |
| 22 | М8.6х20.56.016 | Болт ГОСТ 7796-70 | |
| 23 | М12х25.56.019 | Болт ГОСТ 7796-70 | |
| 24 | М12х40.56.019 | Болт ГОСТ 7796-70 | |
| 25 | М12х55.56.019 | Болт ГОСТ 7796-70 | |
| 26 | М12х1.25х70.56.019 | Болт ГОСТ 7796-70 | |
| 27 | М22х1,5.6Н6.019 | Гайка ГОСТ 2526 -70 | |
| 28 | М10.6.019 | Гайка ГОСТ 11860-73 | |
| 29 | М12.6.019 | Гайка ГОСТ 5915-70 | |
| 30 | М20х1,5.6Н.6А.019 | Гайка ГОСТ 5915-70 | |
| 31 | 12.01.019 | Шайба ГОСТ 11371-78 | |
| 32 | 8.65Г.65Г.019 | Шайба ГОСТ 6402-70 | |
| 33 | 10.65Г.019 | Шайба ГОСТ 6402-70 | |
| 34 | 12.65Г.019 | Шайба ГОСТ 6402-70 | |
| 35 | 8х1,4.01.019 | Шайба ГОСТ 10450 78 | |
| 36 | 10.01.019 | Шайба ГОСТ 11371-78 | |
| 37 | 20.01.019 | Шайба ГОСТ 13463-77 | |
| 38 | 22.01.019 | Шайба ГОСТ 11371-78 | |
| 39 | 2,5х18.2.019 | Шплинт ГОСТ 397-79 | |
| 40 | Б25 | Кольцо ГОСТ 13942-68 | |
| 41 | В72 | Кольцо ГОСТ 13943-80 | |
| 42 | 8х7х25 | Шпонка ГОСТ 23360-78 | |
| 43 | 180207 | Подшипник ГОСТ 8882-75 | |
| 44 | 180505 | Подшипник ГОСТ 8882-75 | |
| 45 | 6х10в12х36.10Ц9 хр | Ось ГОСТ 9650-80 | |
| 46 | П-16х11х1450 | Ремень ГОСТ 5813-76 |
Содержащиеся в справочниках-каталогах запасные части и детали не предлагаются к продаже, а носят исключительно информационный характер