Каталог запасных частей к технике: Гомсельмаш КСК-100А. Механизм привода адаптеров
1
2
3
4
5
6
6
7
8
8
9
10
10
11
11
12
13
14
15
15
16
16
16
17
17
18
19
20
21
21
21
21
22
23
23
24
24
24
24
24
25
25
26
27
28
29
30
31
31
31
32
32
33
33
34
35
36
37
38
39
40
41
42
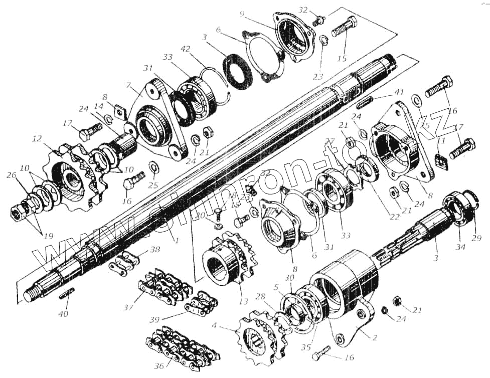
| Позиция на иллюстрации | Заводской номер детали | Название детали | |
|---|---|---|---|
| КИЛ 0142000 | КИЛ 0142000 | Контрпривод | |
| КИС 0143000Б | КИС 0143000Б | Вал | |
| 1 | КИС 0143020 | Вал | |
| 2 | КИЛ 0142201 | Корпус | |
| 3 | КИС 0142601 | Вал | |
| 4 | КИС 0142602 | Звездочка | |
| 5 | КИС 0142801 | Втулка | |
| 6 | КИС 0143001 | Прокладка | |
| 7 | КИС 0143101А | Корпус подшипника | |
| 8 | КИС 0143102А | Корпус подшипника | |
| 9 | КИС 0143103 | Крышка | |
| 10 | КИС 0143401 | Шайба | |
| 11 | КИС 0143501 | Шайба | |
| 12 | КИС 0143601А | Звездочка | |
| 13 | КИС 0143602 | Звездочка | |
| 14 | КИС 0143802 | Втулка распорная | |
| 15 | М10х25.56.019 | Болт ГОСТ 7796-70 | |
| 16 | М14х50.56.019 | Болт ГОСТ 7796-70 | |
| 17 | М14х60.56.019 | Болт ГОСТ 7795-70 | |
| 18 | М10х30.88.35.019 | Винт ГОСТ 1485-75 | |
| 19 | М27х2.6.019 | Гайка ГОСТ 2526-70 | |
| 20 | М10.6.019 | Гайка ГОСТ 11860-73 | |
| 21 | М14.6.019 | Гайка ГОСТ 5915-70 | |
| 22 | ВМ42х1,5.6.019 | Гайка ГОСТ 11871-80 | |
| 23 | 10.65Г.019 | Шайба ГОСТ 6402-70 | |
| 24 | 14.65Г.019 | Шайба ГОСТ 6402-70 | |
| 25 | 14.01.019 | Шайба ГОСТ 11371-78 | |
| 26 | 27.01.019 | Шайба ГОСТ 11371-78 | |
| 27 | 42.01.019 | Шайба ГОСТ 11872-80 | |
| 28 | В 38 | Кольцо ГОСТ 13942-68 | |
| 29 | В 40 | Кольцо ГОСТ 13942-68 | |
| 30 | А 90 | Кольцо ГОСТ 13943-68 | |
| 31 | 2-2-50х70-1 | Манжета ГОСТ 18752-79 | |
| 32 | 1.2 Ц6 хр | Масленка ГОСТ 19853-74 | |
| 33 | 1309 | Подшипник ГОСТ 5720-75 | |
| 34 | 60208 | Подшипник ГОСТ 7242-70 | |
| 35 | 60308 | Подшипник ГОСТ 7242-70 | |
| 36 | КГБ 12-10 | Цепь ТУ 3-970-76 (L=939,8 мм) | |
| 37 | КГВ 12-10 | Цепь ТУЗ 3970-76 L=330,2 мм к.з.=13 | |
| 38 | С-КГВ 12-10 | Звено ТУ 3970-76 | |
| 39 | П-КГВ 12=10 | Звено ТУ 3-970-76 | |
| 40 | 3-12х8х40 | Шпонка ГОСТ 23360-78 | |
| 41 | 14х9х70 | Шпонка ГОСТ 23360-78 | |
| 42 | Н 026.508 | Кольцо распорное |
Содержащиеся в справочниках-каталогах запасные части и детали не предлагаются к продаже, а носят исключительно информационный характер