Вернуться на главную
Поиск
Каталоги запчастей к технике
Сельхозтехника
Гомсельмаш
КСК-100А
Колонка управления КИЛ 0119230
Каталог запасных частей к технике: Гомсельмаш КСК-100А. Колонка управления КИЛ 0119230
zoom-in
zoom-out
enlarge
shrink
circle-right
circle-left
file-text2
info
cart
Тип техники
Не выбрано
Легковые автомобили
Грузовые автомобили и прицепы
Автобусы
Сельхозтехника
Спецтехника
Двигатели
Мототехника
Марка
Не выбрано
AGCO
Amity
CASE IH
DongFeng
Fortschritt
Foton
Franz Kleine
Gaspardo
Great Plains
KRONE
KUHN
Lemken
Lovol
MacDon
Massey Ferguson
New Holland
TIGARBO
Vaderstad
Versatile
Wirax
Агро
Агротехмаш
Бобруйскагромаш (ОАО «УКХ «Бобруйскагромаш»)
БЭМЗ
ВгТЗ
Воронежсельмаш
ВТЗ
Гомсельмаш
ДКЗ
ЗАО "Техника-сервис"
ЗиД
КЗК
Кировец-Ландтехник
Клевер
Красная Звезда
Лидагропроммаш
Лидсельмаш
ЛТЗ
Машстройхолдинг
Минитракторы
Мордовагромаш
МТЗ
Навигатор-Новое машиностроение
Нефтекамский автозавод
ПТЗ
Ремком
РСМ
Сибсельмаш
ТеКЗ
ТКЗ
ХЗТСШ
ХТЗ
ЮМЗ
Модель
Не выбрано
FS80-2 (2017)
KЗС-812 (2016)
KЗС-812 (2017)
KЗС-812 (2018)
KЗС-812 (2021)
KЗС-812 (ПАЛЕССЕ GS812 PRO) (2022)
KЗС-812 (ПАЛЕССЕ GS812) (2021)
KС-100 (2020)
KС-100 (2021)
KС-100 (2022)
KС-150С (2022)
KС-200 (2017)
MS280F (2022)
ЖГР-4.5-1 (2011)
ЖГР-4.5-1 (2018)
ЖЗК-5-1 (2021)
ЖЗК-5-2 (2021)
ЖЗК-6-5 (2008)
ЖЗК-6-5 (2020)
ЖЗК-7-5 (2008)
ЖЗК-7-5 (2011)
ЖЗК-7-7 (2020)
ЖЗК-9 (2020)
ЖЗС-6, 7 (2010)
ЖЗС-9-1 (2018)
ЖЗС-9-2 (2018)
ЖЗС-9-2 (2020)
ЖЗС-9-2 (2021)
ЖР-5 (2021)
КВК-1-0900000 (2018)
КВК-1-0900000 (2021)
КВК-6025 (2015)
КВК-800 (FS80) (2017)
КВК-800 (FS80-2) (2010)
КВК-800 (FS80-2) (2014)
КВК-800 (FS80-5) (2013)
КВК-800 (FS80-5) (2016)
КВК-800 (FS80-7) (2017)
КВК-800 ПАЛЕССЕ FS80-2 (2019)
КВК-800-8 ПАЛЕССЕ FS80-8 (2018)
КВК-800-8 ПАЛЕССЕ FS80-8 (2021)
КВК-8060 (2012)
КВК-8060 (2017)
КВК-8060 (2021)
КВК-8060 (2021)
КВС-1-3900000 (2007)
КВС-4-3900000 (2010)
КГС-0200000 (2010)
КГС-0800000 (2010)
КГС-0900000 (2010)
КДП-3000 Палессе FT40 (2008)
КЗР-10 (2007)
КЗС-10К (ПОЛЕСЬЕ) (2005)
КЗС-10К Палессе GS10 (2012)
КЗС-10К Палессе GS10 (2013)
КЗС-10К Палессе GS10 (2018)
КЗС-10К Палессе GS10 (2021)
КЗС-1218 (ПАЛЕССЕ GS12) дополнение 1 (2020)
КЗС-1218 (ПАЛЕССЕ GS12) дополнение 2 (2020)
КЗС-1218 часть 1 (2013)
КЗС-1218 часть 2 (2013)
КЗС-1218А-1 (2015)
КЗС-1218А-1 (2018)
КЗС-1218А-1 (2019)
КЗС-1218А-1 (ПАЛЕССЕ GS12 А1) Дополнение (2020)
КЗС-1420 часть 1 (2014)
КЗС-1420 часть 2 (2014)
КЗС-1624-1 (2014)
КЗС-1624-1 (2017)
КЗС-2124КР (2018)
КЗС-3221КР ПАЛЕССЕ GH800 (2021)
КЗС-4118К ПАЛЕССЕ GS 4118 (2019)
КЗС-575 (2016)
КЗС-7 (2010)
КЗС-812 (2013)
КЗС-812С (2011)
КЗС-812С (2014)
КОК-6 (2011)
КОК-6-3, КОК-6-3-01, КОК-6-3-02 (2020)
КОК-8-2 (2012)
КОК-8-4 (2018)
КПК Полесье-3000
КПК Полесье-3000 (2006)
КПК-3000 (ПАЛЕССЕ FH40) (2010)
КПК-3000А (Палессе FH40A) (2010)
КПР-6 (2005)
КПР-9 Полесье-СН-90 (2006)
КСК-100А (2002)
КСК-100А-3 (2005)
КСК-600 (2007)
КСК-600 (2011)
КСК-600 (2015)
КСК-600 (2017)
КСК-600А (2020)
КСН-6 (2005)
ПЗ (2019)
ПКК-0200000А-06 (2010)
ПКК-0350000 (2010)
ПКК-0400000А (2010)
ПКК-0460000 (2010)
ПКК-1-0350000А (2010)
ПР (2019)
ПР-9 (2021)
Приспособление ПР-4 (2013)
СТВ-12 (2005)
УЭС Полесье-250 (2006)
УЭС-2-250А (2010)
УЭС-2-280А (2010)
УЭС-2-280А (2018)
УЭС-2-280А ПАЛЕССЕ 2U280А (2020)
УЭС-280 (2017)
УЭС-280 ПАЛЕССЕ U280 (2020)
Схема
>
Не выбрано
Кабина КИЛ 0120000
Ящик аккумуляторный КИС 0132000А и ящик инструментальный КИЛ 0133000А
Трап КИС 0117000Б
Площадка с поручнем КИЛ 0134000
Площадка управления КИЛ 01190000
Дверь кабины КИС 0120010В
Сиденье водителя
Вентиляционная установка КИС 0120180А
Регулятор потока воздуха КИС 0147010
Вентилятор кабины 54-121-2Г
Установка зеркала КИС 0120280Б
Капоты воздухоочистителя и ограждения КИЛ 0128000
Боковины капотов КИЛ 0128040 и КИЛ 0128050
Установка дизеля на рамке
Установка дизеля СМД-72
Установка индикатора
Вал карданный КИЛ 0106850
Привод на рабочие органы КИЛ 0106200
Установка радиаторов
Радиатор воздушный КИЛ 0106010
Радиатор масляный КИС 0106020Б
Радиатор водяной КИЛ 0106160
Установка привода вентилятора КИС 0106650В
Установка бака топливного КИС 01233000В
Установка бачка топливного КИС 0106600А
Муфта фрикционная КИС 0114200В
Валы и шестерни коробки передач
Коробка перемены передач и стояночный тормоз КИС 0107020
Механизм переключения передач
Коробка перемен передач КИЛ 0114000. Корпус, крышки, прокладки
Валы и шестерни КПП КИЛ 0114000
Механизм реверса 0114420
Механизм реверса КПП КИЛ 0119010
Механизм управления КПП КИЛ 0119050
Механизм блокировки КПП КИЛ 0119100
Вал карданный КИС 104040Б
Мост ведущих колес комбайна КСК-100А КИЛ 0107000
Мост ведущих колес комбайна КСК-100А-1 КИЛ 0107000
Кожух моста КИЛ 0107010
Механизм блокировки дифференциала КИЛ 107040
Механизм принудительной блокировки КИЛ 107050
Дифференциал КИЛ 0107160
Дифференциал КИЛ 0107160-01
Редуктор бортовой левый 54-4-3
Редуктор бортовой правый 54-4-4
Редуктор коническо-цилиндрический КИЛ 0104000. Корпус и крышки
Валы и шестерни редуктора КИЛ 0104000
Рама и ходовая часть
Устройство прицепное КИС 0122000А
Мост управляемых колес КИЛ 0109000
Тяга поперечная КИЛ 0109040
Колесо ведущее КИЛ 0107210
Колеса ведущие 54-4-6 и 64-4-7
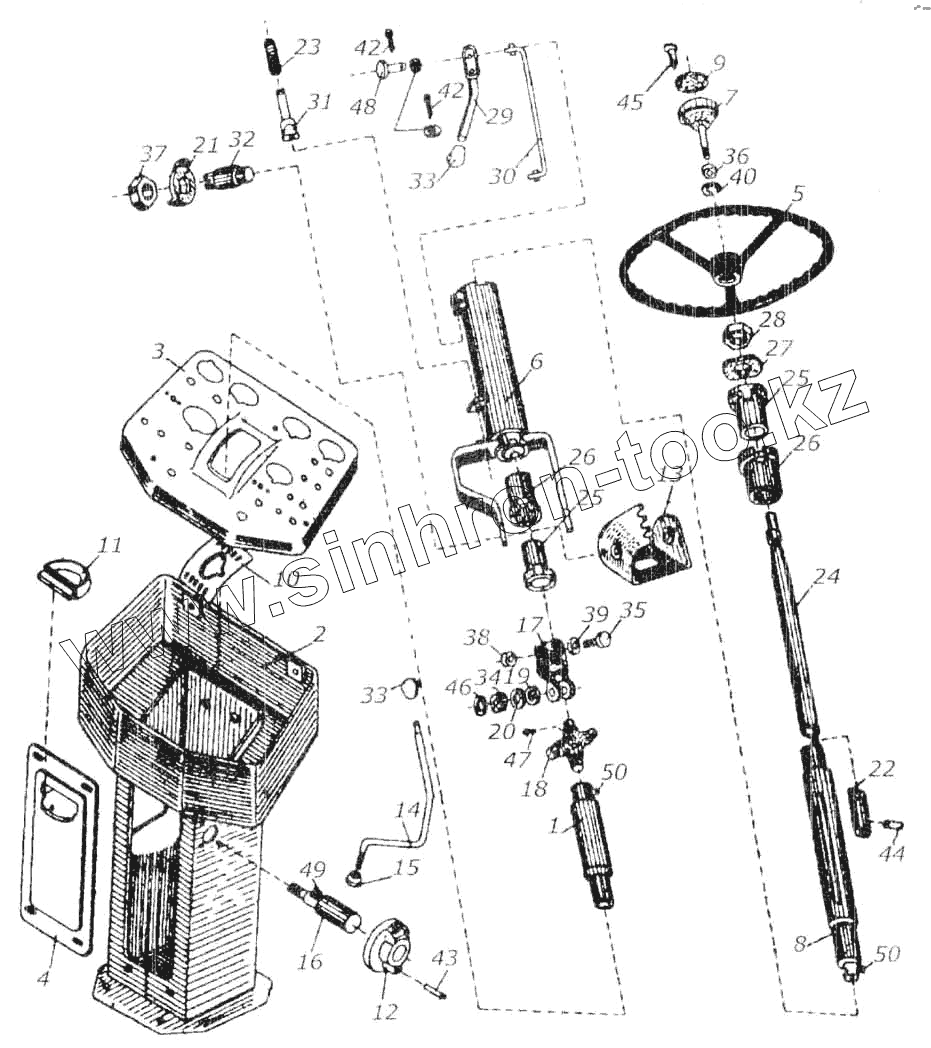
Колонка управления КИЛ 0119230
Тормоз левый 54-4-3-1 и тормоз правый 54-4-1
Цилиндры тормозные 54-4-4-1-4 и 54-4-4-1-5
Механизм управления тормозами КИЛ 0119060
Привод стояночного тормоза КИЛ 0119390
Механизм подачи топлива КИС 0119120Б
Механизм управления насосом
Педали управления насосом
Механизм управления ВОМ КИС 0119250Б
Механизм включения КИС 0119360 и механизм пуска двигателя КИС 0106400А
Электрооборудование комбайна
Фары
Жгут КИС 0140010И
Жгуты
Жгуты
Щиток приборов КИС 0140020
Гидросистема ходовой части КИЛ 0108000
Бак масляный КИС 0108540
Мотор гидравлический SM-23
Насос гидравлический SPV-23
Сервоклапан ДГП 100514А
Насос шестеренный ДГП 100949
Сервоцилиндр насоса ДГП 100504
Гидросистема рулевого управления
Гидросистема силовых цилиндров КИЛ 0118000
Крепление узлов гидрооборудования
Гидрораспределители КИЛ 0118360 КИС 0118360Г
Клапан предохранительный 636.00.01.000
Клапан предохранительный КИЛ 0118070
Фильтр тонкой очистки КИС 0118150 и насос дозатор КИС 0118530
Установка гидронасосов КИЛ 0118420
Гидроцилиндр КИЛ 0118460
Гидроцилиндр КИЛ 0118470
Гидроцилиндр КИЛ 0118600Б
Гидрозамки КИС 0118620 и КИС 0118630
Гидроцилиндр КИС 0118720А
Гидроцилиндр КИС 0118760
Леникс КИС 0124000Б и его установка
Устройство натяжное КИС 0125000Б
Механизм привода адаптеров
Контропривод главный КИЛ 0139000А
Аппарат питающе-измельчающий КИЛ 0150000
Аппарат измельчающий КИЛ 0150010
Аппарат измельчающий. Барабан
Аппарат питающий. Каркас
Вальцы верхние КИЛ 0103010
Вальцы верхние КИЛ 0103520
Вальцы нижние КИС 0103090В
Аппарат измельчающий со швырялкой КИЛ 0103170
Аппарат измельчающий КИЛ 0103410
Барабан измельчающий КИС 0103160Б
Швырялка. Каркас и основание силосопровода КИЛ 0102000
Крылач и опора крылача КИС 0102090А
Силосопровод КИС 0105000Г и механизм поворота КИС 0102150А
Устройство заточное КИС 0135000А
Механизмы вывешивания КИЛ 0126000 и КИЛ 0141000
Рама, ограждения и режущий аппарат жатки для уборки трав
Шнек КИС 020Й000В
Мотовило КИС 0203000Б
Контрпривод
Аппарат режущий КИС 0205000В
Привод режущего аппарата
Устройства натяжные КИЛ 0214000, КИС 0213000Б, КИС 0215000А
Привод ножа КИЛ 0216020
Опора промежуточная КИС 0216040
Тележка передняя КИС 0208000А
Тележка задняя КИЛ 0209000
Жатка для уборки кукурузы КИЛ 0600000
Рама, ограждение, поддон
Мотовило КИЛ 0602000
Аппарат режущий КИС 0603000Б
Транспортер КИС 0604000Б
Установка питающего аппарата
Аппарат питающий КИС 0605000Б
Установка шнека
Контрпривод
Механизм натяжения и щитки правой стороны
Привод полевого делителя
Балка ЖКЛ 0900000
Привод режущего аппарата
Ножи полевого делителя
Установка шкива натяжного КИЛ 0620000
Гидросистема жатки для уборки кукурузы
Общий вид подборщика
Рама, башмаки, стойка подборщика
Шнек КИС 0902000А и его установка
Устройство подбирающее КИЛ 0903000
Редуктор КИС 0904000Б
Привод рабочих органов шнека
Инструмент и принадлежности
Схема расположения ремней и цепей самоходного измельчителя
Схема расположения ремней и цепей жатки для уборки трав
Схема расположения ремней и цепей жатки для уборки кукурузы
Схема расположения ремней и цепей подборщика
Схема расположения подшипников самоходного измельчителя
Схема расположения подшипников сменного измельчающего аппарата со швырялкой
Схема расположения подшипников жатки для уборки трав
Схема расположения подшипников жатки для уборки кукурузы
Схема расположения подшипников подборщика
1
2
3
4
5
6
7
8
9
10
11
12
13
14
15
16
17
18
19
20
21
22
23
24
25
25
26
26
27
28
29
30
31
32
33
33
34
35
36
37
38
39
40
42
42
43
44
45
46
47
48
49
50
50
Позиция на иллюстрации
Заводской номер детали
Название детали
50-3401060
50-3401060
Кардан
70-3401050Б
70-3401050Б
Вал
70-3401080Б
70-3401080Б
Труба
КИС 0119840В
КИС 0119840В
Рычаг управления
70-3401085
70-3401085
Рычаг
КИС 0119990В
КИС 0119990В
Ось
КИС 0119850Б
КИС 0119850Б
Крышка
КИС 0119230Б
КИС 0119230Б
Колонка управления
КИС 0119830Б
КИС 0119830Б
Привод управления
1
КИС 0119190Б
Вал
2
КИС 0119220Б
Корпус
3
КИЛ 0119290Б
Крышка
4
КИС 0119890Б
Каркас
5
66-3402015-02
Колесо
6
70-3401020
Труба в сборе
7
70-3401040
Зажим
8
70-3401055
Вал промежуточный
9
КИС 0119011В
Крышка
10
КИС 0119015Б
Пластина
11
КИС 0119017Б
Пепельница
12
КИС 0119109В
Кольцо
13
КИС 0119304Б
Стойка
14
КИС 0119637В
Рычаг
15
КИС 01196826
Гайка
16
КИС 0119694Б
Ось
17
50-3401061А
Вилка
18
50-3401062
Крестовина
19
50-3401063
Обойма
20
50-3401064
Сальник
21
70-3401028
Шайба
22
70-3401054 Б
Хвостовик вала
23
70-3401067
Пружина №392 ГОСТ 13771-68
24
70-3401074-6
Вал рулевой
25
70-3401076
Втулка
26
70-34010776
Амортизатор
27
70-3401078
Гайка
28
70-3401079
Контргайка
29
70-3401083
Рычаг
30
70-3401084
Тяга
31
КИС 0119615
Фиксатор
32
70-3401089
Винт
33
70-3401093
Наконечник рычага
34
904700УС17
Роликоподшипник
35
М8х40.56.019
Болт ГОСТ 7796-70
36
М16х1,5.6Н.019
Гайка ГОСТ 2526-70
37
М27х2.6Н6.019
Гайка ГОСТ 2526-70
38
М8.6Н.6.019
Гайка ГОСТ 5915-70
39
8.65Г.019
Шайба ГОСТ 6402-70
40
16.65Г.019
Шайба ГОСТ 6402-70
41
6.01.019
Шайба ГОСТ 6958-78
42
1,6х12.019
Шплинт ГОСТ 397-79
43
6Пр2(2)ах36
Штифт ГОСТ 3128-70
44
8Пр2(2а)х36
Штифт ГОСТ 3128-70
45
А4-16
Шуруп ГОСТ 1144-70
46
Б19
Кольцо ГОСТ-13943-68
47
1.2.Ц6 хр
Масленка ГОСТ 19853-74
48
22-6С3х18
Ось ГОСТ 9650-71
49
5х5х16
Шпонка ГОСТ 23360-75
50
сегм. 5х10
Шпонка ГОСТ 24071-80
Содержащиеся в справочниках-каталогах запасные части и детали не предлагаются к продаже, а носят исключительно информационный характер
Дополнительная информация
×
Название:
Номер:
Примечание: