Вернуться на главную
Поиск
Каталоги запчастей к технике
Сельхозтехника
Гомсельмаш
КСК-100А-3
КИЛ-1-0116450 Блок радиаторов
Каталог запасных частей к технике: Гомсельмаш КСК-100А-3. КИЛ-1-0116450 Блок радиаторов
zoom-in
zoom-out
enlarge
shrink
circle-right
circle-left
file-text2
info
cart
Тип техники
Не выбрано
Легковые автомобили
Грузовые автомобили и прицепы
Автобусы
Сельхозтехника
Спецтехника
Двигатели
Мототехника
Марка
Не выбрано
AGCO
Amity
CASE IH
DongFeng
Fortschritt
Foton
Franz Kleine
Gaspardo
Great Plains
KRONE
KUHN
Lemken
Lovol
MacDon
Massey Ferguson
New Holland
TIGARBO
Vaderstad
Versatile
Wirax
Агро
Агротехмаш
Бобруйскагромаш (ОАО «УКХ «Бобруйскагромаш»)
БЭМЗ
ВгТЗ
Воронежсельмаш
ВТЗ
Гомсельмаш
ДКЗ
ЗАО "Техника-сервис"
ЗиД
КЗК
Кировец-Ландтехник
Клевер
Красная Звезда
Лидагропроммаш
Лидсельмаш
ЛТЗ
Машстройхолдинг
Минитракторы
Мордовагромаш
МТЗ
Навигатор-Новое машиностроение
Нефтекамский автозавод
ПТЗ
Ремком
РСМ
Сибсельмаш
ТеКЗ
ТКЗ
ХЗТСШ
ХТЗ
ЮМЗ
Модель
Не выбрано
FS80-2 (2017)
KЗС-812 (2016)
KЗС-812 (2017)
KЗС-812 (2018)
KЗС-812 (2021)
KЗС-812 (ПАЛЕССЕ GS812 PRO) (2022)
KЗС-812 (ПАЛЕССЕ GS812) (2021)
KС-100 (2020)
KС-100 (2021)
KС-100 (2022)
KС-150С (2022)
KС-200 (2017)
MS280F (2022)
ЖГР-4.5-1 (2011)
ЖГР-4.5-1 (2018)
ЖЗК-5-1 (2021)
ЖЗК-5-2 (2021)
ЖЗК-6-5 (2008)
ЖЗК-6-5 (2020)
ЖЗК-7-5 (2008)
ЖЗК-7-5 (2011)
ЖЗК-7-7 (2020)
ЖЗК-9 (2020)
ЖЗС-6, 7 (2010)
ЖЗС-9-1 (2018)
ЖЗС-9-2 (2018)
ЖЗС-9-2 (2020)
ЖЗС-9-2 (2021)
ЖР-5 (2021)
КВК-1-0900000 (2018)
КВК-1-0900000 (2021)
КВК-6025 (2015)
КВК-800 (FS80) (2017)
КВК-800 (FS80-2) (2010)
КВК-800 (FS80-2) (2014)
КВК-800 (FS80-5) (2013)
КВК-800 (FS80-5) (2016)
КВК-800 (FS80-7) (2017)
КВК-800 ПАЛЕССЕ FS80-2 (2019)
КВК-800-8 ПАЛЕССЕ FS80-8 (2018)
КВК-800-8 ПАЛЕССЕ FS80-8 (2021)
КВК-8060 (2012)
КВК-8060 (2017)
КВК-8060 (2021)
КВК-8060 (2021)
КВС-1-3900000 (2007)
КВС-4-3900000 (2010)
КГС-0200000 (2010)
КГС-0800000 (2010)
КГС-0900000 (2010)
КДП-3000 Палессе FT40 (2008)
КЗР-10 (2007)
КЗС-10К (ПОЛЕСЬЕ) (2005)
КЗС-10К Палессе GS10 (2012)
КЗС-10К Палессе GS10 (2013)
КЗС-10К Палессе GS10 (2018)
КЗС-10К Палессе GS10 (2021)
КЗС-1218 (ПАЛЕССЕ GS12) дополнение 1 (2020)
КЗС-1218 (ПАЛЕССЕ GS12) дополнение 2 (2020)
КЗС-1218 часть 1 (2013)
КЗС-1218 часть 2 (2013)
КЗС-1218А-1 (2015)
КЗС-1218А-1 (2018)
КЗС-1218А-1 (2019)
КЗС-1218А-1 (ПАЛЕССЕ GS12 А1) Дополнение (2020)
КЗС-1420 часть 1 (2014)
КЗС-1420 часть 2 (2014)
КЗС-1624-1 (2014)
КЗС-1624-1 (2017)
КЗС-2124КР (2018)
КЗС-3221КР ПАЛЕССЕ GH800 (2021)
КЗС-4118К ПАЛЕССЕ GS 4118 (2019)
КЗС-575 (2016)
КЗС-7 (2010)
КЗС-812 (2013)
КЗС-812С (2011)
КЗС-812С (2014)
КОК-6 (2011)
КОК-6-3, КОК-6-3-01, КОК-6-3-02 (2020)
КОК-8-2 (2012)
КОК-8-4 (2018)
КПК Полесье-3000
КПК Полесье-3000 (2006)
КПК-3000 (ПАЛЕССЕ FH40) (2010)
КПК-3000А (Палессе FH40A) (2010)
КПР-6 (2005)
КПР-9 Полесье-СН-90 (2006)
КСК-100А (2002)
КСК-100А-3 (2005)
КСК-600 (2007)
КСК-600 (2011)
КСК-600 (2015)
КСК-600 (2017)
КСК-600А (2020)
КСН-6 (2005)
ПЗ (2019)
ПКК-0200000А-06 (2010)
ПКК-0350000 (2010)
ПКК-0400000А (2010)
ПКК-0460000 (2010)
ПКК-1-0350000А (2010)
ПР (2019)
ПР-9 (2021)
Приспособление ПР-4 (2013)
СТВ-12 (2005)
УЭС Полесье-250 (2006)
УЭС-2-250А (2010)
УЭС-2-280А (2010)
УЭС-2-280А (2018)
УЭС-2-280А ПАЛЕССЕ 2U280А (2020)
УЭС-280 (2017)
УЭС-280 ПАЛЕССЕ U280 (2020)
Схема
>
Не выбрано
КИЛ-1-0110000 Измельчитель самоходный (общий вид)(лист1)
КИЛ-1-0110000 Измельчитель самоходный (общий вид)(лист2)
КИЛ-1-0110000 Измельчитель самоходный (общий вид)(лист3)
КИЛ-1-0110000 Измельчитель самоходный (общий вид)(лист4)
КИЛ 0120000-03 Кабина (вид сбоку)
КИЛ 0120000-03 Кабина (вид сзади)
КИС 0120180Б-01 Вентиляционная установка
КИС 0140430 Электрооборудование вентустановки
КИС 0147050А Крышка люка
КИС 0147130 Контейнер радиоприемника
КИС 0147150 Панель воздухораспределительная
КИС 0147540-01 Вентилятор
КИС 0120280Б Установка зеркала
КИЛ 0116090 Воздухозаборник вращающийся
КИЛ 0128000-06 Установка капотов (лист 1)
КИЛ 0128000-06 Установка капотов (лист 2)
КИС 0117000Б Трап
КИЛ-1-0116000 Установка дизеля ЯМЗ-238АМ2-3 (вид справа)
КИЛ-1-0116000 Установка дизеля ЯМЗ-238АМ2-3 (вид спереди)
КИЛ-1-0116000 Установка дизеля ЯМЗ-238АМ2-3 (вид слева)
КИЛ-1-0116000 Установка дизеля ЯМЗ-238АМ2-3 (уст.генер.)
КИЛ-1-0116020 Радиатор масляный
КИЛ-1-0123000А Установка топливного бака
КИЛ-1-0144150 Механизм останова двигателя
КИЛ-1-0116120 Механизм натяжения
КИЛ-1-0116450 Блок радиаторов
КИЛ-1-0116350 Радиатор водяной
КИЛ 0107000 Мост ведущих колес
КИЛ 0109000 Мост управляемых колес
КИЛ 0113000 Редуктор конический (лист 1)
КИЛ 0113000 Редуктор конический (лист 2)
КИЛ 0107130 Мост
КИЛ 0114000 Коробка передач (лист 1)
КИЛ 0114000 Коробка передач (лист 2)
КИС 0107120 Коробка передач
КИС 0219000А Вал карданный
КИЛ 0107160А Дифференциал
КИС 0108020А Гидромотор
54-4-3 Редуктор бортовой левый
54-4-4 Редуктор бортовой правый
54-4-3-1, 54-4-4-1 Тормоз левый и правый
54-4-4-1-4, 54-4-4-1-5 Цилиндры тормозные
УЭС-4-0400440 Эжектор
КИЛ-1-0138000 Гидросистема рулевого управления и силовых гидроцилиндров (лист 1)
КИЛ-1-0138000 Гидросистема рулевого управления и силовых гидроцилиндров (лист 2)
КИЛ-1-0138000 Гидросистема рулевого управления и силовых гидроцилиндров (лист 3)
КИЛ 0108000Б–06 Гидросистема ходовой части
КИЛ-1-0000000Э3 Схема электрическая принципиальная (лист 1)
КИЛ-1-0000000Э3 Схема электрическая принципиальная (лист 2)
КИЛ-1-0000000Э3 Схема электрическая принципиальная (лист 3)
КИЛ 0142000 Контрпривод
КИЛ 0143000 Установка вала
КИЛ 0149100 Контрпривод
КИЛ 0150000 Аппарат питающе-измельчающий (лист 1)
КИЛ 0150000 Аппарат питающе-измельчающий (лист 2)
КИЛ 0103010 Вальцы верхние
КИЛ 0103560 Валец задний
КИС 0103720 Валец передний
КИС 0103090В Вальцы нижние
КИЛ 0103470 Устройство натяжное
КИЛ 0150550 Аппарат измельчающий
КИЛ 0150010А Аппарат измельчающий (лист 1)
КИЛ 0150010А Аппарат измельчающий (лист 2)
КИЛ 0150400А Барабан
КИС 0150640 Вал с муфтой
КИС 0150140 Муфта
КИС 0135000А Устройство заточное
КИС 0102150 Механизм поворота силосопровода
КИС 0105000Д Силосопровод
КИС 0105440 Устройство натяжное
КИС 0105740 Натяжное устройство
КИЛ 0144000-06 Площадка управления
КИЛ 0119010 Механизм реверса редуктора (лист 1)
КИЛ 0119010 Механизм реверса редуктора (лист2)
КИЛ 0119050 Механизм управления КПП
КИЛ 0119060А-01 Механизм управления тормозами
КИЛ 0119100-02 Механизм блокировки КПП
КИЛ 0119240А-01 Механизм управления гидронасосом SPV – 23
КИЛ 0119390А Привод стояночного тормоза
КИЛ 0144230 Колонка управления
КИЛ-1-0144140 Механизм подачи топлива
КИС 0119690 Переключатель света
КИС 0200000Б Жатка для уборки трав
КИС 0201000В Рама. Ограждения, щитки и башмаки
КИС 0211000В КИС 0212000В Ограждения
КИС 0202010Е Установка шнека (лист 1)
КИС 0202010Е Установка шнека (лист 2)
КИС 0202090А-01 Муфта фрикционная
КИС 0202150 Шкив
КИС 0203000В Мотовило (лист 1)
КИС 0203000В Мотовило (лист 2)
КИС 0203020Б Граблина
КИС 0203030Б Граблина
КИС 0203040В Дорожка
КИС 0203050Б Плита с подшипником
МКС 1905010 Муфта обгонная
МКС 0533000 Установка устройства натяжного
Привод шнека и колебателя
КИС 0204000Б Контрпривод
КИС 0204010А Шкив
КИС 0214000В Устройство натяжное
КИС 0215000Б Устройство натяжное
Привод режущего аппарата (слева)
Привод режущего аппарата (справа)
КИС 0205000В Аппарат режущий
КИС 0205010Б Нож левый
КИС 0205040В Нож правый
КИС 0216020Б Привод ножа
КИС 0216030Б Колебатель
КИС 0216040Б Опора промежуточная
Установка валов привода КИС 0232000 и КИС 0232000–01
КИС 0232000 Вал привода
КИС 0232000-01 Вал привода
КИС 0208000А Тележка передняя
КИС 0209000А Тележка задняя
КИС 0600000Б Жатка для уборки кукурузы
КИС 0601000Г Рама жатки
КИС 0602000Б Мотовило
КИС 0603000Б Аппарат режущий
Привод режущего аппарата
КИС 0604000Б-01 Транспортер
КИС 0605000В Аппарат питающий
Установка питающего аппарата
Установка шнека КИС 0606010Д
КИС 0202090А Муфта фрикционная
КИС 0607000В Контрпривод
КИС 0626000 Ролик натяжной и щитки правой боковины
КИС 0635000 Привод делителя
Брусья подвижные и неподвижные
ЖКЛ 0900000 Балка передняя
Установка шкива натяжного КИС 0620000Б
Гидросистема жатки
КИС 0900000А Подборщик
КИС 0901000В Рама, КИС 0913000Б Стойка, КИС 0908000Б Башмаки
КИС 0901000В Рама, КИС 0910000Б Ограждение правое, КИС 0915000Б
КИС 0915000Б Устройство прижимное
Установка скатов КИС 0911000Б, КИС 0912000Б и КИС 0900401А
Установка шнека КИС 0902000А
КИС 0902000А Шнек
Установка устройства подбирающего КИС 0903000Б
КИС 0903000Б Устройство подбирающее
КИС 0903020А Эксцентрик с роликом
КИС 0903060А Граблина
КИС 0904000Б Редуктор
КИС 0904010Б Колесо
КИС 0907000А Стяжка
Установка контрпривода КИС 0905000Б
КИС 0905000Б Контрпивод
КИС 0122000А Устройство прицепное
КИС 0124000В Леникс
Натяжение цепи привода шнека
Самоходный измельчитель комбайна КСК-100А-3
Комбайн самоходный кормоуборочный КСК-100А-3 с адаптерами
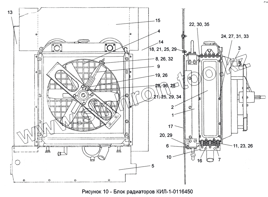
КИЛ-1-0116450
1
2
3
4
5
6
7
8
9
10
11
13
14
15
16
17
18
19
20
21
21
22
23
24
25
25
26
26
26
27
28
28
29
29
29
30
31
32
33
34
35
36
Позиция на иллюстрации
Заводской номер детали
Название детали
КИЛ-1-0116450
КИЛ-1-0116450
Блок радиаторов
1
КИЛ-1-0116020
Радиатор масляный
2
КИЛ-1-0116350
Радиатор водяной
3
КИЛ 0106300
Привод вентилятора
4
КИЛ 0106990
Решетка
5
КИЛ-1-0116007
Пластина
6
КИЛ-1-0116419
Пластина
7
КИЛ 0106015
Прокладка
8
КИЛ 0106037
Втулка
9
КИЛ 0106642
Шпилька
10
КИЛ 0106712
Уголок
11
КИЛ 0106815
Втулка
12
КИЛ 0119652-02
Вилка
13
КИС 0106006Б
Пластина правая
14
КИС 0106008
Пластина
15
КИС 0106011Б
Пластина верхняя
16
КИС 0106407
Пластина
17
КИС 0106511
Накладка
18
КИС 0106512
Накладка
19
КИС 0119318Б-04
Вилка
20
Болт М8-6ех20 -7796
Болт М8-6ех20 -7796
21
Болт М8-6ех25 -7796
Болт М8-6ех25 -7796
22
Болт М10-6ех20 -7796
Болт М10-6ех20 -7796
23
Болт М10-6ех60 -7796
Болт М10-6ех60 -7796
24
Болт М12-6ех30 -7796
Болт М12-6ех30 -7796
25
Гайка М8.6G -5915
Гайка М8.6G -5915
26
Гайка М10.6G -5915
Гайка М10.6G -5915
27
Гайка М12.6G -5915
Гайка М12.6G -5915
28
Ось 6-10b12х36 -9650
Ось 6-10b12х36 -9650
29
Шайба 8Т 65Г -6402
Шайба 8Т 65Г -6402
30
Шайба 10Т 65Г -6402
Шайба 10Т 65Г -6402
31
Шайба 12Т 65Г -6402
Шайба 12Т 65Г -6402
32
Шайба А.10 -6958
Шайба А.10 -6958
33
Шайба А.12 -6958
Шайба А.12 -6958
34
Шайба С.8 -11371
Шайба С.8 -11371
35
Шайба С.10 -11371
Шайба С.10 -11371
36
Шплинт 2,5х18 -397
Шплинт 2,5х18 -397
Содержащиеся в справочниках-каталогах запасные части и детали не предлагаются к продаже, а носят исключительно информационный характер
Дополнительная информация
×
Название:
Номер:
Примечание: