Каталог запасных частей к технике: Гомсельмаш KС-150С. Установка топливного оборудования КС-150С-0123000
КС-150C-0123000
1
2
3
4
5
6
7
7
7
8
9
10
11
12
13
13
14
15
16
17
18
18
19
20
21
22
23
23
23
24
25
26
27
28
29
29
29
30
30
30
30
31
32
33
34
35
36
36
37
37
38
39
40
40
41
42
43
43
44
44
45
45
45
46
46
46
46
47
48
48
48
49
50
51
52
52
52
53
53
53
54
55
55
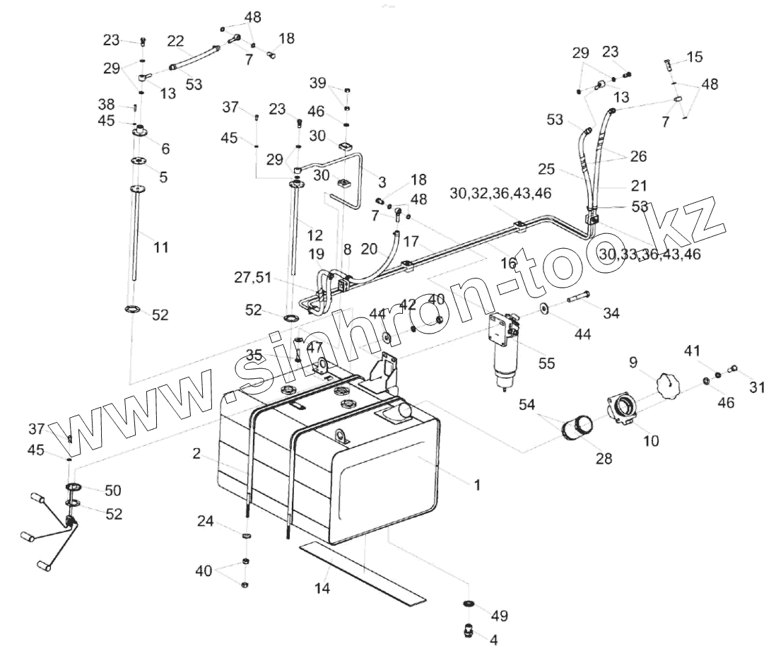
| Позиция на иллюстрации | Заводской номер детали | Название детали | |
|---|---|---|---|
| КС-150C-0123000 | КС-150C-0123000 | Установка топливного оборудования | |
| 1 | КС-150C-0123010 | Бак топливный | |
| 2 | КС-150C-0123060 | Хомут | |
| 3 | КС-150C-0123100 | Топливопровод заборный | |
| 4 | КВС-1-0103180 | Клапан сливной | |
| 5 | КВС-1-0103360 | Клапан | |
| 6 | КВС-1-0103370 | Корпус | |
| 7 | КВС-2-0103640 | Штуцер | |
| 8 | КГС 0115770-02 | Хомут | |
| 9 | КИС 0108610 | Крышка | |
| 10 | КС-100-0123020А | Горловина | |
| 11 | КС-100-0123100 | Труба | |
| 12 | КС-100-0123110 | Труба | |
| 13 | УЭС 0500200 | Штуцер | |
| 14 | КС-150С-0123001 | Прокладка | |
| 15 | КС-150С-0123601 | Болт | |
| 16 | КС-150С-0123801 | Топливопровод заборный | |
| 17 | КС-150С-0123802 | Топливопровод сливной | |
| 18 | КВС-2-0103601 | Болт специальный | |
| 19 | КВС-5-0103004 | Рукав 12х20-1,6-10362 | |
| 20 | КВС-5-0103007 | Рукав | |
| 21 | КЗК-10-0126005 | Рукав | |
| 22 | КЗК-12-0126005 | Рукав 12х20-1,6-10362 | |
| 23 | КИС 0118623А | Болт специальный | |
| 24 | КПР 6100605 | Шайба | |
| 25 | КПС-4-0126008 | Рукав | |
| 26 | ОПЛ 0600016-07 | Оплетка | |
| 27 | ОПЛ 0600016-12 | Оплетка | |
| 28 | РНД 0760004-14 | Рукав | |
| 29 | УЭС 0500003-01 | Шайба | |
| 30 | УЭС 0602012А | Брус | |
| 31 | Болт М8-6eх20 – 7796 | Болт | |
| 32 | Болт М8-6eх50 – 7796 | Болт | |
| 33 | Болт М8-6eх55 – 7796 | Болт | |
| 34 | Болт М12-6eх75 – 7796 | Болт | |
| 35 | Болт М8-6eх40 – 7802 | Болт | |
| 36 | Болт М8-6eх45 – 7802 | Болт | |
| 37 | Винт B.М5-6eх14 – 17473 | Винт | |
| 38 | Винт B.М5-6eх25 – 17473 | Винт | |
| 39 | Гайка М8-6G – 5915 | Гайка М8-6G – 5915 | |
| 40 | Гайка М12-6G – 5915 | Гайка М12-6G–5915 | |
| 41 | Шайба 8Т 65Г – 6402 | Шайба 8Т 65Г – 6402 | |
| 42 | Шайба 12Т 65Г – 6402 | Шайба 12Т 65Г – 6402 | |
| 43 | Шайба C 8.01 – 6958 | Шайба | |
| 44 | Шайба C 12.01 – 6958 | Шайба | |
| 45 | Шайба C.5.01 – 11371 | Шайба | |
| 46 | Шайба C.8.01 – 11371 | Шайба | |
| 47 | Шайба C.10.01 – 11371 | Шайба | |
| 48 | Прокладка 16 АД0 – 23358 | Прокладка | |
| 49 | Прокладка 30 М3 – 23358 | Прокладка | |
| 50 | ДУТТ-492М1С | Датчик уровня топлива трубчатый | |
| 51 | 2-0160981-2 | Лента стяжная | |
| 52 | 200-3806026 | Прокладка | |
| 53 | Хомут червячный TORRO 12-22/9 C7W3 | Хомут червячный TORRO 12-22/9 C7W3 | |
| 54 | Хомут червячный TORRO 80-100/9 C7W2 | Хомут червячный | |
| 55 | 1165164S01 | Фильтр топливный | |
| 55 | FH22185 | Фильтр топливный |
Содержащиеся в справочниках-каталогах запасные части и детали не предлагаются к продаже, а носят исключительно информационный характер