Каталог запасных частей к технике: Гомсельмаш КПР-9 Полесье-СН-90. Редуктор КПР 9303000
1
2
3
4
5
6
7
8
9
10
11
12
13
14
15
16
17
18
19
20
21
21
22
22
23
23
24
25
26
26
27
28
29
30
31
32
33
33
34
35
35
36
37
38
39
40
41
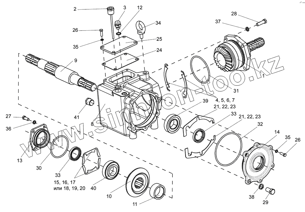
| Позиция на иллюстрации | Заводской номер детали | Название детали | |
|---|---|---|---|
| КПП 0104020 | КПП 0104020 | Крышка | |
| КПР 9303000 | КПР 9303000 | Редуктор | |
| ПКК 0135130А | ПКК 0135130А | Крышка | |
| 1 | КПР 9303010 | Стакан | |
| 2 | КПР 9303030 | Маслоуказатель | |
| 3 | РФ 00.01.000 | Сапун | |
| 4 | КПР 6203501 | Прокладка | |
| 5 | КПР 6203501-01 | Прокладка | |
| 6 | КПР 6203501-02 | Прокладка | |
| 7 | КПР 6203501-03 | Прокладка | |
| 8 | КПР 9303101 | Корпус | |
| 9 | КПР 9303601 | Вал | |
| 10 | КПР 9303605 | Шестерня | |
| 11 | КЗР 0218653Б | Втулка | |
| 12 | КИС 0118005 | Прокладка | |
| 13 | КПП 0104106 | Крышка | |
| 14 | КПП 0135206 | Крышка | |
| 15 | КРН 0400502 | Прокладка регулировочная | |
| 16 | КРН 0400502-01 | Прокладка регулировочная | |
| 17 | КРН 0400502-02 | Прокладка регулировочная | |
| 18 | КУЖ 0104407 | Прокладка регулировочная | |
| 19 | КУЖ 0104407-01 | Прокладка регулировочная | |
| 20 | КУЖ 0104407-02 | Прокладка регулировочная | |
| 21 | ПКК 0135508 | Прокладка регулировочная | |
| 22 | ПКК 0135508-01 | Прокладка регулировочная | |
| 23 | ПКК 0135508-02 | Прокладка регулировочная | |
| 24 | ПКК 0202001 | Прокладка | |
| 25 | ПКК 0202439 | Крышка | |
| 26 | М8-6ех25-7796 | Болт | |
| 27 | М10-6ех25-7796 | Болт | |
| 28 | М12-6ех35-7796 | Болт | |
| 29 | М16-6ех25-7796 | Болт | |
| 30 | 094-100-36-2-2-18829/9833 | Кольцо | |
| 31 | 115-125-58-2-2-18829/9833 | Кольцо | |
| 32 | 145-150-30-2-2-18829/9833 | Кольцо | |
| 33 | 2.2-40х60х1-8752 | Манжета | |
| 34 | М12.019-4751 | Рым-болт | |
| 35 | 8Т 65Г-6402 | Шайба | |
| 36 | 10Т 65Г-6402 | Шайба | |
| 37 | 12Т 65Г-6402 | Шайба | |
| 38 | 16 65Г-6402 | Шайба | |
| 39 | 7208А-27365 | Подшипник | |
| 40 | 7309А-27365 | Подшипник | |
| 41 | "КГ 1/4"" 10кп. 016" | Пробка |
Содержащиеся в справочниках-каталогах запасные части и детали не предлагаются к продаже, а носят исключительно информационный характер