Каталог запасных частей к технике: Гомсельмаш КПР-6. Устройство бильное (КПР6202000)
1
2
3
4
5
6
6
7
7
8
9
9
9
10
10
10
10
11
11
11
11
11
16
17
17
18
18
18
18
18
19
20
20
20
20
21
21
22
23
24
25
25
26
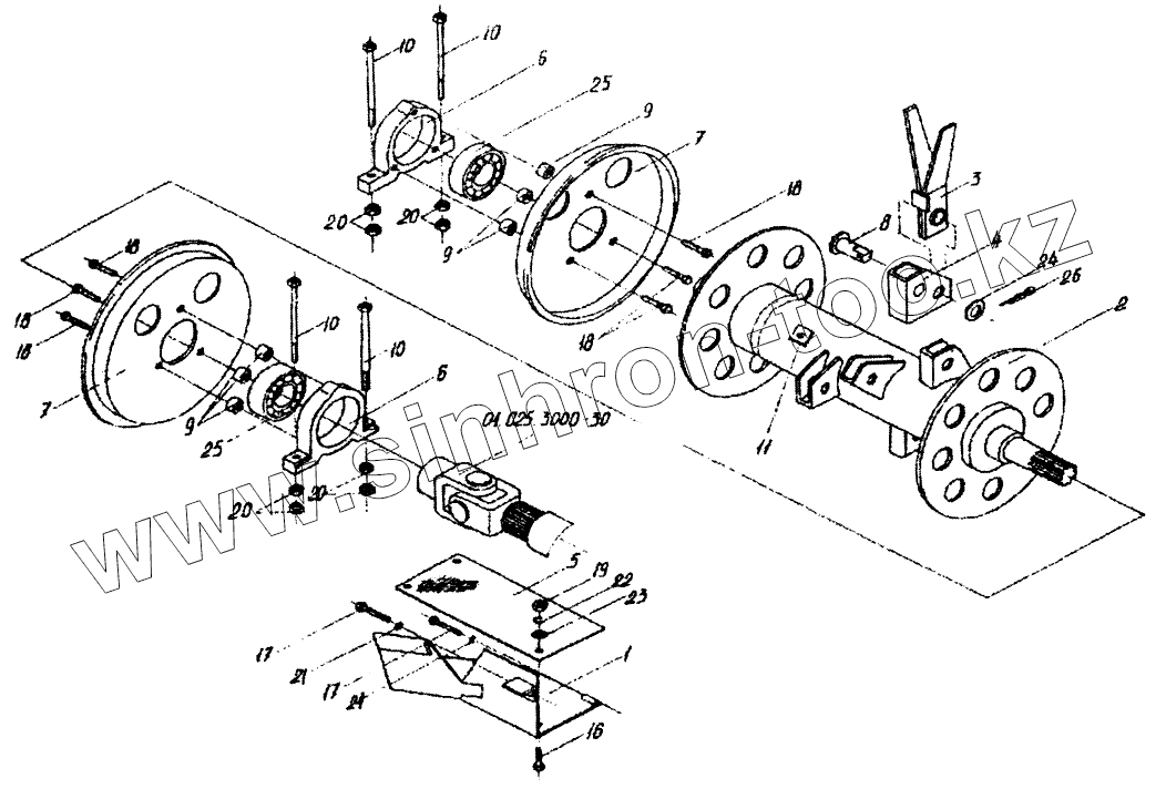
| Позиция на иллюстрации | Заводской номер детали | Название детали | |
|---|---|---|---|
| КПР6202070 | КПР6202070 | Опора | |
| КПР6000030 | КПР6000030 | Ограждение | |
| 1 | КПР6000040 | Ограждение | |
| 2 | КПР6202020 | Вал | |
| 3 | КПР6202040 | Бич | |
| 4 | КПР6202060 | Демпфер | |
| 5 | КПР6200011 | Щиток | |
| 6 | КПР6202201 | Корпус подшипника | |
| 7 | КПР6202403 | Тарелка | |
| 8 | КПР6202601 | Ось | |
| 9 | КПР6202801 | Втулка | |
| 10 | КПР6224000 | Болт | |
| 11 | КИС0150533А-02 | Грузик балансировочный | |
| 11 | КИС0150533А-03 | Грузик балансировочный | |
| 11 | КИС0150533А-04 | Грузик балансировочный | |
| 11 | КИС0150533А-01 | Грузик балансировочный | |
| 11 | КИС0150533А | Грузик балансировочный | |
| 16 | [Болт М8-6gх20-7796] | Болт М8-6gх20-7796 | |
| 17 | [Болт М8-6gх50-7796] | Болт М8-6gх50-7796 | |
| 18 | [Болт М10-6gх35-7796] | Болт М10-6gх35-7796 | |
| 19 | [Гайка М8-6g-5915] | Гайка М8-6g-5915 | |
| 20 | [Гайка М12-6g-5915] | Гайка М12-6g-5915 | |
| 21 | [Шайба 8.65Г-6402] | Шайба 8.65Г-6402 | |
| 22 | [Шайба 8.65Г-6402] | Шайба 8.65Г-6402 | |
| 23 | [Шайба С8.01-11371] | Шайба С8.01-11371 | |
| 24 | [Шайба 18.01-11371] | Шайба 18.01-11371 | |
| 25 | [Подшипник 1680207] | Подшипник 1680207 | |
| 26 | [Шплинт 6,3х32-397] | Шплинт 6,3х32-397 |
Содержащиеся в справочниках-каталогах запасные части и детали не предлагаются к продаже, а носят исключительно информационный характер