Каталог запасных частей к технике: Гомсельмаш КПР-6. Привод режущего аппарата
1
2
3
4
5
6
7
7
7
7
7
7
8
9
10
10
10
10
11
12
12
12
12
12
12
12
12
13
14
15
15
15
15
15
15
15
15
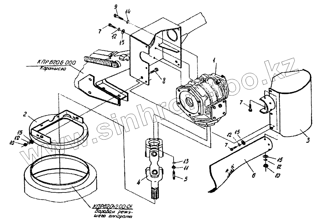
| Позиция на иллюстрации | Заводской номер детали | Название детали | |
|---|---|---|---|
| КПР6215000-01 | КПР6215000-01 | Ограждение | |
| 1 | КПР6203050-01 | Редуктор | |
| 2 | КПР6214000 | Кожух | |
| 3 | КПР6215010-01 | Колпак | |
| 4 | КПР6550000 | Вал карданный | |
| 5 | КПР6200606 | Шпилька | |
| 6 | КПР6215001 | Пластина | |
| 7 | [Болт М8-6gх20-7796] | Болт М8-6gх20-7796 | |
| 7 | [Болт М8-6gх20-7796] | Болт М8-6gх20-7796 | |
| 8 | [Болт М8-6gх25-7796] | Болт М8-6gх25-7796 | |
| 9 | [Болт М16-6gх30-7796] | Болт М16-6gх30-7796 | |
| 10 | [Гайки М8-6g-5915] | Гайки М8-6g-5915 | |
| 10 | [Гайки М8-6g-5915] | Гайки М8-6g-5915 | |
| 11 | [Гайки М10-6g-5915] | Гайки М10-6g-5915 | |
| 12 | [Шайба 8.65Г-6402] | Шайба 8.65Г-6402 | |
| 12 | [Шайба 8.65Г-6402] | Шайба 8.65Г-6402 | |
| 13 | [Шайба 10.65Г-6402] | Шайба 10.65Г-6402 | |
| 14 | [Шайба 16.65Г-6402] | Шайба 16.65Г-6402 | |
| 15 | [Шайба А8.01-6958] | Шайба А8.01-6958 | |
| 15 | [Шайба А8.01-6958] | Шайба А8.01-6958 |
Содержащиеся в справочниках-каталогах запасные части и детали не предлагаются к продаже, а носят исключительно информационный характер