Каталог запасных частей к технике: Гомсельмаш КПК Полесье-3000. Редуктор ПКК 0463000
1
2
3
4
4
5
5
6
6
6
6
7
7
8
8
8
8
8
8
9
10
11
11
12
13
14
15
16
16
16
16
16
16
17
17
18
18
19
20
21
22
22
23
24
24
25
26
26
27
27
28
28
28
28
28
28
29
29
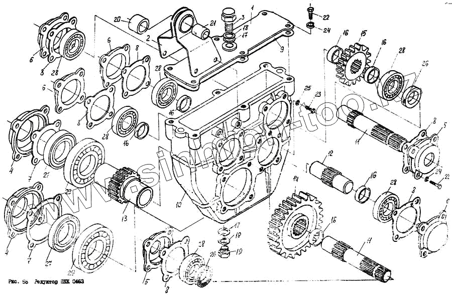
| Позиция на иллюстрации | Заводской номер детали | Название детали | |
|---|---|---|---|
| ПКК 0463000 | ПКК 0463000 | Редуктор | |
| ПКК 0463200 | ПКК 0463200 | Кронштейн в сборе со втулками | |
| 1 | ПКК 0463100 | Крышка | |
| 2 | ПКК 0463210 | Кронштейн | |
| 3 | РФ.00.00.000 | Сапун | |
| 4 | ПКК 0463002 | Крышка | |
| 5 | ПКК 0463003 | Крышка | |
| 6 | ПКК 0463005 | Крышка | |
| 7 | ПКК 0463006 | Прокладка | |
| 8 | ПКК 0463007 | Прокладка | |
| 9 | ПКК 0463008 | Прокладка | |
| 10 | ПКК 0463101 | Корпус | |
| 11 | ПКК 0463601 | Вал | |
| 12 | ПКК 0453602 | Вал | |
| 13 | ПКК 0463603 | Шестерня | |
| 14 | ПКК 0463604 | Колесо | |
| 15 | ПКК 0463605 | Шестерня | |
| 16 | ПКК 0463801 | Втулка | |
| 17 | КУЖ 0110004 | Прокладка | |
| 18 | КУЖ 0110401 | Шайба | |
| 19 | КУЖ 0110615 | Пробка | |
| 20 | ЖКЛ 0000003 | Втулка | |
| 21 | ЖКЛ 0000611 | Втулка | |
| 22 | Болт М8-6ех20.88.019 ГОСТ 7796-70 | Болт М8-6ех20.88.019 ГОСТ 7796-70 | |
| 23 | Болт М12-6ех20.88.019 ГОСТ 7796-70 | Болт М12-6ех20.88.019 ГОСТ 7796-70 | |
| 24 | Шайба 8.65Г.019 ГОСТ 6402-70 | Шайба 8.65Г.019 ГОСТ 6402-70 | |
| 25 | Шайба 12.65Г.019 ГОСТ 6402-70 | Шайба 12.65Г.019 ГОСТ 6402-70 | |
| 26 | Манжета 22-35х58-1 ГОСТ 8752-79/ОСТ 3805 | Манжета 22-35х58-1 ГОСТ 8752-79/ОСТ 3805146-78 | |
| 27 | Манжета 22-50х70-1 ГОСТ 8752-79/ОСТ 3805 | Манжета 22-50х70-1 ГОСТ 8752-79/ОСТ 3805146-78 | |
| 28 | Подшипник 207 ГОСТ 8338-75 | Подшипник 207 ГОСТ 8338-75 | |
| 29 | Подшипник 210 ГОСТ 8338-75 | Подшипник 210 ГОСТ 8338-75 |
Содержащиеся в справочниках-каталогах запасные части и детали не предлагаются к продаже, а носят исключительно информационный характер