Каталог запасных частей к технике: Гомсельмаш КПК Полесье-3000. Редуктор нижних вальцев ПКК 0117000А
1
2
3
4
5
5
6
6
7
8
9
10
11
12
13
14
15
16
17
18
18
19
20
21
22
23
24
25
26
27
28
29
30
31
32
33
34
35
36
36
37
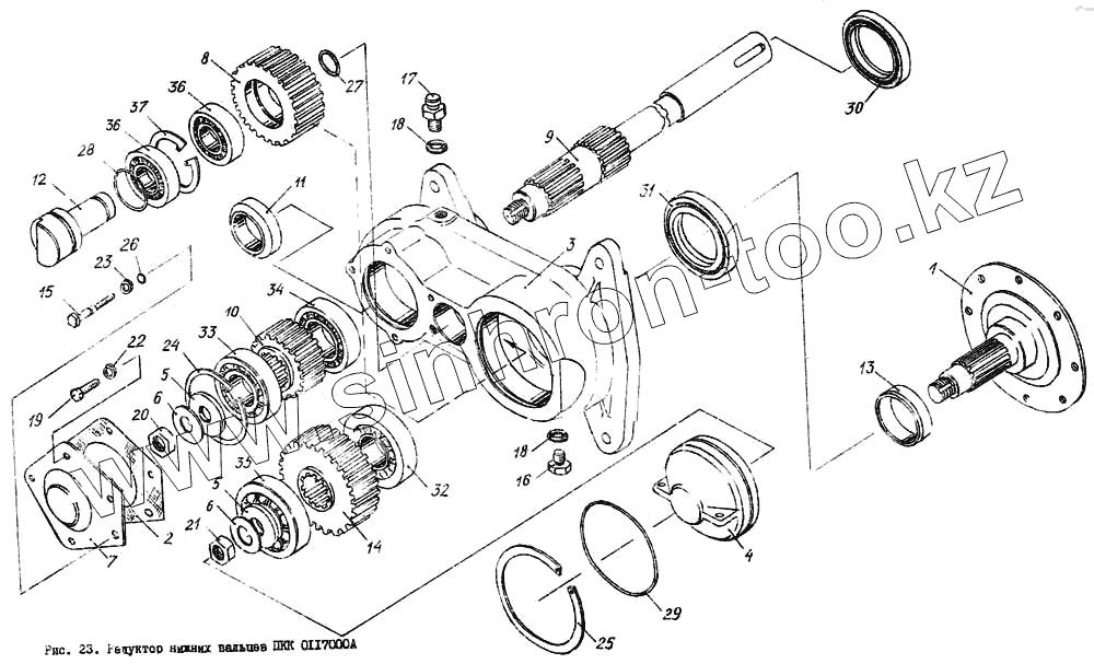
| Позиция на иллюстрации | Заводской номер детали | Название детали | |
|---|---|---|---|
| ПКК.0117050 | ПКК.0117050 | Вал с фланцем и втулкой | |
| ПКК.0117020 | ПКК.0117020 | Вал в сборе | |
| ПКК 0117000А | ПКК 0117000А | Редуктор нижних вальцев | |
| Манжета 8752-79 ОСТ 3805146-78 | Манжета 8752-79 ОСТ 3805146-78 | Манжета 8752-79 ОСТ 3805146-78 | |
| ПКК.0117040 | ПКК.0117040 | Вал со втулкой | |
| ПКК.0117030 | ПКК.0117030 | Колесо зубчатое промежуточное с кольцом и подшипником | |
| 1 | ПКК.0117060 | Вал с фланцем | |
| 2 | ПКК.0117004 | Прокладка | |
| 3 | ПКК.0117202 | Корпус | |
| 4 | ПКК.0117203 | Стакан | |
| 5 | ПКК.0117434 | Шайба | |
| 5 | ПКК.0117434 | Шайба | |
| 6 | ПКК.0117435 | Шайба | |
| 6 | ПКК.0117435 | Шайба | |
| 7 | ПКК.0117437 | Крышка | |
| 8 | ПКК.0117616-А | Колесо зубчатое промежуточное | |
| 9 | ПКК.0119629-А | Вал | |
| 10 | ПКК.0117631-А | Шестерня А | |
| 11 | ПКК.0117630 | Втулка | |
| 12 | ПКК.0117633 | Ось | |
| 13 | ПКК.0117634 | Втулка | |
| 14 | ПКК.0117635 | Колесо зубчатое | |
| 15 | ПКК.0117637 | Болт | |
| 16 | КУЖ 0110615 | Пробка | |
| 17 | РФ.0001000 | Сапун | |
| 18 | РФ 0000002 | Прокладка | |
| 19 | Болт М8-6ех20.88.019 ГОСТ 7796-70 | Болт М8-6ех20.88.019 ГОСТ 7796-70 | |
| 20 | Гайка 1418х1,5-6G.04.16 ГОСТ 2526-70 | Гайка 1418х1,5-6G.04.16 ГОСТ 2526-70 | |
| 21 | Гайка М18х1,5-6G.04.16 ГОСТ 2526-70 | Гайка М18х1,5-6G.04.16 ГОСТ 2526-70 | |
| 22 | Шайба 8.65Г.06 ГОСТ 6402-70 | Шайба 8.65Г.06 ГОСТ 6402-70 | |
| 23 | Шайба 10.65Г.06 ГОСТ 6402-70 | Шайба 10.65Г.06 ГОСТ 6402-70 | |
| 24 | Кольцо В-72 ГОСТ 13941-86 | Кольцо В-72 ГОСТ 13941-86 | |
| 25 | Кольцо В-80 ГОСТ 13941-86 | Кольцо В-80 ГОСТ 13941-86 | |
| 26 | Кольцо 007-10-19-2-2 ГОСТ 18829-73 | Кольцо 007-10-19-2-2 ГОСТ 18829-73 | |
| 27 | Кольцо 019-25-36-2-2 ГОСТ 18829-73 | Кольцо 019-25-36-2-2 ГОСТ 18829-73 | |
| 28 | Кольцо 036-042-36-2-2 ГОСТ 18829-73 | Кольцо 036-042-36-2-2 ГОСТ 18829-73 | |
| 29 | Кольцо 094-100-36-2-2 ГОСТ 18829-73 | Кольцо 094-100-36-2-2 ГОСТ 18829-73 | |
| 30 | Манжета 22-50х70-1 ОСТ 3805146-78 | Манжета 22-50х70-1 ОСТ 3805146-78 | |
| 31 | Манжета 22-52х75-1 ОСТ 3805146-78 | Манжета 22-52х75-1 ОСТ 3805146-78 | |
| 32 | Подшипник 42307КМ ГОСТ 8328-75 | Подшипник 42307КМ ГОСТ 8328-75 | |
| 33 | Подшипник 306К3 ГОСТ 8338-75 | Подшипник 306К3 ГОСТ 8338-75 | |
| 34 | Подшипник 42207 ГОСТ 8328-73 | Подшипник 42207 ГОСТ 8328-73 | |
| 35 | Подшипник 306К3 ГОСТ 8338-75 | Подшипник 306К3 ГОСТ 8338-75 | |
| 36 | Подшипник 42205 ГОСТ 8328-75 | Подшипник 42205 ГОСТ 8328-75 | |
| 37 | Кольцо В-52 ГОСТ 13941-86 | Кольцо В-52 ГОСТ 13941-86 |
Содержащиеся в справочниках-каталогах запасные части и детали не предлагаются к продаже, а носят исключительно информационный характер