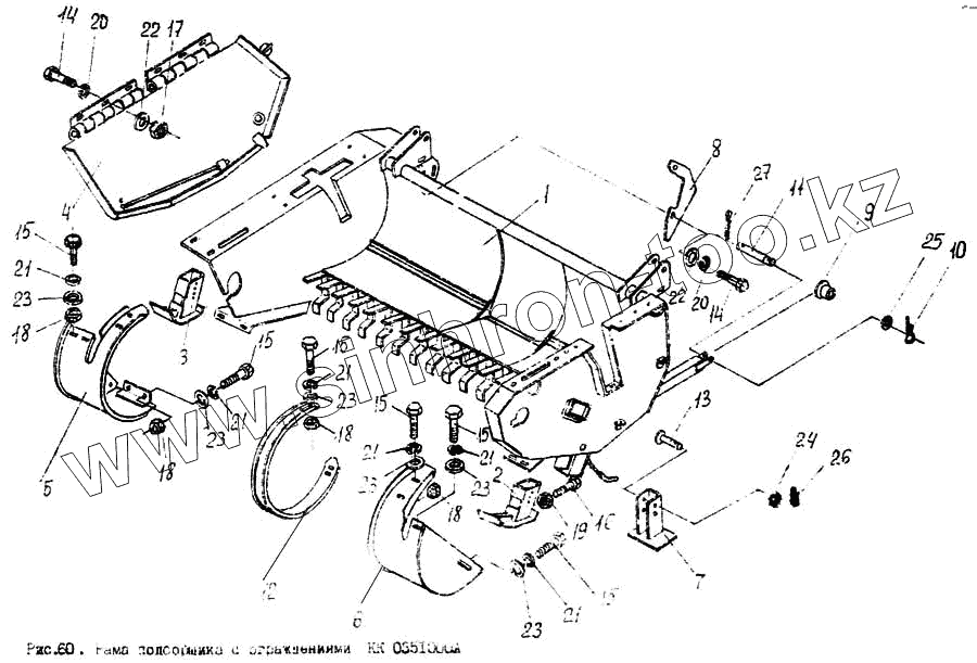
Каталог запасных частей к технике: Гомсельмаш КПК Полесье-3000. Рама подборщика с ограждениями ПКК 0351000A
1
2
3
4
5
6
7
8
9
10
11
12
13
14
14
15
15
15
15
15
15
16
17
18
18
18
18
19
20
20
21
21
21
21
21
21
22
22
23
23
23
23
23
23
24
25
26
27
| Позиция на иллюстрации | Заводской номер детали | Название детали | |
|---|---|---|---|
| 1 | ПКК 0351000А | Рама | |
| 2 | КИС-0908000-Б | Башмак | |
| 3 | КИС 0908000Б-01 | Башмак | |
| 4 | КИС-0910000-Б | Ограждение | |
| 5 | КИС 0911000Б | Скат правый | |
| 6 | КИС0912000Б | Скат левый | |
| 7 | КИС-0913000-Б | Стойка | |
| 8 | ПКК 0350405 | Щиток | |
| 9 | ПКК 0301603 | Ролик | |
| 10 | ПКК 0301604 | Шплинт | |
| 11 | ПКК 0350609 | Ось | |
| 12 | КИС-0900401-А | Скат | |
| 13 | КИС 0908603А | Ось | |
| 14 | Болт М8-6ех20.88.019 ГОСТ 7796-70 | Болт М8-6ех20.88.019 ГОСТ 7796-70 | |
| 15 | Болт М10-6ех25.88.019 ГОСТ 7796-70 | Болт М10-6ех25.88.019 ГОСТ 7796-70 | |
| 16 | Болт М12-6ех25.88.019 ГОСТ 7796-70 | Болт М12-6ех25.88.019 ГОСТ 7796-70 | |
| 17 | Гайка М8-6G.6.019 ГОСТ 5915-70 | Гайка М8-6G.6.019 ГОСТ 5915-70 | |
| 18 | Гайка М10-6G.6.019 ГОСТ 5915-70 | Гайка М10-6G.6.019 ГОСТ 5915-70 | |
| 19 | Гайка М12-6G.6.019 ГОСТ 5915-70 | Гайка М12-6G.6.019 ГОСТ 5915-70 | |
| 20 | Шайба 8.65Г.019 ГОСТ 6402-70 | Шайба 8.65Г.019 ГОСТ 6402-70 | |
| 21 | Шайба 10.65Г.019 ГОСТ 6402-70 | Шайба 10.65Г.019 ГОСТ 6402-70 | |
| 22 | Шайба 8.01.019 ГОСТ 11371-78 | Шайба 8.01.019 ГОСТ 11371-78 | |
| 23 | Шайба 10.01.019 ГОСТ 11371-78 | Шайба 10.01.019 ГОСТ 11371-78 | |
| 24 | Шайба 20.01.019 ГОСТ 11371-78 | Шайба 20.01.019 ГОСТ 11371-78 | |
| 25 | Кольцо В30 ГОСТ 9650-89 | Кольцо В30 ГОСТ 9650-89 | |
| 26 | Шплинт 4х32.019 ГОСТ 397-79 | Шплинт 4х32.019 ГОСТ 397-79 | |
| 27 | Шплинт 6х50.019 ГОСТ 397-79 | Шплинт 6х50.019 ГОСТ 397-79 |
Содержащиеся в справочниках-каталогах запасные части и детали не предлагаются к продаже, а носят исключительно информационный характер