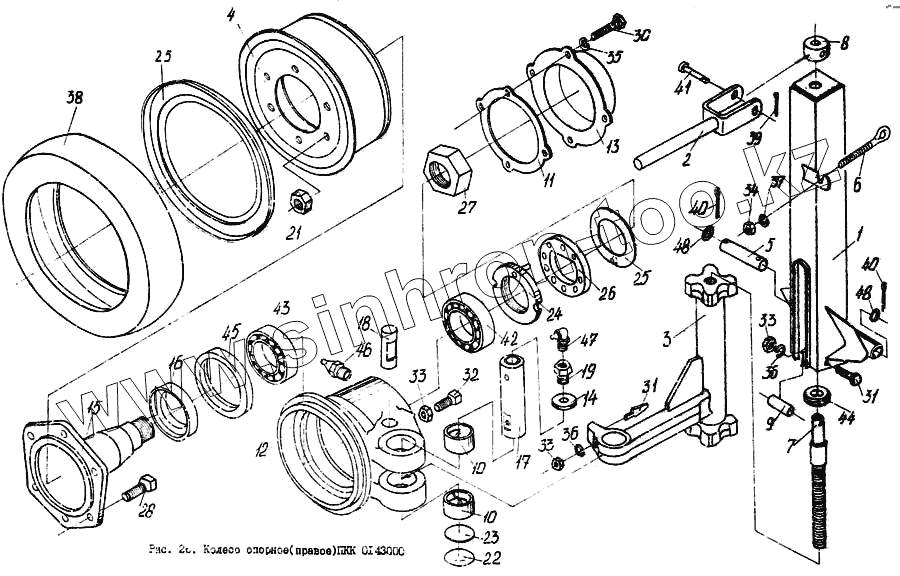
Каталог запасных частей к технике: Гомсельмаш КПК Полесье-3000. Колесо опорное правое ПКК 0143000
1
2
3
4
5
6
7
8
9
10
10
11
12
13
14
15
16
17
18
19
21
22
23
24
25
26
27
28
29
29
30
31
32
33
33
33
34
35
36
36
37
38
39
40
40
41
42
43
44
45
46
47
48
48
| Позиция на иллюстрации | Заводской номер детали | Название детали | |
|---|---|---|---|
| ПКК.0144130 | ПКК.0144130 | Колесо | |
| ПКК.0144100 | ПКК.0144100 | Колесо | |
| ПКК.0144040 | ПКК.0144040 | Ось | |
| ПКК.0144140 | ПКК.0144140 | Основание обода колеса с диском | |
| ПКК.0144010 | ПКК.0144010 | Опора поворотная | |
| ПКК.0144000 | ПКК.0144000 | Колесо опорное | |
| ПКК.0143000 | ПКК.0143000 | Колесо опорное | |
| ПКК.0144110 | ПКК.0144110 | Колесо дисковое | |
| ПКК.0144030 | ПКК.0144030 | Опора | |
| 1 | ПКК.0143030 | Опора откидная | |
| 2 | ПКК.0143040 | Рычаг | |
| 3 | ПКК.0144020 | Цапфа | |
| 4 | ПКК.0144120 | Основание обода | |
| 5 | ПКК.0100655-А | Вал | |
| 6 | ПКК.0100656-А | Болт | |
| 7 | ПКК.0143601 | Винт | |
| 8 | ПКК.0143602 | Втулка | |
| 9 | ПКК.0143603 | Втулка | |
| 10 | ПКК.0144001 | Втулка | |
| 11 | ПКК.0144002 | Прокладка | |
| 12 | ПКК.0144301 | Опора | |
| 13 | ПКК.0144401 | Крышка | |
| 14 | ПКК.0144402 | Крышка | |
| 15 | ПКК.0144601 | Ось | |
| 16 | ПКК.0144602 | Втулка | |
| 17 | ПКК.0144605 | Шкворень | |
| 18 | ПКК.0144607 | Упор | |
| 19 | ПКК.0144608 | Штуцер | |
| 20 | ПКК.0144609 | Штифт | |
| 21 | ПКК.0144611 | Гайка | |
| 22 | 887А-3001054-Б | Заглушка (458823014505) | |
| 23 | 887А-3001055-Б | Прокладка заглушки поворотного кулака передней оси (458823014604) | |
| 24 | 133-3001060 | Гайка-шайба цапфы поворотного кулака в сборе | |
| 25 | 133-3001064 | Шайба замочная контргайки | |
| 26 | 817-3103079 | Шайба замковая гайки | |
| 27 | 303064-П | Гайка | |
| 28 | РСМ-10.02.02.616 | Болт колеса (478571207708) | |
| 29 | 500Р-15-3101027 | Кольцо бортовое | |
| 29 | 500Р-15-3101027 | Кольцо бортовое | |
| 30 | Болт М8-6ех20.88.019 ГОСТ 7796-70 | Болт М8-6ех20.88.019 ГОСТ 7796-70 | |
| 31 | Болт М14-6ех100.88.019 ГОСТ 7796-70 | Болт М14-6ех100.88.019 ГОСТ 7796-70 | |
| 32 | Винт ВМ12.6ех60.14Н.019 ГОСТ 1482-84 | Винт ВМ12.6ех60.14Н.019 ГОСТ 1482-84 | |
| 33 | Гайка М12.6G.6.019 ГОСТ 5915-70 | Гайка М12.6G.6.019 ГОСТ 5915-70 | |
| 34 | Гайка М14.6G.8.019 ГОСТ 5915-70 | Гайка М14.6G.8.019 ГОСТ 5915-70 | |
| 35 | Шайба 8.65Г.06 ГОСТ 6402-70 | Шайба 8.65Г.06 ГОСТ 6402-70 | |
| 36 | Шайба 12.65Г.06 ГОСТ 6402-70 | Шайба 12.65Г.06 ГОСТ 6402-70 | |
| 37 | Шайба 14.65Г.06 ГОСТ 6402-70 | Шайба 14.65Г.06 ГОСТ 6402-70 | |
| 38 | Шина 8,25-15 ГОСТ 7463-80 | Шина 8,25-15 ГОСТ 7463-80 | |
| 39 | Шплинт 2х18.019 ГОСТ 397-79 | Шплинт 2х18.019 ГОСТ 397-79 | |
| 40 | Шплинт 3,2х32.019 ГОСТ 397-79 | Шплинт 3,2х32.019 ГОСТ 397-79 | |
| 41 | Ось 6-8h12х65.10кпЦ9хр ГОСТ 9650-80 | Ось 6-8h12х65.10кпЦ9хр ГОСТ 9650-80 | |
| 42 | Подшипник 7509 ГОСТ 333-79 | Подшипник 7509 ГОСТ 333-79 | |
| 43 | Подшипник 7512 ГОСТ 333-79 | Подшипник 7512 ГОСТ 333-79 | |
| 44 | Подшипник 8104 ГОСТ 6874-75 | Подшипник 8104 ГОСТ 6874-75 | |
| 45 | Манжета 2.2х110.135-1 ГОСТ 8752-79 | Манжета 2.2х110.135-1 ГОСТ 8752-79 | |
| 46 | Масленка 1.2.УХП1 ГОСТ 19853-74 | Масленка 1.2.УХП1 ГОСТ 19853-74 | |
| 47 | Масленка 2.2.90УХП1 ГОСТ 19853-74 | Масленка 2.2.90УХП1 ГОСТ 19853-74 | |
| 48 | Шайба 20.01.019 ГОСТ 9649-78 | Шайба 20.01.019 ГОСТ 9649-78 |
Содержащиеся в справочниках-каталогах запасные части и детали не предлагаются к продаже, а носят исключительно информационный характер