Каталог запасных частей к технике: Gaspardo SP DORADA. PNEUMATIC FERTILIZATION
1
2
3
4
5
6
7
8
9
9
10
11
12
13
14
14
15
16
17
18
19
20
21
22
23
24
25
25
26
26
27
28
29
30
30
31
32
33
34
35
35
36
36
36
37
38
39
40
40
41
42
42
43
44
45
46
46
46
46
47
48
49
50
51
52
52
52
52
53
53
53
53
53
53
53
53
54
55
56
57
58
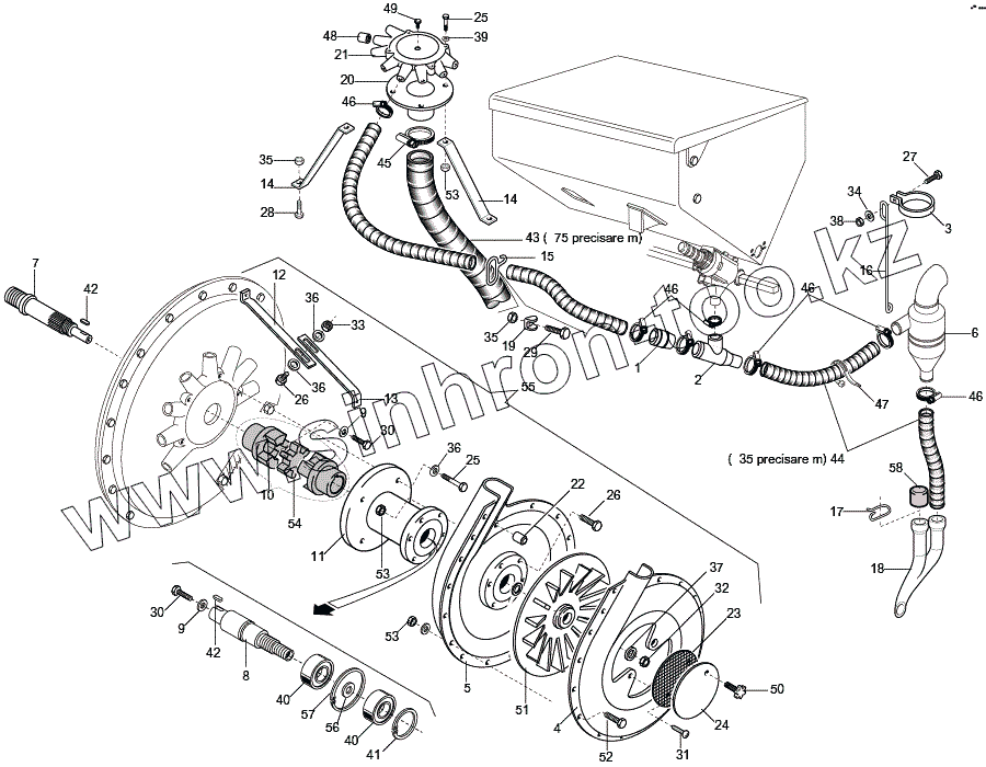
| Позиция на иллюстрации | Заводской номер детали | Название детали | |
|---|---|---|---|
| 1 | 13912101 | NOZZLE FERTILIZATION PNEUMATIC | |
| 2 | 13912131 | TUBE FERTILIZATION PNEUMATIC | |
| 3 | 13912350 | CLAMP, EXPANSION VESSEL | |
| 4 | 13912460 | COVER-SIDE BACKREST | |
| 5 | 13912470 | FAN COVER MOTOR SIDE | |
| 6 | 13912512 | JAR EXPANDER D. 35-50 | |
| 7 | 15450390 | DRIVEN PULLEY | |
| 8 | 15450400 | AXIS FERTILIZATION PNEUMATIC | |
| 9 | 15450410 | WASHER X FLEXIBLE COUPLING | |
| 10 | 15450420 | FLEXIBLE COUPLING WORKED | |
| 11 | 15450431 | FLANGE SUPP.FERTILIZATION PNEUMATIC | |
| 12 | 15470410 | FRONT REINFORCEMENT | |
| 13 | 15470420 | REAR REINFORCEMENT | |
| 14 | 15471471 | CONVEYOR SUPPORT | |
| 15 | 18901960 | GUIDATUBI FOR 3 TUBES | |
| 16 | 18902650 | SPRING SUPP.EXPANSION VESSEL | |
| 17 | 18903180 | SPRING CONVEYOR MICRO | |
| 18 | 19002580 | FITTING FERTILIZATION PNEUMATIC | |
| 19 | 22230264 | WASHER HOSES PUMP | |
| 20 | 23440551 | FLANGE CONVEYOR | |
| 21 | 23440553 | CONVEYOR D. 35 (8 OUTPUTS) | |
| 22 | 23440562 | DISTANCE.SHELLS BLOWER | |
| 23 | 23440563 | PROTECTION GRID | |
| 24 | 23440564 | COVER FOR CLOSING BLOWER | |
| 25 | 41602019 | SCREW 6 X75 5737 8.G ZN | |
| 26 | 41605018 | SCREW 6 X20 5739 8.G ZN | |
| 27 | 41605032 | SCREW 8 X30 5739 8.G ZN | |
| 28 | 41605041 | SCREW 10X25 5739 8.G ZN | |
| 29 | 41605042 | SCREW 10X30 5739 8.G ZN | |
| 30 | 41724048 | SCREW 8X16 5933 | |
| 31 | 41912002 | SCREW 5 X14 7688 ZN | |
| 32 | 43442006 | NUT AUTO.NOR.10 ZN | |
| 33 | 43530004 | NUT 6 5588 6.8 ZN | |
| 34 | 43530006 | NUT 8 5588 6.8 ZN | |
| 35 | 43530007 | NUT 10 5588 6.8 ZN | |
| 36 | 44953002 | WASHER D6 UNI 6592 ZN | |
| 37 | 44953004 | WASHER D10 UNI 6592 ZN | |
| 38 | 44953503 | ROND.FLAT 9X 24X2 6593 ZN | |
| 39 | 44957004 | WASHER D6 DIN 6798 D. INT.ZN | |
| 40 | 51105405 | BEARING 6204 2RS C3 | |
| 41 | 52121017 | RING ARR.20 UNI 7435-75 | |
| 42 | 55140005 | TAB 6X6X20 UNI 6604 | |
| 43 | 61205005 | FLEXIBLE TUBE PVC 75 | |
| 44 | 61209001 | TUBE ASPIREX 35 COLOR BLACK | |
| 45 | 62122006 | HOSE CLAMP 68/85 | |
| 46 | 62122008 | HOSE CLAMP 26/38 | |
| 47 | 62123003 | CLAMP POLYAMIDE 9X350 31919 | |
| 48 | 66248098 | CAP CONVEYOR VACUUM PUMP | |
| 49 | 67007213 | CAP MALE 1/8 HEX | |
| 50 | 67008023 | FLYER M5 X 25 VPA/25 | |
| 51 | 67320001 | FAN PLASTIC DISK L80M8 | |
| 52 | 41602010 | SCREW 6 X30 5737 8.G ZN | |
| 52 | 41605002 | SCREW 4 X12 5739 8.G ZN | |
| 52 | 41605013 | SCREW 6 X12 5739 8.G ZN | |
| 52 | 41605019 | SCREW 6 X25 5739 8.G ZN | |
| 53 | 43442002 | NUT AUTO.NOR.4 ZN | |
| 53 | 43549001 | NUT TRISTOP M 6 | |
| 54 | 58162014 | ELEM.ELASTIC COUPLING 24.24 | |
| 55 | 15473770 | MONT.BLOWER CONCIM.PNEUMA. | |
| 56 | 44959127 | WASHER 20X28X2 DIN 988 | |
| 57 | 52122038 | RING ARR.47 UNI 7437-75 | |
| 58 | 66248098 | CAP |
Содержащиеся в справочниках-каталогах запасные части и детали не предлагаются к продаже, а носят исключительно информационный характер