Каталог запасных частей к технике: Gaspardo SP. TRANSMISSION WHEELS
1
2
2
2
3
3
4
5
6
6
6
7
8
9
10
11
12
13
13
14
15
16
17
18
19
20
21
22
23
24
25
26
27
28
29
30
31
32
33
34
35
36
37
38
39
40
41
42
43
44
45
46
47
48
49
50
51
52
53
54
55
56
57
58
59
60
61
62
63
64
65
66
67
68
69
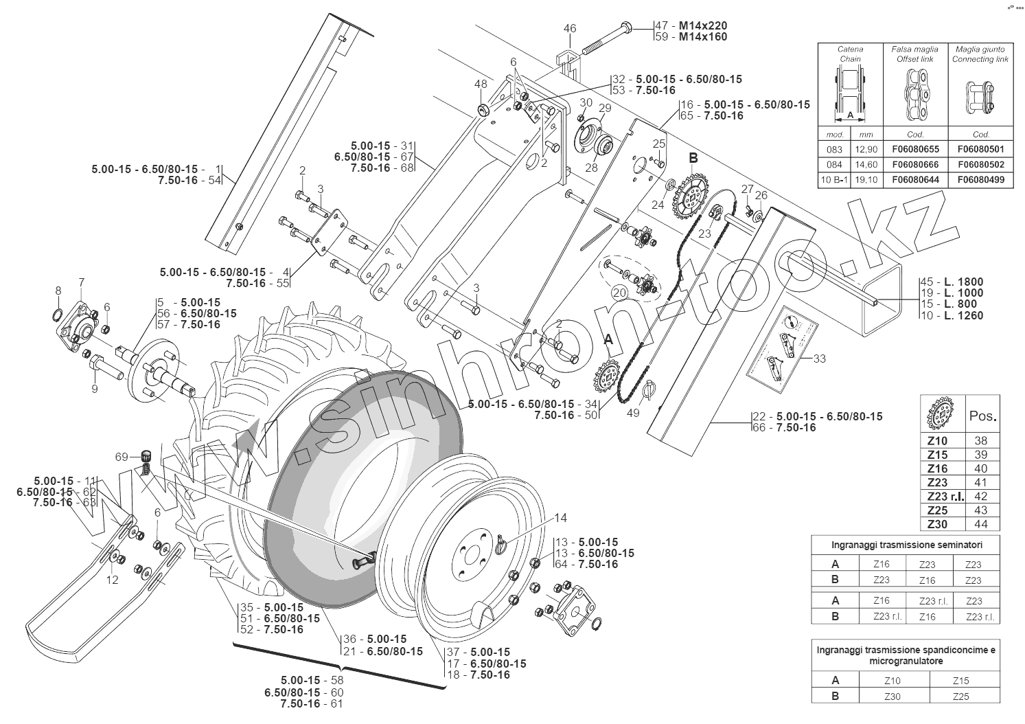
| Позиция на иллюстрации | Заводской номер детали | Название детали | |
|---|---|---|---|
| 1 | G16630361 | Carter sx | |
| 2 | F01020472 | BOLT 10X25 5739 8.G GALVANIZED | |
| 3 | F01020483 | BOLT 10X40 5739 10.9 GALVANIZ. | |
| 4 | G16630380 | STRIKER PLATE 100X70-3 4F | |
| 5 | G22270280 | NORMAL DRIVE WHEEL AXLE | |
| 6 | F01200270 | NUT M10X1,5 U5588 6.8 ZN | |
| 7 | F04100137 | SUPPORT FY 25 TF | |
| 8 | F02050101 | SEEGER RING E. 25X1,2 7435 C70 | |
| 9 | F01010365 | SCREW 18X55 MB 5740 8.G ZN | |
| 10 | G22230284 | ASSE 2 FILE L.1230 | |
| 11 | G15430090 | SOIL SCRAPER | |
| 12 | F01420060 | WASHER 10,5X30 | |
| 13 | F01250040 | COLUMN NUT M12X1.5 STUD BOLT | |
| 14 | F02200452 | SNAP PIN D4,4 B/80 ZN | |
| 15 | G22230142 | 4-ROW SPINDLE L.800 | |
| 16 | G16630311 | SUPPORTO TRASMISSIONE SP540 | |
| 17 | F06120207 | CERCHIO 5J 15 H2 PV RAL 9001 | |
| 18 | F06120208 | RING 7.50-16 PV TU | |
| 19 | G22230138 | GEAR SPINDLE 4-ROW 80- 6-ROW.4 | |
| 20 | G16630810 | GEARS KIT Z8 5/8dmX3/8dm | |
| 21 | F06120135 | CHAMBER 15 T 340 | |
| 22 | G16630350 | RIGHT CASE | |
| 23 | G22505085 | PLATE AXLE STOP | |
| 24 | G66248218 | MAN. SPR. SPACER WASHER | |
| 25 | F01020432 | BOLT M8X16 | |
| 26 | G22220083 | LEAD-IN WASHER | |
| 27 | F01240024 | NUT 8 UNI 5448 5.8 ZN | |
| 28 | G14830390 | SQUARE-HOLED BEARING | |
| 29 | G22230094 | BEARING SUPPORT | |
| 30 | F01220022 | NUT M8X1,25 D980 8 ZN | |
| 31 | G16630290 | WHEEL SUPPORT 5,00-15 | |
| 32 | G16630320 | SUPP. WHEEL COUPLING | |
| 33 | G19704690 | STICKER | |
| 34 | F06080168 | CUT-DOWN CHAIN .ISO 10B-1 86 - | |
| 35 | F06120170 | COVERING 500-15 IM110 4PR | |
| 36 | F06120134 | CHAMBER 15 L.290 | |
| 37 | F06120206 | CERCHIO 3.00 D 15 PV RAL 9001 | |
| 38 | G22220113 | GEAR Z-10 IRON | |
| 39 | G16630390 | PINION Z-15 ZN | |
| 40 | G16630400 | PINION Z-16 ZN. | |
| 41 | G16630410 | PINION Z-23 ZN. | |
| 42 | G16630370 | FREE WHEEL GEAR Z-23 | |
| 43 | G16630420 | PINION Z-25 ZN. | |
| 44 | G16630430 | PINION Z-30 ZN. | |
| 45 | G20870028 | AXLE- GEARBOXSIDE- 6-ROW L.18 | |
| 46 | G19204030 | SCONTRO FISS.150 2F D15 | |
| 47 | F01020236 | SCREW M14X2X220 U5737 8.8 BR | |
| 48 | F01200306 | NUT M14X2 | |
| 49 | F02200452 | SNAP PIN D4,4 B/80 ZN | |
| 50 | F06080245 | CATENA 5/8 ISO 10B 94 MAGLIE | |
| 51 | F06120180 | COVERING 6.5/80-15 IM110 2PR | |
| 52 | F06120400 | COVERING 7.50-16 IM110 8PR TU | |
| 53 | G15231330 | SUPP. WHEEL COUPLING | |
| 54 | G15231321 | CARTER SX7.50 | |
| 55 | G22270284 | SOIL SCRAPER COUPLING SP/S | |
| 56 | G22270281 | INCREASED DRIVE WHEEL AXLE | |
| 57 | G15231161 | ASSE RUOTA 7.50X16 | |
| 58 | F06120113 | COMPL. WHEEL 5.00-15 6PR RH. | |
| 59 | F01020225 | SCREW M14X160 5737 8.G | |
| 60 | F06120116 | UPRIGHT- WIDE RUBBERED WHEEL | |
| 61 | F06120069 | WHEEL 7.50-16 AG10 | |
| 62 | G15430660 | INCREASED SOIL-SCRAPER SP 530 | |
| 63 | G15231171 | WHEEL SOIL SCRAPER 7,50X16 | |
| 64 | F01250052 | COLUMN NUT M18X1,5 ZN | |
| 65 | G15231421 | TRANSMSUPPORT 7,50X16 | |
| 66 | G15231301 | CARTER DX7.50 | |
| 67 | G16630300 | WHEEL SUPPORT 6,50/80-15 | |
| 68 | G15231141 | WHEEL SUPPORT 7.50 | |
| 69 | F05050025 | CAPPELLOTTO PROTEZ.XVALV.PVC |
Содержащиеся в справочниках-каталогах запасные части и детали не предлагаются к продаже, а носят исключительно информационный характер