Каталог запасных частей к технике: Gaspardo SP. HYDRAULIC MARKER
1
2
2
3
4
4
5
6
7
8
9
10
11
11
11
11
12
13
14
15
16
17
18
19
20
21
22
23
24
25
26
27
28
29
30
31
32
33
34
35
36
37
37
38
39
40
41
42
42
43
44
45
46
47
48
49
49
50
51
52
53
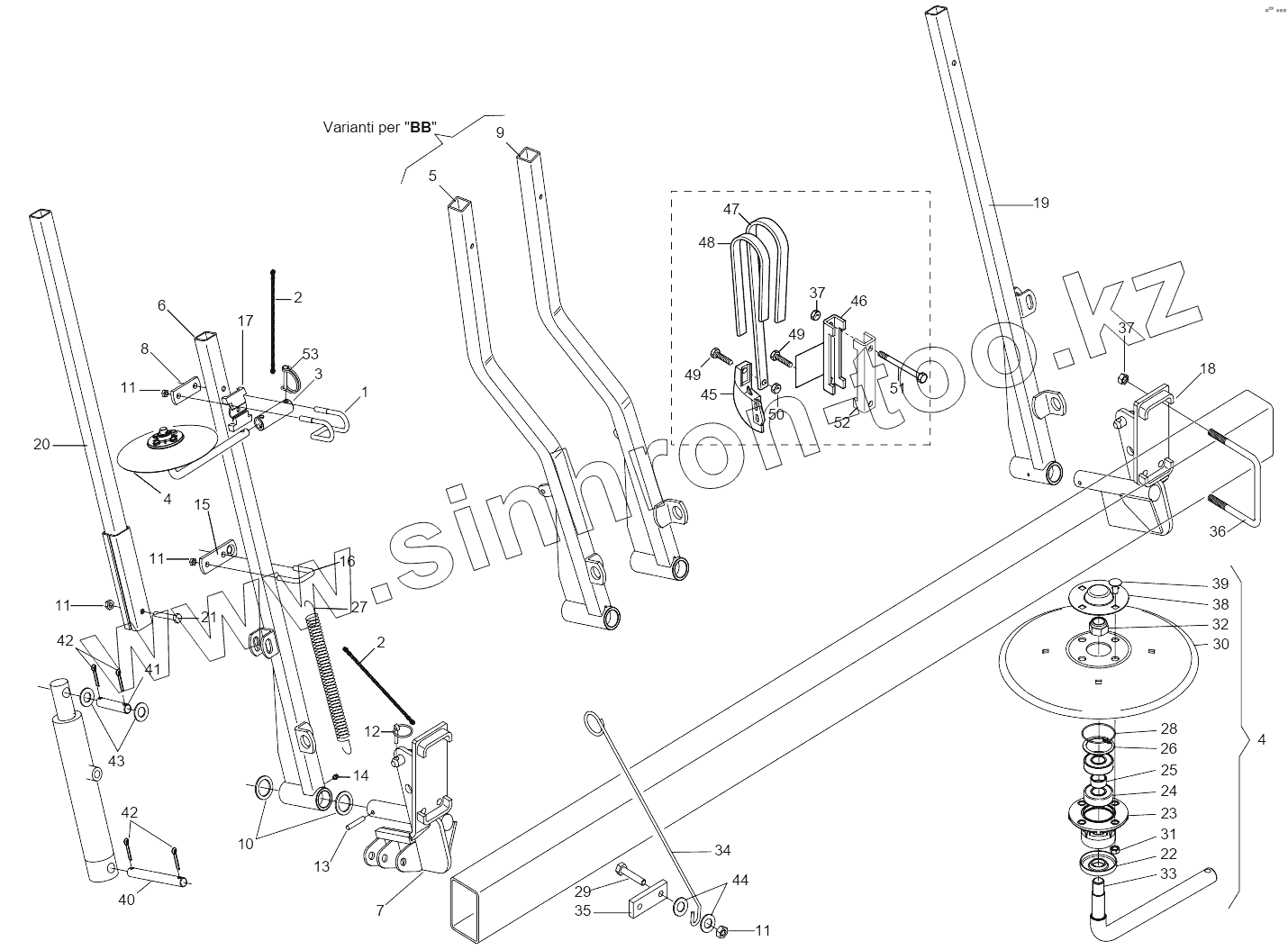
| Позиция на иллюстрации | Заводской номер детали | Название детали | |
|---|---|---|---|
| 1 | G16610230 | DISK SLEEVE U BOLT | |
| 2 | G13812311 | CHAIN WITH SPRING CATCH | |
| 3 | G17111290 | DISC COUPLING SLEEVE | |
| 4 | G16610200 | DISK D.320 COMPL | |
| 5 | G15211911 | BRACCIO SEGNAFILE SX | |
| 6 | G15412691 | LH FOLDING ARM | |
| 7 | G15412681 | ASS.SUPP.SEGNAFILE SX | |
| 8 | G23440198 | STRIKER PLATE ARM ATTACH. HL/2 | |
| 9 | G15211931 | BRACCIO SEGNAFILE DX | |
| 10 | G18701600 | WASHER 35.5X50X3- GALVANIZ | |
| 11 | F01200270 | NUT M10X1,5 U5588 6.8 ZN | |
| 12 | F02200507 | SNAP PIN D9 B/83 ZN | |
| 13 | F02100146 | PIN EL. .8X55 DIN 1481 | |
| 14 | F01100011 | GREASE NIPPLE M6X1 7663-A ZN | |
| 15 | G15412810 | ROW MARKER ROPE LINKAGE | |
| 16 | F20110705 | U-BOLT GALVAN | |
| 17 | G19203740 | GALVAN. SHANK FASTENING ELEMEN | |
| 18 | G15412852 | ASS.SUPP.SEGNAFILE DX | |
| 19 | G15412861 | RH FOLDING ARM | |
| 20 | G15412780 | ROWMARKER EXTENSION | |
| 21 | F01020122 | BOLT 10X1,5X70 U5737 8.8 ZB | |
| 22 | G16610430 | FONDELLO ZN. | |
| 23 | G16610160 | GALVAN. ROWMAKER DISK BEARING | |
| 24 | F04010156 | BEARING D20 D47 B14 6204 2RSH | |
| 25 | G18801270 | BUSHING 21X25X12 ZN | |
| 26 | F02050370 | SEEGER RING 47X1,75 U7437 C70 | |
| 27 | G65337004 | TRACTION SPRING LIFT. FU | |
| 28 | F03010576 | GASKET OR 033 DOWTY | |
| 29 | F01020476 | SCREW M10X1,5X30 5739 8.8 ZN | |
| 30 | G16610170 | ROW MARKER DISK D.320 | |
| 31 | F01200244 | NUT M8X1,25 U5588 6.8 ZN | |
| 32 | F01230098 | NUT M18X2,5 D982 8 ZN | |
| 33 | G16610180 | ROWMAKER DISC-HOLDER PIN | |
| 34 | G18902260 | GUIDACORDA ZN MT | |
| 35 | G15470810 | ROPE GUIDE SUPPORT SP | |
| 36 | F20110780 | U-BOLT M14X165-128 | |
| 37 | F01200306 | NUT M14X2 | |
| 38 | G16610190 | GALVAN. BEARING CLOSURE | |
| 39 | F01060040 | SCREW M8X1,25X20 U5732 4.6 ZN | |
| 40 | G15413020 | GALVANIZED PIN 15X120 | |
| 41 | G15413010 | PIN 15X62 ZN | |
| 42 | F02200194 | SPLIT PIN 4X25 1336 GALVAN. | |
| 43 | G20970142 | WASHER 32X4X15-5 | |
| 44 | G20970111 | WASHER 29,8X2X16,5 | |
| 45 | G13811261 | INNER ROWM. CUTTER | |
| 46 | G15470231 | CONC. FLAT SPRING SUPPORT 150 | |
| 47 | G18901092 | FLAT SPRING MANURING LEG SP | |
| 48 | G18902861 | MANUR.PLATE SPRING REINFORCE.S | |
| 49 | F01020512 | SCREW M12X1,75X35 5739 8.8 ZN | |
| 50 | F01200293 | NUT M12X1,75 U5588 6.8 ZN | |
| 51 | F01020236 | SCREW M14X2X220 U5737 8.8 BR | |
| 52 | G15110091 | STRIKER | |
| 53 | F02100312 | SAFETY PIN D.8X45 ZN |
Содержащиеся в справочниках-каталогах запасные части и детали не предлагаются к продаже, а носят исключительно информационный характер