Каталог запасных частей к технике: Gaspardo Сеялка Gaspardo MTR. HILLER
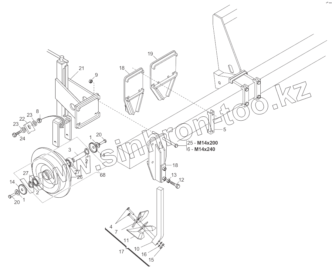
1
1
2
2
3
4
5
6
7
8
9
10
11
12
13
14
14
15
16
17
18
18
19
20
20
21
22
23
23
24
25
26
27
27
| Позиция на иллюстрации | Заводской номер детали | Название детали | |
|---|---|---|---|
| 1 | F01410076 | WASHER D12 U6592 ZN | |
| 2 | F02050101 | SEEGER RING E. 25X1,2 7435 C70 | |
| 3 | F20100503 | PERNO D.30 RUOTA FE 320X100 | |
| 4 | F01060086 | BOLT 10X70 5732 4.6 GALVANIZED | |
| 5 | G15110091 | STRIKER | |
| 6 | F01020238 | BOLT M14X240 5737 8.G | |
| 7 | G23440084 | PLOUGH-SHARE- SUPPLEM. HL LM | |
| 8 | F01200244 | NUT M8X1,25 U5588 6.8 ZN | |
| 9 | F01200306 | NUT M14X2 | |
| 10 | G23440087 | SHANK - REAR HOE HL | |
| 11 | G23420051 | HOE- REAR- 215 LM | |
| 12 | F01020252 | SCREW M16X2X50 U5737 8.8 ZN | |
| 13 | F01200444 | NUT M16X2 | |
| 14 | G18705130 | BOTTOM WASHER 12.5X62X1.5 | |
| 15 | F01200269 | Nut | |
| 16 | F01430023 | WASHER D10 DIN 6798 D.INT.ZN | |
| 17 | G16630720 | RINCALZATORE ECON. COMPL | |
| 18 | G15430842 | SUPPORTO RINCALZATORE LAT. | |
| 19 | G15431001 | SUPPORTO RINCALZ.CENTRALE | |
| 20 | F01020528 | SCREW M12X1,75X40 U5739 10.9ZN | |
| 21 | G15430891 | FROF. WHEEL SUPPORT | |
| 22 | G23440074 | STEERING WHEEL SOIL-SCRAPER HL | |
| 23 | F01410051 | WASHER M8 8,4X17X1,6 U6592 ZN | |
| 24 | F01020436 | SCREW M8X1,25X20 U5739 8.8 ZN | |
| 25 | F01020233 | SCREW M14X2X200 U5737 8.8 ZB | |
| 26 | G13610620 | COMPL. WHEEL 320X100 | |
| 27 | F04010170 | BEARING 6205 2RS |
Содержащиеся в справочниках-каталогах запасные части и детали не предлагаются к продаже, а носят исключительно информационный характер