Каталог запасных частей к технике: Gaspardo ROMINA. FERTILIZER TRANSMISSION
1
2
3
3
3
4
5
6
7
8
9
9
10
10
10
11
11
11
11
12
13
14
14
15
16
16
17
17
18
18
19
20
21
22
23
24
26
26
27
28
28
29
30
30
31
32
33
34
35
36
37
38
39
40
41
42
43
44
45
45
46
46
47
48
49
50
50
51
52
53
54
55
56
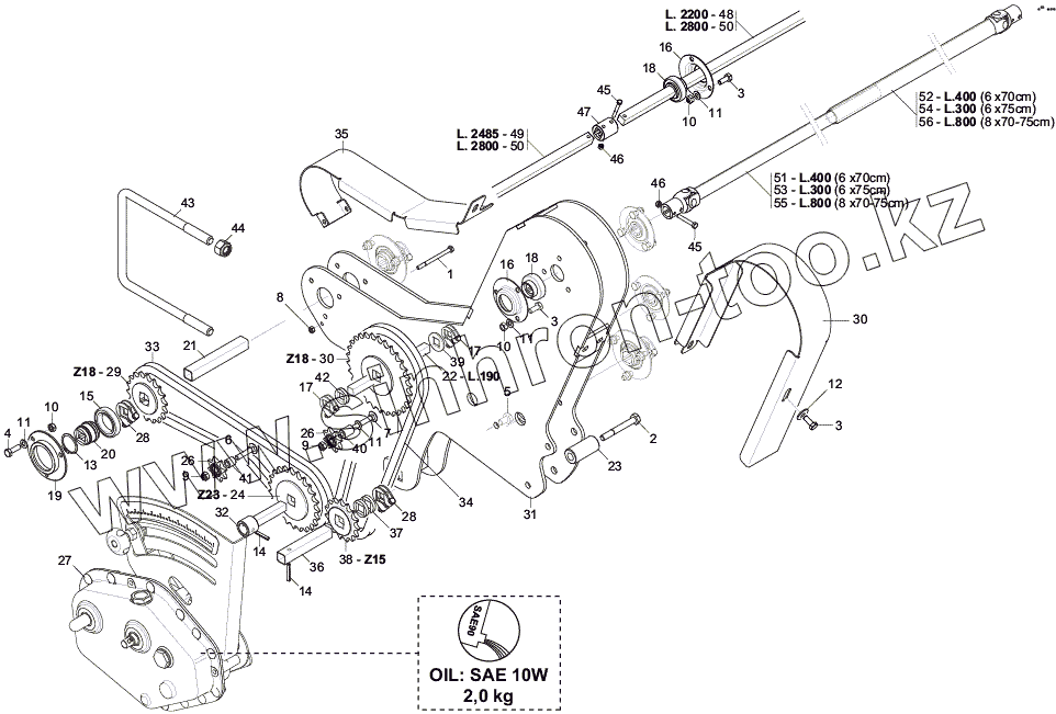
| Позиция на иллюстрации | Заводской номер детали | Название детали | |
|---|---|---|---|
| 1 | F01020050 | BOLT 6X80 5737 8.G GALVANIZED | |
| 2 | F01020128 | Screw | |
| 3 | F01020436 | SCREW M8X1,25X20 U5739 8.8 ZN | |
| 4 | F01020440 | BOLT M8X1,25X25 U5739 8.8 ZN | |
| 5 | F01020468 | Screw | |
| 6 | F01060045 | Bolt | |
| 7 | F01060050 | Bolt | |
| 8 | F01200233 | NUT M6X1 U5588 IX | |
| 9 | F01200244 | NUT M8X1,25 U5588 6.8 ZN | |
| 10 | F01220022 | NUT M8X1,25 D980 8 ZN | |
| 11 | F01410051 | WASHER M8 8,4X17X1,6 U6592 ZN | |
| 12 | F01420048 | WASHER M8 8,4X24X2 U6593 ZN | |
| 13 | F02050146 | ELASTIC RING DE 35X 1,5 U7435 | |
| 14 | F02100115 | PIN EL. 6X30 DIN 1481 S.STEEL* | |
| 15 | F04010311 | BEARING d35 D55 B10 61907 L | |
| 16 | G22230094 | BEARING SUPPORT | |
| 17 | G22505085 | PLATE AXLE STOP | |
| 18 | G14830390 | SQUARE-HOLED BEARING | |
| 19 | G22500092 | BEARING SUPPORT | |
| 20 | G22500091 | BEARING BUSHING | |
| 21 | G15430340 | GEAR SPINDLE L.155 | |
| 22 | G22270127 | Wheel axle - gearbox 2-row l. | |
| 23 | G16042160 | BUSHING 18 X28 X58 | |
| 24 | G16630410 | PINION Z-23 ZN. | |
| 25 | G16630430 | PINION Z-30 ZN. | |
| 26 | G16630790 | Gear | |
| 27 | G16930921 | COMPLETE GEAR BOX FERT. | |
| 28 | G17131370 | BLOCK PLATE Q.20 COMPLETE | |
| 29 | G17131570 | PINION Z18 5/8-3/8 Q.20,5 ZN | |
| 30 | G17630860 | UPPER CARTER PLATE | |
| 31 | G17630930 | GEAR SUPPORT FERTYSISTEM | |
| 32 | G17631000 | FERTISYSTEM TRANS. AXLE | |
| 33 | F06080261 | CHAIN 5/8 ASA 50 L 68 LINKS | |
| 34 | F06080178 | Cut-down chain | |
| 35 | G17631380 | LOWER SHEET CARTER | |
| 36 | G17631410 | SQ.TUBE20X1,2X 115 G.ED | |
| 37 | G17732240 | WASHER 32XQ.20,5X6 ZN | |
| 38 | G17732540 | GEAR Z15 5/8-3/8 ZN | |
| 39 | G18701620 | WASHER 16.5X35X3- GALVAN. | |
| 40 | G20980009 | BUSHING 22X8,5X16 | |
| 41 | G18801520 | Bushing | |
| 42 | G66248218 | MAN. SPR. SPACER WASHER | |
| 43 | F20110831 | U bolt | |
| 44 | F01230085 | Nut | |
| 45 | F01020024 | SCR. M5X0,8X40 U5737 8.8ZN | |
| 46 | F01200011 | NUT 5 5587 6.8 GALVANIZED | |
| 47 | G22220085 | ARTICULATION | |
| 48 | G22250276 | AXLE- SEEDING MACH. GEARBOXL. | |
| 49 | G13732200 | TRANSMISSION AXLE L2485 | |
| 50 | G15273750 | TRANSMISSION SHAFT L. 2800 | |
| 51 | G17631810 | INT.AL CARDAN JOINT L.400 Q16 | |
| 52 | G17631250 | EXT.AL CARDAN JOINT L.400 Q16 | |
| 53 | G17613840 | INT.AL CARDAN JOINT L.300 Q16 | |
| 54 | G17631240 | EXT.AL CARDAN JOINT L.300 Q16 | |
| 55 | G17631560 | INT.AL CARDAN JOINT L.800 Q16 | |
| 56 | G17631490 | EXT.AL CARDAN JOINT L.800 Q16 |
Содержащиеся в справочниках-каталогах запасные части и детали не предлагаются к продаже, а носят исключительно информационный характер