Каталог запасных частей к технике: Gaspardo MAESTRA (MT). DEPRESSOR
1
2
2
2
3
3
3
4
5
5
6
7
8
9
10
10
10
11
12
13
13
13
14
15
15
16
16
16
16
17
18
19
20
21
22
23
23
23
24
25
26
26
27
28
29
30
31
32
33
34
35
36
37
38
39
40
41
42
43
44
44
45
46
47
48
49
50
51
52
53
54
55
56
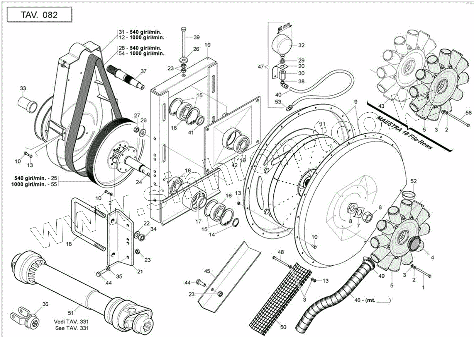
| Позиция на иллюстрации | Заводской номер детали | Название детали | |
|---|---|---|---|
| 1 | F01020047 | BOLT 6X70 5737 8.G GALVANIZED | |
| 2 | F01430047 | WASHER D6 DIN 6798 D.INT.GALV. | |
| 3 | F01420036 | FLAT WASHER 6-6X18X2 6593 ZN | |
| 4 | F03150722 | M52X2 PLUG | |
| 5 | G15450450 | CONVOGLIATORE 12 USCITE | |
| 6 | F01230143 | NUT M24X2 D982 8 ZN | |
| 7 | G13912060 | STOP PLATE | |
| 8 | G13912050 | STOP WASHER | |
| 9 | G22230335 | VACUUM PUMP CASINGS | |
| 10 | F01020403 | SCREW M6X1X16 U5739 8.8 ZN | |
| 11 | G22230015 | IMPELLER | |
| 12 | G15450500 | BELT GUARD 1000 RPM | |
| 13 | F01220011 | NUT M6X1 D980 8 ZN | |
| 14 | F02050112 | SEEGER RING 30X1,5 U7435 C70 | |
| 15 | F02050403 | SEEGER RING E.72X2,5 U7437 C70 | |
| 16 | F04010215 | BEARING 6306 2RS C3 | |
| 17 | G22230010 | BEARING SPACER | |
| 18 | F20110830 | U bolt | |
| 19 | G15850200 | DIFFUSION AIR PUMP FRAME | |
| 20 | G22270134 | VACUUM METER SUPPORT SP | |
| 21 | G15950010 | Air pump support | |
| 22 | G20970142 | WASHER 32X4X15-5 | |
| 23 | F01200270 | NUT M10X1,5 U5588 6.8 ZN | |
| 24 | G22270369 | POWER TAKE-OFF- W/ SPIGOT | |
| 25 | G22230012 | DRIVING PULLEY | |
| 26 | G20970035 | WASHER 32X4X13 | |
| 27 | F01200293 | NUT M12X1,75 U5588 6.8 ZN | |
| 28 | F06010160 | BELT- POLY V 1287 J-16 GOLE | |
| 29 | F05150479 | PRESSURE GAUGE REST WASHER | |
| 30 | G22250274 | PRESSURE GAUGE CONNECT. SP-SV | |
| 31 | G15450342 | PROTEZ.CINGHIA DEPRES.COMPLETO | |
| 32 | F03151288 | VACUOM.0-100 MBAR C.SM.INC.D80 | |
| 33 | G19002131 | PROTEZIONE P.D.P. | |
| 34 | F01200324 | Nut | |
| 35 | F01410062 | Washer | |
| 36 | F08011744 | Pto shaft yoke | |
| 37 | G15450390 | DRIVEN PULLEY D.28 | |
| 38 | F03151200 | UNION 90[ C5 1/8'' 6/8 | |
| 39 | G15450270 | GALVANIZ. SCREW 10X130 8.8 FIL | |
| 40 | F03100391 | POLIURETHAN PIPE 8-6 | |
| 41 | G22230014 | SPACER | |
| 42 | G15450091 | DRIVEN PULLEY SUPPORT | |
| 43 | G15950020 | Conveyor internal | |
| 44 | F01020472 | BOLT 10X25 5739 8.G GALVANIZED | |
| 45 | G15450280 | VACUUM PUMP PROTECTION | |
| 46 | F03100506 | EOLO PIPE 45 PU | |
| 47 | G22270093 | VACUUM METER ASSY. SP LM | |
| 48 | F01020050 | BOLT 6X80 5737 8.G GALVANIZED | |
| 49 | F05150058 | POLYAMIDE FASTENING STRAPS 9X5 | |
| 50 | G10150291 | AIR PUMP PROTECT. GRID | |
| 51 | F08011711 | CARD.B1 Z6-Z6 L700 | |
| 52 | F05050020 | CONVEYOR PLUG D.39 | |
| 53 | F03151206 | UNION STRAIGHT C1 1/8'' 6/8 | |
| 54 | F06010161 | BELT- POLY V 1016 J-16 GOLE | |
| 55 | G15450310 | DRIVING PULLEY 1000 REVS | |
| 56 | G15950030 | Screw conveyor |
Содержащиеся в справочниках-каталогах запасные части и детали не предлагаются к продаже, а носят исключительно информационный характер