Каталог запасных частей к технике: Gaspardo Feraboli Entry 150. COM gearbox parts
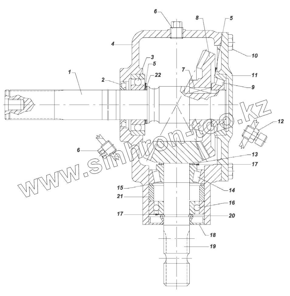
1
2
3
4
5
5
6
6
7
8
9
10
11
12
13
14
15
16
17
17
18
19
20
21
22
| Позиция на иллюстрации | Заводской номер детали | Название детали | |
|---|---|---|---|
| 1 | R000536 | Output shaft | |
| 2 | R000537 | Seal ring | |
| 3 | R000516 | Bearing | |
| 4 | R000517 | Gear box | |
| 5 | R000518 | Shim | |
| 6 | R000519 | Plug | |
| 7 | R000520 | Tang | |
| 8 | R000538 | Conic gear | |
| 9 | R000522 | Bearing | |
| 10 | R000523 | Screw | |
| 11 | R000524 | Cover | |
| 12 | R000525 | Breather plug | |
| 13 | R000526 | Shim | |
| 14 | R000527 | Bearing | |
| 15 | R000528 | Elastic ring | |
| 16 | R000529 | Bearing | |
| 17 | R000530 | Shim | |
| 18 | R000531 | Seal ring | |
| 19 | R000532 | Shaft-pinion | |
| 20 | R000533 | Shaft safety ring | |
| 21 | R000534 | Spacer | |
| 22 | R000535 | Spacer |
Содержащиеся в справочниках-каталогах запасные части и детали не предлагаются к продаже, а носят исключительно информационный характер