Вернуться на главную
Поиск
Каталоги запчастей к технике
Сельхозтехника
Franz Kleine
SF-10-2
Переключение передач
Каталог запасных частей к технике: Franz Kleine SF-10-2. Переключение передач
zoom-in
zoom-out
enlarge
shrink
circle-right
circle-left
file-text2
info
cart
Тип техники
Не выбрано
Легковые автомобили
Грузовые автомобили и прицепы
Автобусы
Сельхозтехника
Спецтехника
Двигатели
Мототехника
Марка
Не выбрано
AGCO
Amity
CASE IH
DongFeng
Fortschritt
Foton
Franz Kleine
Gaspardo
Great Plains
KRONE
KUHN
Lemken
Lovol
MacDon
Massey Ferguson
New Holland
TIGARBO
Vaderstad
Versatile
Wirax
Агро
Агротехмаш
Бобруйскагромаш (ОАО «УКХ «Бобруйскагромаш»)
БЭМЗ
ВгТЗ
Воронежсельмаш
ВТЗ
Гомсельмаш
ДКЗ
ЗАО "Техника-сервис"
ЗиД
КЗК
Кировец-Ландтехник
Клевер
Красная Звезда
Лидагропроммаш
Лидсельмаш
ЛТЗ
Машстройхолдинг
Минитракторы
Мордовагромаш
МТЗ
Навигатор-Новое машиностроение
Нефтекамский автозавод
ПТЗ
Ремком
РСМ
Сибсельмаш
ТеКЗ
ТКЗ
ХЗТСШ
ХТЗ
ЮМЗ
Модель
Не выбрано
SF-10-2 (2005)
Схема
>
Не выбрано
Основная рама, облицовка, приводы
Опорные колеса
Измельчитель
Ботвосрезатель, ширина междурядий 45 см
Ботвосрезатель К6 - ширина междурядий 50 см
Поперечный транспортирующий шнек
Ботвошвырятель
Автоматика управления
Интегральный ботвосрезатель
Интегральный ботвосрезатель
Интегральный ботвосрезатель
Интегральный ботвосрезатель
Интегральный ботвосрезатель
Детали гидросистемы ботвосрезателя
Детали гидросистемы ботвосрезателя
Основные фары для движения по улицам
Основная рама R6, облицовка, приводы
Копательный узел
Детали для копательного узла с регулируемой шириной междурядий 45/50 см
Транспортировочный вал, жесткое исполнение
Цилиндрическая зубчатая передача
Транспортировочный вал с регулируемой шириной междурядий 45/50 см
Валковый механизм (2 длинных и 5 коротких вала)
Узел ограничения по глубине
Детали гидросистемы копателя
Детали гидросистемы копателя
Детали гидросистемы копателя
Расположение очистительных роторов с наружной облицовкой
Очистительные роторы, впереди, с облицовкой
Очистительный ротор, в сборе, впереди - справа и слева
Очистительный ротор, правое вращение, с облицовкой
Очистительный ротор, левое вращение, с облицовкой, блок управления
Сепарирующее колесо правого вращения
Сепарирующее колесо левого вращения
Очистительный ротор, сзади
Очистительный ротор, сзади с облицовкой, регулятор расхода, фильтр высокого давления
Блок управления, клапан передвижения
Колеса впереди, поворотная крестовина, подъемный цилиндр, гидравлические шланги, блок управления
Блок управления. Ботвосрезатель. Клапан расхода (очистительные роторы)
Цилиндр управления впереди, гидравлические шланги, двигатель-стабилизатор впереди
Гидравлические шланги, трубопроводы гидросистемы, блок управления, гидроаккумулятор
Блок управления (очистительные роторы), блок управления (валковый механизм)
Гидравлические шланги (очистительные роторы)
Задний мост с принадлежностями
Топливный бак, шестеренные насосы, регулируемые насосы, гидравлические шланги, обратный клапан
Циркуляционный элеватор, транспортерная лента, ролики
Роликовое днище бункера, выгрузной транспортёр, привод роликого днища, ролики
Шнек бункера, привод шнека, привод циркуляционного элеватора, гидродвигатели
Блок управления бункера
Увеличения бункера
Цилиндры бункера спереди и сзади
Подшипники, распределитель земли
Распределитель земли
Двигатель, аккумуляторная батерея, охладитель
Освещение для передвижения по дорогам, защитное ограждение
Установка централизованной смазки Beka-Max Ботвосрезатель
Установка централизованной смазки Beka-Max Ботвосрезатель
Установка централизованной смазки Beka-Max Ботвосрезатель
Установка централизованной смазки Beka-Max Ботвосрезатель
Установка централизованной смазки Beka-Max Копателя
Установка централизованной смазки Beka-Max Копателя
Установка централизованной смазки Beka-Max Копателя
Установка централизованной смазки Beka-Max Копателя
Установка централизованной смазки Beka-Max
Установка централизованной смазки Beka-Max
Установка централизованной смазки Beka-Max
Установка централизованной смазки Beka-Max
Установка централизованной смазки Beka-Max
Приводимый мост поворотная крестовина
Приводимый мост корпус редуктора
Приводимый мост корпус редуктора II
Приводимый мост корпус моста
Приводимый мост корпус моста II
Приводимый мост тормоз
Подъем спереди
Топливный бак
Кабина, раздельное стекло
Кабина, задняя стенка
Кабина, боковая стенка правая
Кабина, боковая стенка левая
Кабина, крыша
Кабина, крыша фильтр
Кабина, крыша вентилятор
Кабина, крыша небо
Кабина, коврик для пола
Кабина, облицовка сзади
Кабина, облицовка справа
Кабина, противосолнечная шторка сзади
Кабина, противосолнечная шторка впереди
Кабина, обогрев
Кабина, климат, испаритель
Кабина, климат, сушилка
Кабина, автоматика климата
Кабина, консоль сидения
Кабина, сидение второго водителя
Кабина, стеклоомыватель
Кабина, рулевая колонка
Кабина, обшивка рулевой колонки
Место водителя
Ножное приведение в действие
Ножное приведение в действие тормоза
Переключение передач
Приведение в действие для движения
Ручной тормоз
Туннель управления
Арматурной ящик
Корпус, промежуточная крышка
Корпус дифференциала
Двигатель крышка
Корпус оси, планетарный корпус
Цилиндр, тяга рулевого управления
Корпус, промежуточная крышка
Корпус дифференциала
Двигатель крышка
Корпус оси, планетарный корпус
Цилиндр, тяга рулевого управления
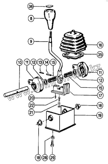
8
9
10
11
11
12
12
13
14
15
15
16
17
18
18
19
20
21
22
28
29
35
36
Позиция на иллюстрации
Заводской номер детали
Название детали
177 571.0
177 571.0
МОЛИКОТЕ
235 131.1
235 131.1
КОЛЬЦО ПРУЖИННОЕ
236 169.0
236 169.0
ГАЙКА ШЕСТИГРАННЫЙ
236 169.0
236 169.0
ГАЙКА ШЕСТИГРАННЫЙ
8
694 301.0
РУЧКА ПЕРЕКЛЮЧЕНИЯ
9
649 701.2
РЫЧАГ ПЕРЕКЛЮЧЕНИЯ
10
077 970.0
ВАЛ УПРАВЛЕНИЯ
11
602 058.1
СЕГМЕНТ ВКЛЮЧ.
12
215 442.0
988 ШАЙБА ОПОРНАЯ
13
235 625.0
8752 ШТИФТ РАСПОРНЫЙ
14
235 665.2
8752 ШТИФТ РАСПОРНЫЙ
15
649 704.0
ПРУЖИНА СЖАТИЯ
16
623 665.1
МАНЖЕТ
17
602 061.1
УПОР
18
077 971.1
ВТУЛКА ПЛАСТМАС.
19
077 974.1
КОРПУС РЕДУКТОРА
20
235 641.0
ШТИФТ РАСПОРНЫЙ
21
235 131.1
КОЛЬЦО ПРУЖИННОЕ
22
241 249.0
ВИНТ ПОТАЙНОЙ
23
237 466.0
ВИНТ ШЕСТИГРАННЫЙ
28
235 132.1
КОЛЬЦО ПРУЖИННОЕ
29
236 200.0
ВИНТ ШЕСТИГРАННЫЙ
35
623 565.0
РЕМКОМ. РАМЫ
36
694 305.0
ВСТАВКА
38
S0-100-80-2
ТРОС
Содержащиеся в справочниках-каталогах запасные части и детали не предлагаются к продаже, а носят исключительно информационный характер
Дополнительная информация
×
Название:
Номер:
Примечание: