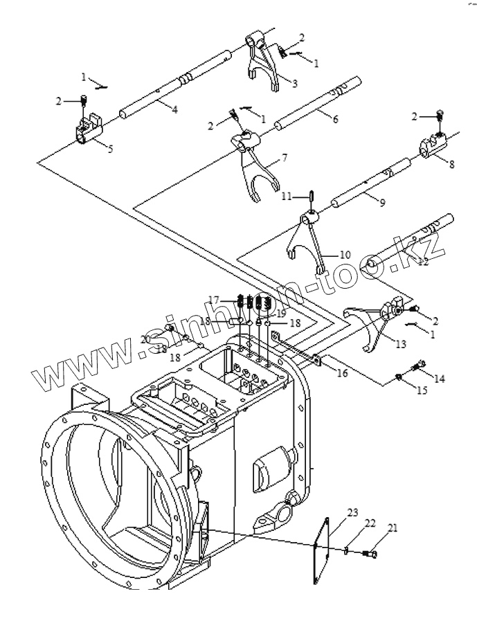
Каталог запасных частей к технике: Foton TA60. Gearbox Assembly-5 (formerly)
1
1
1
1
2
2
2
2
2
3
4
5
6
7
8
9
10
11
12
13
14
15
16
17
18
18
18
18
19
20
21
21
22
23
| Позиция на иллюстрации | Заводской номер детали | Название детали | |
|---|---|---|---|
| 1 | GB/T 343-1994 | low carbon steel wire SZ-1.40 | |
| 2 | FT65.37.109 | Stop bolt | |
| 3 | FT65.37.136 | shift fork for fast and slow gear | |
| 4 | FT65.37.122 | gearshift shaft for fast and slow gear | |
| 5 | FT65.37.126a | shift block for fast and slow gear | |
| 6 | FT65.37.125 | gear change shift,1 reverse gear | |
| 7 | FT65.37.128a | shift block,1 reverse gear | |
| 8 | FT65.37.133 | shift block ,direct gear | |
| 9 | FT65.37.124 | gear change shift ,4gear | |
| 10 | FT65.37.129 | shift fork ,direct gear | |
| 11 | GB/T 879-1986 | Pin | |
| 12 | FT65.37.123 | gear change shaft,2 and 3 gear | |
| 13 | FT65.37.127a | shift fork ,2and 3gear | |
| 14 | GB/T 5781 | Bolt | |
| 15 | GB/T 93 | Washer | |
| 16 | FT65.37.171a | strocke limiting plate | |
| 17 | FT65.37.113 | self-locking spring | |
| 18 | GB/T 308 | Steel ball | |
| 19 | FT65.37.178 | IV shaft lock pin | |
| 20 | FT65.37.169 | plug | |
| 21 | GB/T 65 | Screw | |
| 21 | GB/T 5781-2000 | Bolt | |
| 22 | GB/T 93 | Washer | |
| 23 | FT65.37.181-1 | cover plate for observation |
Содержащиеся в справочниках-каталогах запасные части и детали не предлагаются к продаже, а носят исключительно информационный характер