Каталог запасных частей к технике: Foton TA60. Gearbox Assembly-5 (enhance chassis)
1
2
2
2
2
2
2
3
3
3
3
3
3
3
4
5
6
7
8
9
10
11
12
13
13
14
14
15
15
15
16
17
18
19
20
21
22
23
23
23
24
25
25
26
27
27
28
28
29
30
31
32
32
33
34
35
36
37
38
39
40
41
42
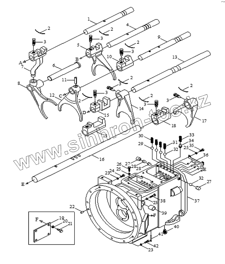
| Позиция на иллюстрации | Заводской номер детали | Название детали | |
|---|---|---|---|
| FT700.37B.001 | FT700.37B.001 | Gearbox Assembly | |
| FT700.37.001 | FT700.37.001 | Gearbox Assembly | |
| FT700.37F.001 | FT700.37F.001 | Gearbox Assembly | |
| FT700.37E.001 | FT700.37E.001 | Gearbox Assembly | |
| 1 | FT700.37.123 | reverse shift shaft | |
| 2 | GB/T343 | Low carbon steel wire SZ-1.40 | |
| 3 | FT65.37.109 | Stop bolt | |
| 4 | FT700.37.125 | I IIgear , shaft | |
| 5 | FT700.37.128 | I Iigear,fork | |
| 6 | FT700.37.192 | reverse middle fork shaft | |
| 7 | FT700.37.127 | reverse gear fork rod | |
| 8 | FT700.37.191 | reverse gear fork | |
| 9 | FT700.37.124 | III and IV gear shift shaft | |
| 10 | FT700.37.133 | III and IV gear fork block | |
| 11 | GB/T879 | Spring type straight | |
| 12 | FT700.37.129 | shift fork,3rd and 4rd | |
| 13 | FT700.37.122 | fast and slow shaft | |
| 13 | FT700.37B.122 | fast and slow shaft | |
| 14 | FT700.37.136 | shift fork,fast and slow | |
| 14 | FT700.37B.136 | shift fork,fast and slow | |
| 15 | FT700.37.126 | shift block,fast and slow | |
| 15 | FT700.37B.126 | shiftblock,fast and slow | |
| 16 | FT700.37B.204 | crawl fork shaft | |
| 17 | FT700.37B.203 | crawl fork | |
| 18 | FT65.37D.206 | crawl fork point | |
| 19 | FT65.37D.181-1 | inspection window | |
| 20 | GB/T93 | Шайба 12 | |
| 21 | GB/T5783 | Болт M12x35 | |
| 22 | GB/T119 | Straight pin B12x24 | |
| 23 | GB/T93 | Шайба 12 | |
| 24 | GB/T5783 | Болт M12x35 | |
| 25 | GB/T93 | Шайба 12 | |
| 26 | GB/T5783 | Болт M12x35 | |
| 27 | FT65.37.169 | plug | |
| 28 | FT700.37.178 | mutual interlocked pin | |
| 29 | GB/T308 | Steel bal | |
| 30 | FT700.37.139 | gasket ,planetary gear housing | |
| 31 | FT65.37.113 | self-locking spring | |
| 32 | GB/T308 | Steel bal | |
| 33 | FT65.37D.207 | grade 2,shift shaft lockself spring | |
| 34 | FT65.37.178 | IV shaft lock pin | |
| 35 | GB/T5781 | Bolt | |
| 36 | FT65.37D.171 | shift shaft space stop piece | |
| 37 | FT700.37.101 | gearbox body | |
| 38 | GB/T5782 | Болт M12x50 | |
| 39 | FT65.37.132 | separete shaft bush of clutch | |
| 40 | FT65.38.026 | Oil plug | |
| 41 | GB/T91 | Шплинт 3.2x25 | |
| 42 | GB/T5783 | Болт M12x35 |
Содержащиеся в справочниках-каталогах запасные части и детали не предлагаются к продаже, а носят исключительно информационный характер