Каталог запасных частей к технике: Foton TA60. Gearbox Assembly-2 (enhance)
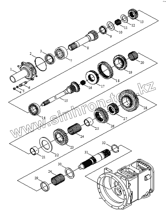
1
2
3
4
5
6
7
8
8
9
10
11
12
13
14
15
16
17
18
19
20
21
22
23
24
24
25
26
27
28
29
30
31
32
| Позиция на иллюстрации | Заводской номер детали | Название детали | |
|---|---|---|---|
| 1 | FT700.37.102 | 1 bearing housing | |
| 2 | FT65.37.185 | O-seal ring | |
| 3 | GB/T 9877.1 | Oil sealing | |
| 4 | GB/T 6170 | Nut | |
| 5 | GB/T 93 | Washer | |
| 6 | GB/T 898 | Bolt | |
| 7 | GB/T 296-1994 | Double row angular contact ball bearings 3211A | |
| 8 | FT700.37.108 | driving shaft gear | |
| 8 | FT700.37E.108 | driving shaft gear | |
| 9 | GB/T 9877.1 | Oil sealing | |
| 10 | FT700.37.194 | bearing adjusting shim | |
| 11 | GB/T 5846-1986 | needle rooller bearing | |
| 12 | FT700.37.112 | clearance adjusting shim | |
| 13 | FT700.37.103 | constant engaging driving gear | |
| 14 | GB/T 283-1994 | cylindrical roller bearing | |
| 15 | FT700.37.104 | 1 shaft | |
| 16 | GB/T 5846-1986 | needle rooller bearing | |
| 17 | FT700.37.140 | III and IV gear mesh seat | |
| 18 | FT700.37.142 | III and IV gear mesh bush | |
| 19 | FT700.37.105 | III gear ,II shaft | |
| 20 | GB/T 5846-1986 | needle rooller bearing | |
| 21 | FT700.37.130 | III gear bush | |
| 22 | FT700.37.134 | II and III gear gasket | |
| 23 | FT700.37.110 | II gear ,II shaft | |
| 24 | GB/T 5846-1986 | needle rooller bearing | |
| 25 | FT700.37.111 | II gear bush | |
| 26 | FT700.37.137 | Reverse driving gear | |
| 27 | FT700.37.186 | Reverse bush | |
| 28 | FT700.37.107 | I gear ,II shaft | |
| 29 | FT700.37.196 | spacer sleeve | |
| 30 | FT700.37.195 | I gear gasket | |
| 31 | FT700.37.106 | 2 shaft | |
| 32 | GB/T 894.1 | Circlip for shaft |
Содержащиеся в справочниках-каталогах запасные части и детали не предлагаются к продаже, а носят исключительно информационный характер