Каталог запасных частей к технике: Foton TA60. Gearbox Assembly
1
2
3
3
4
4
5
5
6
6
7
7
7
8
8
9
9
10
10
11
11
12
12
13
13
14
15
16
16
17
18
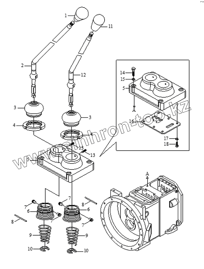
| Позиция на иллюстрации | Заводской номер детали | Название детали | |
|---|---|---|---|
| 1 | FT700.37.014 | Main gearshift handle cap assembly | |
| 2 | FT700.37.157 | Gear change handl, main gerashift | |
| 3 | FT800.37.138 | Dust cover of gear change handle | |
| 4 | FT800.37.191 | Gear change seat lock nut | |
| 5 | FT700.37.151 | Gearbox housing | |
| 6 | FT800.37.192 | Gear change seat | |
| 7 | FT800.37.193 | Gear change locating pin | |
| 8 | GB/T 3083 | galvanization steel wire Zb1.4x250 | |
| 9 | FT800.37.137 | Spring of gear change handle | |
| 10 | FT800.37.182 | Lock washer | |
| 11 | FT65.37.015 | Auxiliary gearshift handle cap assembly | |
| 11 | FT65.37D.015 | Creeping gearshift handle cap assembly | |
| 12 | FT700.37.158 | Gear change handle of auxiliary gearshift | |
| 12 | FT700.37B.158 | Gear change handle of auxiliary gearshift | |
| 13 | GB/T 75 | Screw | |
| 14 | GB/T 5780 | Bolt | |
| 15 | GB/T 93 | Washer | |
| 16 | FT700.37.159 | Restrict plate | |
| 16 | FT700.37B.159 | Restrict plate | |
| 17 | GB/T 93 | Washer | |
| 18 | GB/T 5783 | Bolt |
Содержащиеся в справочниках-каталогах запасные части и детали не предлагаются к продаже, а носят исключительно информационный характер