Каталог запасных частей к технике: Foton TA60. Electrical System Assembly
1
1
2
3
4
4
5
6
7
8
9
10
10
11
12
13
13
14
14
15
15
16
16
16
16
17
17
17
18
19
20
21
22
22
23
23
23
23
24
24
24
24
25
26
27
28
29
30
31
32
33
34
34
35
36
37
38
38
38
39
40
41
42
43
44
44
45
46
47
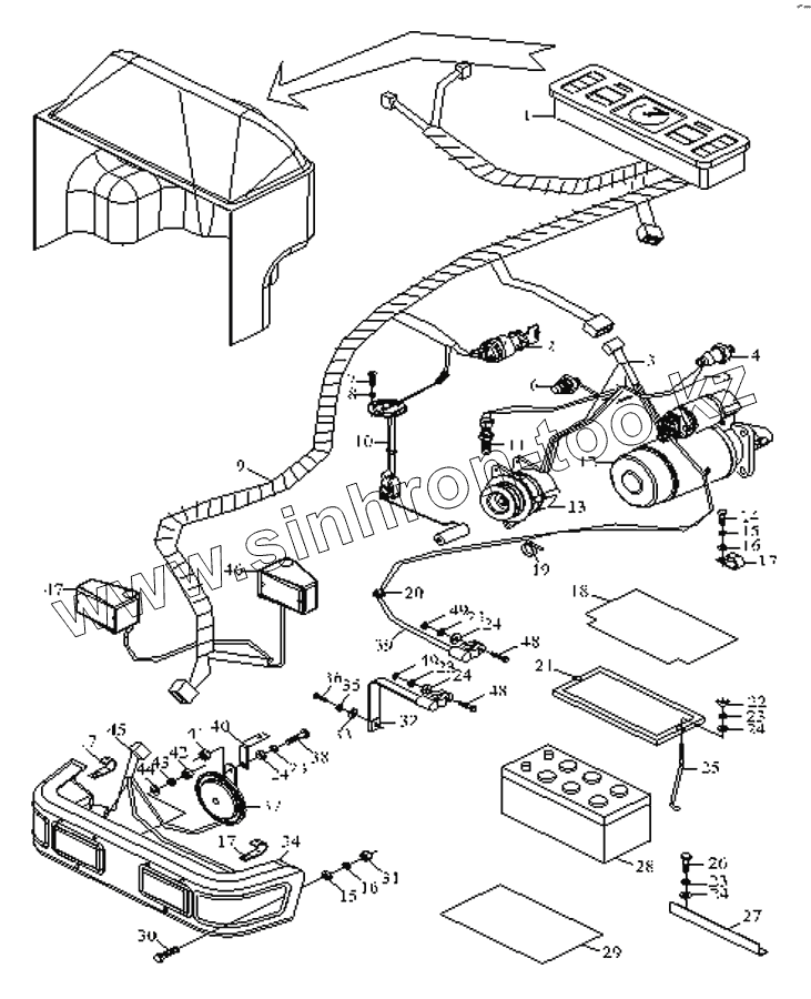
| Позиция на иллюстрации | Заводской номер детали | Название детали | |
|---|---|---|---|
| 1 | FT65.48.610B | Combination instrument assembly | |
| 1 | FT65.48.610A | Combination instrument assembly | |
| 2 | FT65.48.640 | Ignition lock JK460 | |
| 3 | FT65.48.024 | Engine harness assembly | |
| 4 | FT55.48.024 | Engine harness assembly | |
| 4 | FT65.48.087 | Pressure alarm | |
| 5 | FT65.48.025 | Wire for alarm | |
| 6 | FT65.48.072 | Water temperature sensor WDG1317 | |
| 7 | GB/T 818-200 | Screw M4x6-Zn.D | |
| 8 | GB/T 93-1987 | Spring washer | |
| 9 | FT550.48.020 | Body harness assembly | |
| 10 | FT65.48B.020 | Body harness assembly | |
| 10 | FT65.48.071 | Fuel sensor RG116351 | |
| 11 | FT65.48.074 | Speed sensor ZG255C | |
| 12 | QD141G | Starter QD141G | |
| 13 | QD158B | Starter QD158B | |
| 13 | JF1521B | Alternator JF1521B | |
| 14 | JFW17Y | Alternator JFW17Y | |
| 14 | GB/T 5783-2000 | Bolt | |
| 15 | GB/T 93-1987 | Spring washer | |
| 16 | GB/T 97.1-1985 | Plain washer | |
| 17 | FT65.48.097 | Harness holder | |
| 18 | FT65.48.815 | Cover plate,battery | |
| 19 | ZD140X3.5 | Adjustable keeper | |
| 20 | FT65.48.092 | Rubber ring(3) | |
| 21 | FT65.48.812 | Fxed frame weldment | |
| 22 | FT55.48.812 | Fxed frame weldment | |
| 22 | GB/T 62-1988 | Wing nut M9-Zn.D | |
| 23 | GB/T 93-1987 | Spring washer | |
| 24 | GB/T 97.1-1985 | Plain washer | |
| 25 | FT65.48.811 | Pull rod ,battery | |
| 26 | GB/T 5783-2000 | Bolt | |
| 27 | FT65.48.816 | Fixed plate of Battery | |
| 28 | FT65.48.810 | Battery | |
| 29 | FT65.48.817 | Base plate,battery | |
| 30 | GB/T 5783-2000 | Bolt | |
| 31 | GB/T 6173-2000 | Nut | |
| 32 | FT65.45.091 | Ground wire for battery | |
| 33 | GB/T97.1-1985 | Plain washer | |
| 34 | FT65.48.310 | Front lamp unit assembly | |
| 35 | GB/T 93-1987 | Spring washer | |
| 36 | GB/T 5783-2000 | Bolt | |
| 37 | FT65.48.340 | Electrical horn | |
| 38 | GB/T 818-2000 | Screw | |
| 39 | FT65.48.090 | Power source wire | |
| 40 | FT65.48.350 | Bracket,electrical horn | |
| 41 | GB/T 6173-2000 | Nut | |
| 42 | Q340B06 | Гайка | |
| 43 | Q40306 | Шайба пружинная | |
| 44 | Q40006 | Шайба | |
| 45 | FT65.48.021 | Harness assembly ,front lamp | |
| 46 | FT65.48.084 | Left armrest lamp assembly | |
| 47 | FT65.48.085 | Right armrest lamp assembly |
Содержащиеся в справочниках-каталогах запасные части и детали не предлагаются к продаже, а носят исключительно информационный характер