Каталог запасных частей к технике: Foton Europard 40. Lifter assembly
1
2
2
2
2
2
2
2
2
3
4
5
6
7
8
8
9
10
11
12
13
14
15
16
17
18
19
20
20
21
21
22
22
23
23
24
24
25
26
27
28
29
30
31
32
33
34
35
36
37
37
38
39
40
41
42
43
44
45
46
47
48
49
50
51
52
53
53
54
55
56
57
58
59
60
60
61
62
63
64
65
66
67
68
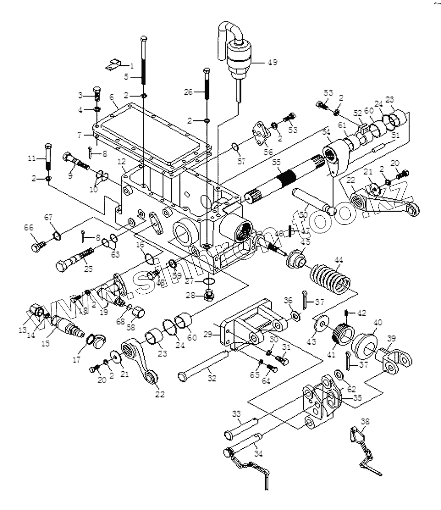
| Позиция на иллюстрации | Заводской номер детали | Название детали | |
|---|---|---|---|
| 1 | FT65.48.095 | Harness holder | |
| 2 | GB/T93 | Шайба 12 | |
| 3 | GB/T5781 | Bolt | |
| 4 | GB/T93 | Шайба 12 | |
| 5 | GB/T5782 | Болт M12x50 | |
| 6 | FT300.55B.115 | Upper cover of lifter | |
| 7 | FT300.55B.114 | Gasket, upper cover | |
| 8 | GB/T91 | Шплинт 3.2x25 | |
| 9 | FT300.55B.018 | Lowering rate control lever | |
| 10 | GB3452.1 | O-seal ring | |
| 11 | GB/T5783 | Болт M12x35 | |
| 12 | FT300.55B.101 | Lifter housing | |
| 13 | FT300.61.101 | Oil pipe joint | |
| 14 | FT654.58.106a | Washer | |
| 15 | FT704.58C.010 | Snap joint | |
| 16 | GB1235 | O-seal ring | |
| 17 | FT654.58.155 | Dust cap | |
| 18 | GB/T5783 | Болт M12x35 | |
| 19 | FT300.58B.120a | Hydraulic pressure output pipe joint | |
| 20 | GB/T5783 | Болт M12x35 | |
| 21 | FT300.55B.126 | Left pressure plate | |
| 22 | FT300.55B.020 | Lifting arm assembly | |
| 23 | FT300.55B.104 | Shaft sleeve A | |
| 24 | GB3452.1 | O-seal ring | |
| 25 | FT300.55B.118 | Control lever for cutoff valve | |
| 26 | GB/T5782 | Болт M12x50 | |
| 27 | GB1235 | O-seal ring | |
| 28 | FT300.55B.125 | Spring hookup | |
| 29 | FT300.55B.128 | Rocker bracker for upper hitch point | |
| 30 | GB/T93 | Шайба 12 | |
| 31 | GB/T5783 | Болт M12x35 | |
| 32 | FT300.55B.107 | Joint pin of rocker | |
| 33 | FT300.55B.116 | Upper joint pin of rocker | |
| 34 | FT300.55B.015 | Front joint pin chain assembly, upper link | |
| 35 | FT300.55B.130 | Rocker | |
| 36 | GB/T97.1 | Шайба 12 | |
| 37 | GB/T91 | Шплинт 3.2x25 | |
| 38 | FT300.55.016 | Latch chain assembly | |
| 39 | FT300A.55.121 | Joint for upper link | |
| 40 | 25.55.162 | Dust cap | |
| 41 | 25.55.161 | Nut | |
| 42 | GB/T119.1 | Parallel pin | |
| 43 | 25.55.160 | Spring hold - down plate] | |
| 44 | 25.55.157 | Spring for force control | |
| 45 | 25.55.159 | Spring seat | |
| 46 | 25.55.158 | Spring rod | |
| 47 | GB/T119 | Straight pin B12x24 | |
| 48 | FT300.55B.109 | Plug | |
| 49 | FT300.55B.016a | Breather assembly | |
| 50 | FT300.55.154 | Oil plug | |
| 51 | GB/T119 | Straight pin B12x24 | |
| 52 | FT300.55B.113 | Cam wheel for position control | |
| 53 | GB/T5783 | Болт M12x35 | |
| 54 | FT300.55.153 | Inner lifting arm | |
| 55 | FT300.55B.127 | Lifting shaft | |
| 56 | FT300.55B.103 | Joint plate for oil intake pipe | |
| 57 | GB3452.1 | O-seal ring | |
| 58 | FT300.55.125 | Washer for air plug | |
| 59 | FT300.55B.108 | Aluminium washer | |
| 60 | FT300.55B.129 | Axle housing C | |
| 61 | FT300.55B.105 | Axle housing B | |
| 62 | GB/T97.1 | Шайба 12 | |
| 63 | GB1235 | O-seal ring | |
| 64 | GB/T5783 | Болт M12x35 | |
| 65 | GB/T93 | Шайба 12 | |
| 66 | GB/T5781 | Bolt | |
| 67 | GB/T982 | Combined sealing washer 22 | |
| 68 | GB/T3452.1 | Кольцо типа "О" 145x3.55 |
Содержащиеся в справочниках-каталогах запасные части и детали не предлагаются к продаже, а носят исключительно информационный характер