Каталог запасных частей к технике: Foton Europard 40. Lifter assembly
1
2
2
3
4
4
5
6
7
8
9
9
9
9
10
10
11
11
12
13
13
14
14
14
14
15
15
16
17
18
18
19
20
21
22
23
24
24
25
25
26
26
27
28
28
29
30
31
32
33
34
35
36
37
37
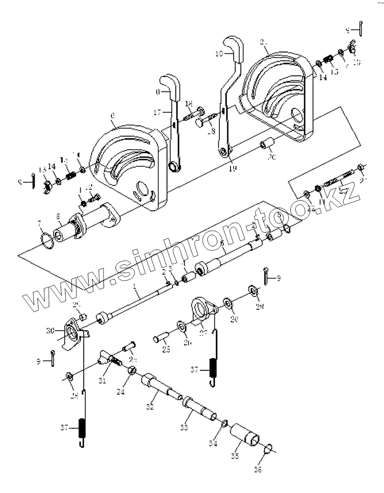
| Позиция на иллюстрации | Заводской номер детали | Название детали | |
|---|---|---|---|
| 1 | FT300.55.029 | Force control eccentric welding assembly | |
| 2 | GB/T1099 | Woodruff key 6x25 | |
| 3 | GB1235-1976 | O-seal ring | |
| 4 | FT300.55.198 | Handle sleeve | |
| 5 | FT300.55.038 | Position control eccentric welding assembly | |
| 6 | GB1235-1976 | O-seal ring | |
| 7 | GB/T1235-1976 | O-seal ring 48x3.5 | |
| 8 | FT300.55.136 | Support seat for sector plate | |
| 9 | GB/T91 | Шплинт 3.2x25 | |
| 10 | FT65.57.013 | Handle knob assembly | |
| 11 | GB/T93 | Шайба 12 | |
| 12 | GB/T5783 | Болт M12x35 | |
| 13 | GB/T62 | Гайка тарельчатая М10 | |
| 14 | GB/T96 | Шайба 12 | |
| 15 | FT300.55.131 | Pressured spring for handle | |
| 16 | FT300.55.195 | Sector plate for position control | |
| 17 | FT300.55.025 | Position control handle welding assembly | |
| 18 | FT300.55.132 | Pressured screw for handle | |
| 19 | FT300.55.024 | Force control handle welding assembly | |
| 20 | FT300.55.137 | Support sleeve for sector plate | |
| 21 | FT300.55.193 | Sector plate for force control | |
| 22 | GB/T97.1 | Шайба 12 | |
| 23 | GB/T899 | Doube end stud AM12-M12x1.25x50-8.8-A2L | |
| 24 | GB/T6170 | Гайка М6 | |
| 25 | FT300.55.143 | Pin | |
| 26 | FT300.55.144 | Roller wheel | |
| 27 | FT300.55.202 | Lever for position control | |
| 28 | GB/T97.1 | Шайба 12 | |
| 29 | FT300.55.221 | Lever sleeve for force control | |
| 30 | FT300.55.204 | Lever for force control | |
| 31 | FT300.55.150 | Joint arm | |
| 32 | FT300.55.152 | Push rod for force control | |
| 33 | FT300.55.113 | Sleeve of push rod | |
| 34 | GB1235-1976 | O-seal ring | |
| 35 | FT300.55.112 | Sealing tube of force control | |
| 36 | GB1235-1976 | O-seal ring | |
| 37 | FT300.55.126 | Draft spring |
Содержащиеся в справочниках-каталогах запасные части и детали не предлагаются к продаже, а носят исключительно информационный характер