Каталог запасных частей к технике: Foton Europard 40. Helmet Structure Assembly
1
2
3
3
4
4
4
5
6
7
8
9
10
11
12
12
13
13
14
15
15
16
17
18
19
20
21
22
23
24
25
26
26
27
28
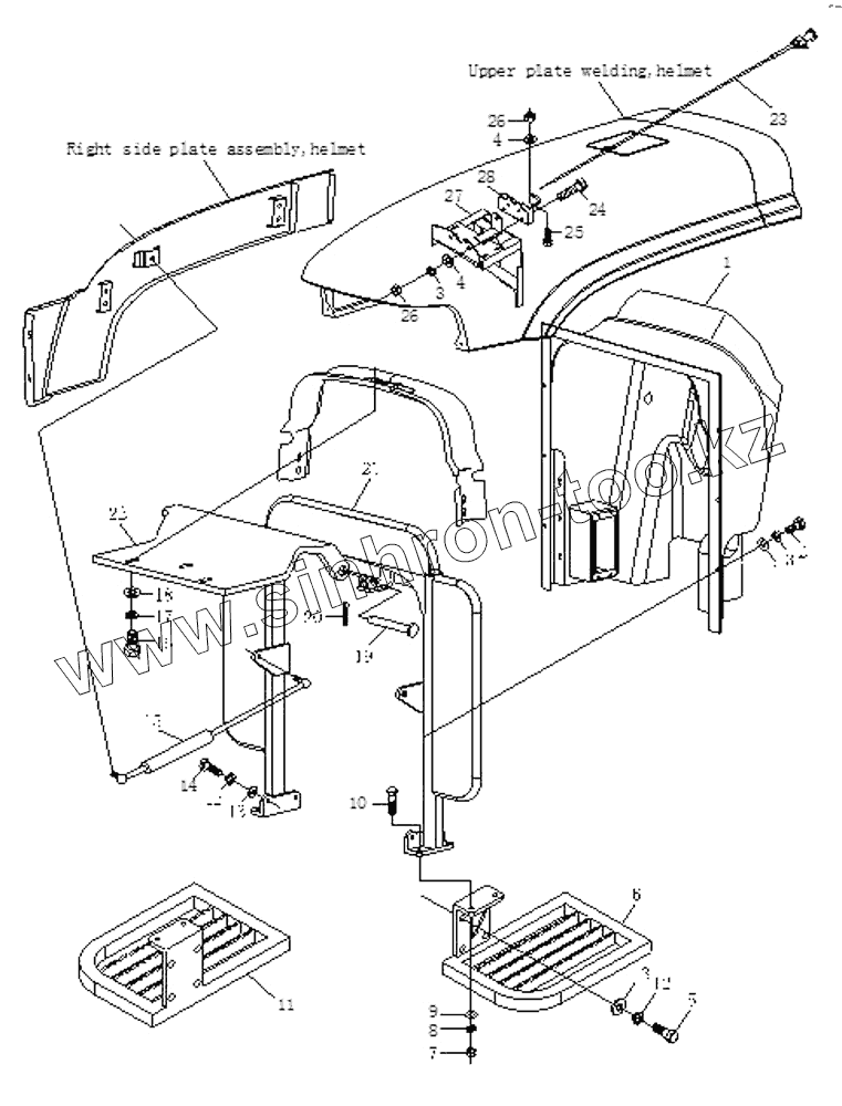
| Позиция на иллюстрации | Заводской номер детали | Название детали | |
|---|---|---|---|
| 1 | FT300.47.020 | Instrument table assembly | |
| 2 | GB/T5783 | Болт M12x35 | |
| 3 | GB/T93 | Шайба 12 | |
| 4 | GB/T97.1 | Шайба 12 | |
| 5 | GB/T5783 | Болт M12x35 | |
| 6 | FT300.47.037 | Left footstep assembly | |
| 7 | GB/T6170 | Гайка М6 | |
| 8 | GB/T93 | Шайба 12 | |
| 9 | GB/T97.1 | Шайба 12 | |
| 10 | GB/T5783 | Болт M12x35 | |
| 11 | FT300.47.038 | Right footstep assembly | |
| 12 | GB/T93 | Шайба 12 | |
| 13 | GB/T97.1 | Шайба 12 | |
| 14 | GB/T5783 | Болт M12x35 | |
| 15 | FT300.47.558 | Spring, helmet (1) | |
| 15 | FT400.47.558 | Spring, helmet (2) | |
| 16 | GB/T5783 | Болт M12x35 | |
| 17 | GB/T93 | Шайба 12 | |
| 18 | GB/T97.1 | Шайба 12 | |
| 19 | GB/T882 | Валик фиксирующий В8х40 | |
| 20 | GB/T91 | Шплинт 3.2x25 | |
| 21 | FT300.47.016 | Support beam weldment assembly | |
| 22 | FT400.47.105 | Joint plate assembly for pivot | |
| 23 | FT65.47.029 | Flexible shafting dragline assembly,bonnet lock | |
| 24 | GB/T818 | Винт М6х45 | |
| 25 | FT65.47.126 | Locking screw | |
| 26 | GB/T6170 | Гайка М6 | |
| 27 | FT300.47.023 | Bracket assembly of helmet lock | |
| 28 | FT65.47.127 | Bonnet lock |
Содержащиеся в справочниках-каталогах запасные части и детали не предлагаются к продаже, а носят исключительно информационный характер