Каталог запасных частей к технике: Foton Europard 40. Gearbox Assembly
1
2
3
3
4
4
5
6
7
7
7
7
7
8
9
10
11
12
13
13
14
15
16
17
18
19
20
21
22
23
24
25
26
27
28
29
30
31
32
33
34
35
36
37
37
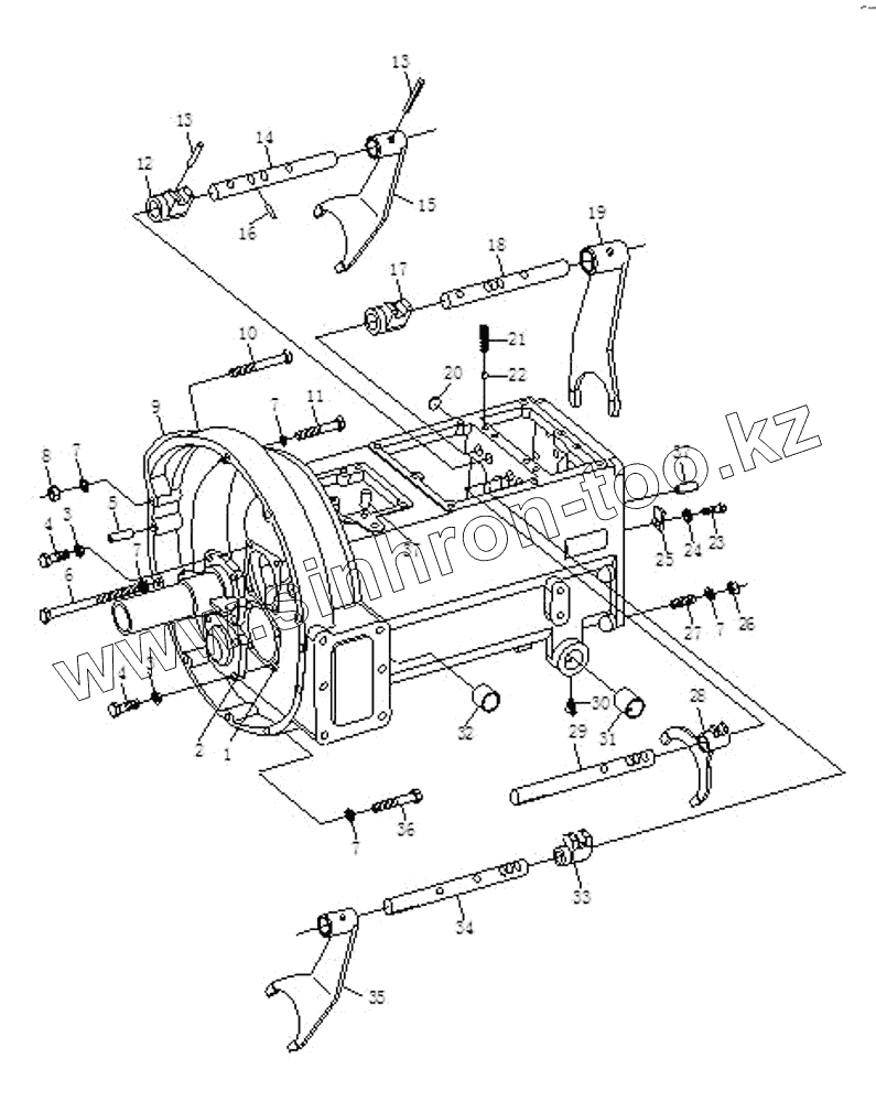
| Позиция на иллюстрации | Заводской номер детали | Название детали | |
|---|---|---|---|
| 1 | FT300.37.119 | Housing gasket of shaft | |
| 2 | FT300.37.120 | Housing of shaft | |
| 3 | GB/T93 | Шайба 12 | |
| 4 | GB/T5783 | Болт M12x35 | |
| 5 | GB/T119-1986 | Parallel pin D12x28 (D14x30) | |
| 6 | GB/T5782 | Болт M12x50 | |
| 7 | GB/T93 | Шайба 12 | |
| 8 | GB/T6170 | Гайка М6 | |
| 9 | FT300.37E.101 | Gearbox housing | |
| 10 | GB/T5782 | Болт M12x50 | |
| 11 | GB/T5782 | Болт M12x50 | |
| 12 | FT300.37.153 | Reverse gear fork | |
| 13 | GB/T879 | Spring type straight | |
| 14 | FT300.37.155 | Shaft of reverse gear fork | |
| 15 | FT300.37.146 | Reverse gear fork | |
| 16 | FT300.37.151 | Inter-lock pin | |
| 17 | FT300.37.154 | Auxiliary gearshift fork | |
| 18 | FT300.37.156 | Shaft of auxiliary gearshift fork | |
| 19 | FT300.37.145 | Auxiliary gearshift fork | |
| 20 | QC/T387-1999 | Shim | |
| 21 | FT300.37.135 | Locating spring of fork shaft | |
| 22 | GB/T308-1989 | Steel ball | |
| 23 | GB/T5783 | Болт M12x35 | |
| 24 | GB/T93 | Шайба 12 | |
| 25 | FT300.37.140 | Limiting plate for reverse shaft | |
| 26 | GB/T6171 | Гайка М20х1.5 | |
| 27 | GB/T899 | Doube end stud AM12-M12x1.25x50-8.8-A2L | |
| 28 | FT300.37.147 | Gear fork | |
| 29 | FT300.37.150 | Gear fork shaft | |
| 30 | GB/T1153-1986 | Fitting grease nipple 90°M10x1 | |
| 31 | FT300.37.158 | Sleeve for pedal shaft | |
| 32 | FT300.37.159 | Sleeve for separating fork shaft | |
| 33 | FT300.37.152 | Gear fork handle | |
| 34 | FT300.37.149 | Gear shifting fork shaft | |
| 35 | FT300.37.148 | Gear fork | |
| 36 | GB/T5782 | Болт M12x50 | |
| 37 | GB/T119 | Straight pin B12x24 |
Содержащиеся в справочниках-каталогах запасные части и детали не предлагаются к продаже, а носят исключительно информационный характер