Каталог запасных частей к технике: Foton Europard 40. Front Driving Axle Assembly(qingjiang)
1
2
3
3
4
4
5
6
6
7
7
8
8
9
9
10
11
11
12
12
13
13
14
15
16
17
18
19
20
21
22
23
24
25
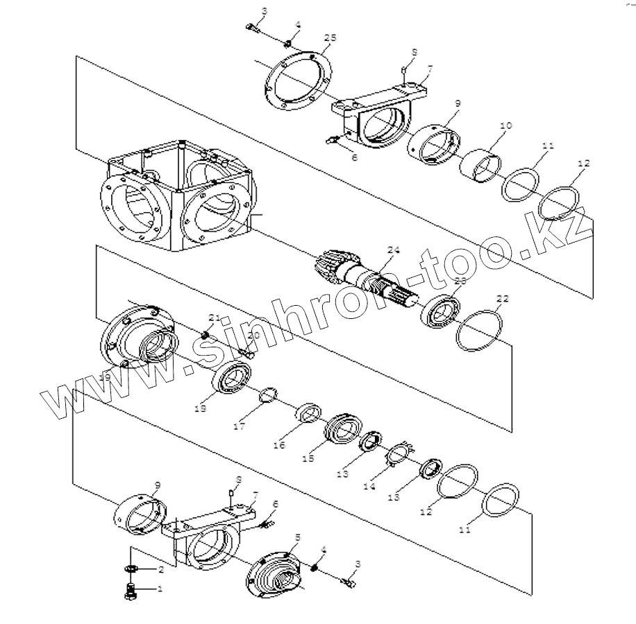
| Позиция на иллюстрации | Заводской номер детали | Название детали | |
|---|---|---|---|
| 1 | GB/T5783 | Болт M12x35 | |
| 2 | GB/T93 | Шайба 12 | |
| 3 | GB/T5783 | Болт M12x35 | |
| 4 | GB/T93 | Шайба 12 | |
| 5 | FT304.31.108 | Rear cover | |
| 6 | JB/T7940.1-1995 | Oil cup | |
| 7 | FT304.31.163 | Housing of bearing | |
| 8 | GB/T119-1986 | Parallel pin D12x28 (D14x30) | |
| 9 | FT304.31.162 | Shaft sleeve | |
| 10 | FT304.31.141 | Sleeve of front oscillating axle | |
| 11 | GB3452.1 | O-seal ring | |
| 12 | FT304.31.109 | Washer | |
| 13 | GB/T810-1998 | Small round nut M30x1.5 | |
| 14 | GB/T858-1998 | Tab washer for round nut 30 | |
| 15 | GB/T9877.7-1998 | Oil seal B45x70x8 | |
| 16 | FT304.31.170 | Spacer sleeve | |
| 17 | GB3452.1 | O-seal ring | |
| 18 | GB/T297-1994 | Bearing 30211 (2007113) | |
| 19 | FT304.31.169 | End cover of input shaft | |
| 20 | GB/T5783 | Болт M12x35 | |
| 21 | GB/T93 | Шайба 12 | |
| 22 | GB3452.1 | O-seal ring | |
| 23 | GB/T297-1994 | Bearing 30211 (2007113) | |
| 24 | FT304.31.167 | Input gear shaft | |
| 25 | FT304.31.107 | Front cover |
Содержащиеся в справочниках-каталогах запасные части и детали не предлагаются к продаже, а носят исключительно информационный характер