Каталог запасных частей к технике: Foton Europard 40. Front Driving Axle Assembly(qingjiang)
1
1
2
2
3
3
4
4
5
5
6
6
7
7
8
8
9
9
10
10
10
10
11
12
13
14
15
16
17
18
18
19
20
20
20
20
21
21
22
22
23
23
24
24
25
26
26
27
27
28
28
29
30
31
32
33
34
35
36
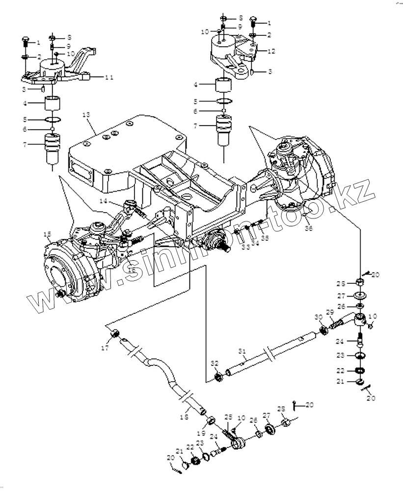
| Позиция на иллюстрации | Заводской номер детали | Название детали | |
|---|---|---|---|
| 1 | GB/T5783 | Болт M12x35 | |
| 2 | GB/T93 | Шайба 12 | |
| 3 | GB/T120-1986 | Parallel pin with internal thread 8x30 | |
| 4 | FT304.31.165 | Adjusting screw | |
| 5 | GB3452.1 | O-seal ring | |
| 6 | FT304.31.122 | Steel ball 8.5000G100b | |
| 7 | GB/T308-1989 | Steel ball | |
| 8 | FT304.31.152 | Sealing roof | |
| 9 | FT304.31.165 | Adjusting screw | |
| 10 | JB/T7940.1-1995 | Oil cup | |
| 11 | FT304.31.166 | Left steering rocker | |
| 12 | FT304.31.180 | Right steering rocker | |
| 13 | FT304.31.101 | Holder | |
| 14 | FT304.31.181 | Joint of left drawbar | |
| 15 | FT304.31.013 | Transmission assembly,left side | |
| 16 | FT304.31.146 | Joint of left cross drawbar | |
| 17 | GB/T6171 | Гайка М20х1.5 | |
| 18 | FT304.31D.188 | Longitudinal drawbar | |
| 18 | FT304.31.188 | Longitudinal drawbar | |
| 19 | GB/T6171 | Гайка М20х1.5 | |
| 20 | GB/T91-1986 | Split pin 3.2x50 | |
| 21 | FT304.31.147 | Sealing cap | |
| 22 | FT304.31.148 | Hold-down spring | |
| 23 | FT304.31.149 | Cap for ball pin | |
| 24 | FT304.31.151 | Ball pin | |
| 25 | FT304.31.189 | Joint of right drawbar | |
| 26 | FT304.31.150 | Seat for ball pin | |
| 27 | FT304.31.152 | Sealing roof | |
| 28 | GB/T6178-1986 | Hexagon slotted and castle nut,style M14 | |
| 29 | FT304.31.154 | Joint of right drawbar | |
| 30 | GB/T6171 | Гайка М20х1.5 | |
| 31 | FT304.31.153 | Central pipe | |
| 32 | GB/T6171 | Гайка М20х1.5 | |
| 33 | GB/T6170 | Гайка М6 | |
| 34 | GB/T5783 | Болт M12x35 | |
| 35 | GB/T93 | Шайба 12 | |
| 36 | GB/T119 | Straight pin B12x24 |
Содержащиеся в справочниках-каталогах запасные части и детали не предлагаются к продаже, а носят исключительно информационный характер