Каталог запасных частей к технике: Foton Europard 25. Power take-off assembly
1
2
2
3
3
4
5
5
6
7
8
9
10
10
10
11
11
12
13
13
14
15
16
17
18
19
19
20
21
21
22
22
23
24
25
26
27
28
28
29
30
31
32
33
34
35
36
37
38
39
40
41
42
43
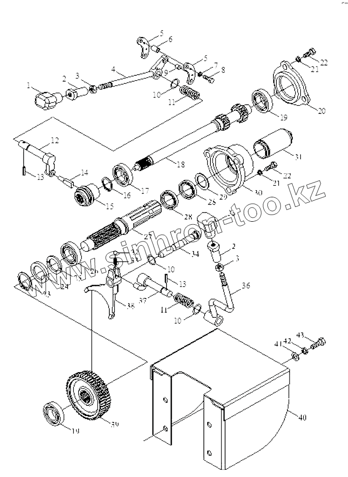
| Позиция на иллюстрации | Заводской номер детали | Название детали | |
|---|---|---|---|
| FT250.41A.001 | FT250.41A.001 | power take-off assembly | |
| FT250.41A.108 | FT250.41A.108 | driven gear,PTO(2) | |
| FT250.41.001 | FT250.41.001 | power take-off assembly | |
| FT250.41A.102 | FT250.41A.102 | propeller shaft for PTO(2) | |
| 1 | FT250.41.120 | handle | |
| 2 | FT250.37.305 | screw sleeve | |
| 3 | GB/T6170 | Гайка М6 | |
| 4 | FT250.41.017 | throw-out lever assembly | |
| 5 | FT250.41.112 | positioning plate of throw-out lever | |
| 6 | FT250.41.111 | sleeve | |
| 7 | GB/T93 | Шайба 12 | |
| 8 | GB/T5781 | Bolt | |
| 9 | FT250.41.128 | positioning pin | |
| 10 | GB3452.1 | O-seal ring | |
| 11 | FT250.41.114 | spring of throw-out lever | |
| 12 | FT250.41.110 | gear fork shaft,PTO | |
| 13 | GB/T879 | Spring type straight | |
| 14 | FT250.41.109 | fork head, PTO | |
| 15 | FT250.41.101 | hub splines | |
| 16 | GB/T894.1 | Кольцо установочное 12 | |
| 17 | GB/T276 | Подшипник 212 | |
| 18 | FT250.41.102 | propeller shaft for PTO(1) | |
| 19 | GB/T276 | Подшипник 212 | |
| 20 | FT250.41.103 | bearing cover,propeller shaft | |
| 21 | GB/T93 | Шайба 12 | |
| 22 | GB/T5783 | Болт M12x35 | |
| 23 | GB/T894.1 | Кольцо установочное 12 | |
| 24 | FT250.41.132 | thrust collar | |
| 25 | FT250.41.131 | thrust | |
| 26 | GB/T276-1994 | Deep groove ball bearing 6206 | |
| 27 | FT250.41.106 | shaft for PTO | |
| 28 | GB/T9877.1 | Уплотнение В60х85х7 | |
| 29 | FT250.41.133 | washer | |
| 30 | FT250.41.104 | bearing cover, PTO | |
| 31 | FT250.41.107 | guard,PTO assembly | |
| 32 | GB/T308 | Steel bal | |
| 33 | FT250.37.148 | locking spring, gearshift fork | |
| 34 | FT250.41.116 | shifting fork axle, PTO | |
| 35 | FT250.41.121 | handle | |
| 36 | FT250.41.014 | shifting control level weldment,PTO | |
| 37 | FT250.41.013 | shifting fork level assembly,PTO | |
| 38 | FT250.41.115 | shifting fork,PTO | |
| 39 | FT250.41.108 | driven gear,PTO(1) | |
| 40 | FT250.41.018a | guard assembly,PTO shaft | |
| 41 | GB/T97.1 | Шайба 12 | |
| 42 | GB/T93 | Шайба 12 | |
| 43 | GB/T5781 | Bolt |
Содержащиеся в справочниках-каталогах запасные части и детали не предлагаются к продаже, а носят исключительно информационный характер