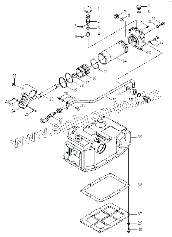
Каталог запасных частей к технике: Foton Europard 25. Lifter assembly-1
FT250.55.001
1
2
3
4
5
6
7
7
8
8
9
10
10
11
12
13
14
15
16
17
18
19
20
21
22
23
24
25
26
27
28
29
29
30
31
32
33
33
34
35
36
37
38
| Позиция на иллюстрации | Заводской номер детали | Название детали | |
|---|---|---|---|
| FT250.55.001 | FT250.55.001 | Lifter assembly | |
| 1 | FT65.55.140 | Handwheel | |
| 2 | FT250.55.128 | Adjusting valve stem | |
| 3 | GB3452.1 | O-seal ring | |
| 4 | FT250.55.129 | Adjusting valve | |
| 5 | GB/T879 | Spring type straight | |
| 6 | GB/T879 | Spring type straight | |
| 7 | JB/ZQ4450 | Винт-заглушка M14x1.5 | |
| 8 | JB/ZQ4454 | seal ring | |
| 9 | GB/T829 | slotted set screw with dog pointM5x6x4 | |
| 10 | GB/T93 | Шайба 12 | |
| 11 | GB/T5782 | Болт M12x50 | |
| 12 | GB/T5782 | Болт M12x50 | |
| 13 | FT250.55.126 | cylinder head | |
| 14 | FT250.55.102 | cylinder trunk | |
| 15 | GB3452.1 | O-seal ring | |
| 16 | FT250.55.130 | piston | |
| 17 | FT250.55.131 | ball seat of piston | |
| 18 | GB3452.1 | O-seal ring | |
| 19 | FT250.55.104 | washer | |
| 20 | FT250.55.132 | top rod | |
| 21 | GB/T882 | Валик фиксирующий В8х40 | |
| 22 | GB/T91 | Шплинт 3.2x25 | |
| 23 | GB/T95 | Шайба 14 | |
| 24 | FT250.55.133 | inner lifting arm | |
| 25 | GB/T882 | Валик фиксирующий В8х40 | |
| 26 | FT354.58A.103 | Dust proof lid | |
| 27 | FT354.58A.030 | Quick-change coupling | |
| 28 | GB/T6170 | Гайка М6 | |
| 29 | GB/T93 | Шайба 12 | |
| 30 | FT250.55.120 | pipe clip | |
| 31 | GB/T5781 | Bolt | |
| 32 | FT250.55.016 | hydraulic pressure output pipe weldment | |
| 33 | JB/ZQ4454 | seal ring | |
| 34 | FT250.55.119 | hollow bolt | |
| 35 | FT250.55.101 | lifter housing | |
| 36 | FT250.55.116 | paper gasket of base plate | |
| 37 | FT250.55.115 | base plate of lifter housing | |
| 38 | GB/T5783 | Болт M12x35 |
Содержащиеся в справочниках-каталогах запасные части и детали не предлагаются к продаже, а носят исключительно информационный характер