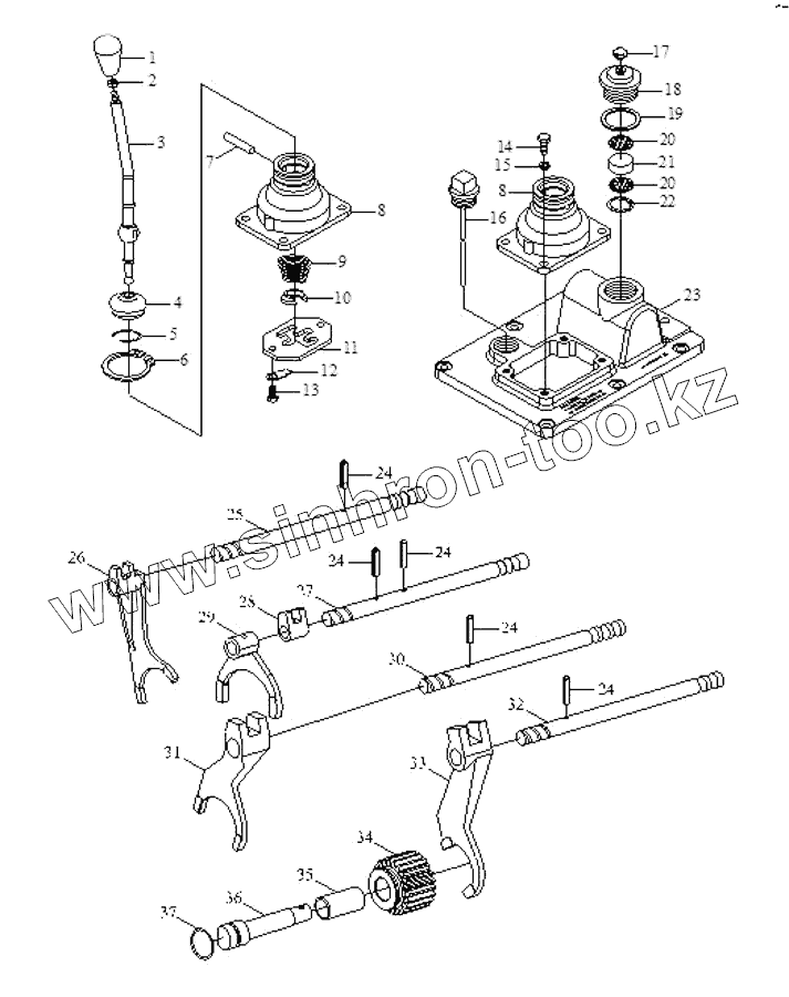
Каталог запасных частей к технике: Foton Europard 25. Gearbox assembly-1
1
2
3
4
5
6
7
8
8
9
10
11
12
13
14
15
16
17
18
19
20
20
21
22
23
24
24
24
24
24
25
26
27
28
29
30
31
32
33
34
35
36
37
| Позиция на иллюстрации | Заводской номер детали | Название детали | |
|---|---|---|---|
| FT250.37A.001 | FT250.37A.001 | gearbox assembly | |
| FT250.37.001 | FT250.37.001 | Gearbox assembly | |
| FT250.37C.001 | FT250.37C.001 | gearbox assembly | |
| FT250.37B.001 | FT250.37B.001 | gearbox assembly | |
| 1 | FT250.37.040 | handle | |
| 2 | GB/T6170 | Гайка М6 | |
| 3 | FT250.37.180 | shifting lever | |
| 4 | FT250.37.181 | seal cover of shifting lever | |
| 5 | FT250.37.248 | steel wire circlip | |
| 6 | GB/T894.1 | Кольцо установочное 12 | |
| 7 | GB/T119.1 | Parallel pin | |
| 8 | FT250.37.211 | seat of main shifting lever | |
| 9 | FT250.37.183 | spring for shifting lever | |
| 10 | FT250.37.184 | circlip for shifting lever | |
| 11 | FT250.37.185 | guide runner of shifting lever | |
| 12 | GB/T854 | Tab washer with long tab8 | |
| 13 | GB/T5783 | Болт M12x35 | |
| 14 | GB/T5783 | Болт M12x35 | |
| 15 | GB/T93 | Шайба 12 | |
| 16 | FT250.37.030 | dipstick assembly | |
| 17 | FT300.38.102 | air pipe cover | |
| 18 | FT300.38.172a | fuel feed screw | |
| 19 | FT650.40.166 | rubber gasket | |
| 20 | FT250.37.303 | seat board | |
| 21 | FT250.37.302 | breathing filter | |
| 22 | GB/T893.1 | Кольцо установочное для отверстия 110 | |
| 23 | FT250.37.182 | gearbox cover | |
| 24 | GB/T879 | Spring type straight | |
| 25 | FT250.37.188 | shifting fork shaft of high-low gear | |
| 26 | FT250.37.145 | shifting fork of high-low gear | |
| 27 | FT250.37.187 | shifting fork shaft for- gear | |
| 28 | FT250.37.142 | shifting fork for- gear | |
| 29 | FT250.37.143 | shifting fork for- gear | |
| 30 | FT250.37.186 | shifting fork shaft for- gear | |
| 31 | FT250.37.131 | shifting fork for-gear | |
| 32 | FT250.37.190 | shifting fork shaft of reverse gear | |
| 33 | FT250.37.118 | shifting fork of reverse gear | |
| 34 | FT250.37.108 | reverse gear | |
| 35 | FT250.37.109 | sleeve of reverse gear | |
| 36 | FT250.37.111 | reverse gear shaft | |
| 37 | GB3452.1 | O-seal ring |
Содержащиеся в справочниках-каталогах запасные части и детали не предлагаются к продаже, а носят исключительно информационный характер