Каталог запасных частей к технике: Foton Europard 25. Fuel tank assembly
1
2
3
4
4
5
6
7
7
8
9
9
9
10
11
12
13
14
14
14
14
15
15
15
16
16
17
18
19
19
20
20
21
22
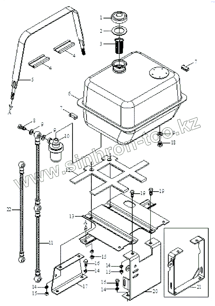
| Позиция на иллюстрации | Заводской номер детали | Название детали | |
|---|---|---|---|
| FT220.50.001 | FT220.50.001 | fuel tank assembly | |
| FT250.50A.001 | FT250.50A.001 | fuel tank assembly | |
| 1 | FT250.50.014a | cap of fuel tank | |
| 2 | FT250.50.130a | washer | |
| 3 | FT250.50.015a | filter screen assembly | |
| 4 | FT250.50.102 | rubber pad of steel belt | |
| 5 | FT250.50.013 | steel belt weldment | |
| 6 | FT250.50.012 | fuel tank weldment | |
| 7 | FT250.50.104 | rubber chart of steel belt | |
| 8 | FT65.50.106 | hollow bolt | |
| 9 | JB/T982 | Шайба комбинированная 27 | |
| 10 | FT65.50.033 | Settling bowl assembly | |
| 11 | FT250.50.023 | oil transport pipe assembly | |
| 12 | FT250.50.103 | rubber pad of tank | |
| 13 | FT250.50.011 | support plate weldment for tank | |
| 14 | GB/T93 | Шайба 12 | |
| 15 | GB/T6170 | Гайка М6 | |
| 16 | GB/T5783 | Болт M12x35 | |
| 17 | FT250.50.106 | front support rack for tank | |
| 18 | FT250.50.107 | fuel outlet plug | |
| 19 | GB/T5783 | Болт M12x35 | |
| 20 | FT250.50A.016 | rear support weldment for tank(match steel helmet using) | |
| 20 | FT250.50A.017 | rear support weldment for tank(match vitreous helmet using) | |
| 21 | FT250.50.016 | rear support weldment for tank | |
| 22 | FT220.50.023 | oil transport pipe assembly |
Содержащиеся в справочниках-каталогах запасные части и детали не предлагаются к продаже, а носят исключительно информационный характер