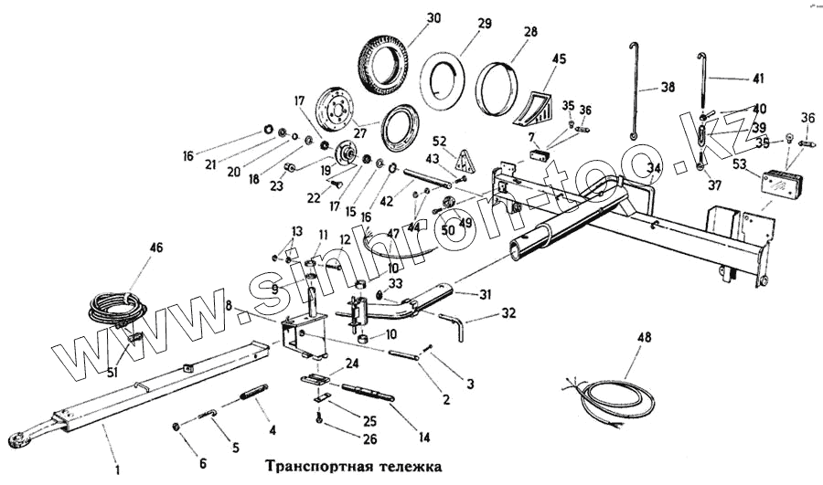
Каталог запасных частей к технике: Fortschritt Е-303. Транспортная тележка
1
2
3
4
5
6
7
8
9
10
10
11
12
13
14
15
16
16
17
17
18
19
20
21
22
23
24
25
26
27
28
29
30
31
32
33
34
35
35
36
36
37
38
39
40
41
42
43
44
45
46
47
48
49
50
51
52
53
| Позиция на иллюстрации | Заводской номер детали | Название детали | |
|---|---|---|---|
| 1 | 4134 77356 7 | Дышло | |
| 2 | 4134 77348 7 | Палец | |
| 3 | 9964 95060 2 | Шплинт | |
| 4 | 9974 88110 4 | Пружина растяжения | |
| 5 | 4134 77623 1 | Винт стяжной | |
| 6 | 9954 89742 0 | Гайка шестигранная | |
| 7 | 9019 87407 2 | Фонарь, задний, тормозной | |
| 8 | 4134 79102 1 | Рама, передняя | |
| 9 | 4134 77347 0 | Шайба | |
| 10 | 9926 86698 1 | Втулка | |
| 11 | 4134 77345 4 | Кольцо установочное | |
| 12 | 9932 93059 0 | Болт шестигранный | |
| 13 | 9950 89593 7 | Гайка шестигранная | |
| 14 | 4134 77350 1 | Ось, передняя | |
| 15 | 4134 77351 8 | Прокладка | |
| 16 | 9964 81781 8 | Кольцо стопорное | |
| 17 | 9902 89011 1 | Шарикоподшипник радиальный | |
| 18 | 4110 08769 1 | Шайба уплотнительная | |
| 19 | 4110 08768 3 | Ступица колеса | |
| 20 | 9964 91724 8 | Кольцо стопорное | |
| 21 | 4134 77352 6 | Крышка | |
| 22 | 9929 90226 0 | Болт колеса | |
| 23 | 9951 90247 1 | Гайка колеса | |
| 24 | 4134 77342 1 | Скоба | |
| 25 | 4134 78980 6 | Шайба стопорная | |
| 26 | 9933 93186 3 | Болт шестигранный | |
| 27 | 9017 90387 6 | Колесо дисковое | |
| 28 | 4032 80986 6 | Лента ободная | |
| 29 | 4032 80982 5 | Камера | |
| 30 | 4032 80979 4 | Шина | |
| 31 | 4134 77354 2 | Труба оси | |
| 32 | 4134 77343 8 | Штекер | |
| 33 | 9916 93942 0 | Штекер откидной | |
| 34 | 4134 77359 1 | Рама | |
| 35 | 9019 87607 4 | Лампа | |
| 36 | 9019 87620 1 | Лампа | |
| 37 | 9953 92844 6 | Рым-болт | |
| 38 | 4134 77398 5 | Винт стяжной | |
| 39 | 9952 94909 0 | Замок стяжной | |
| 40 | 9910 88364 3 | Рукоятка коническая | |
| 41 | 4134 77358 3 | Винт стяжной | |
| 42 | 4134 77360 6 | Ось | |
| 43 | 9932 93149 5 | Болт шестигранный | |
| 44 | 9950 89611 8 | Гайка шестигранная | |
| 45 | 9915 95480 6 | Колодка подкладная | |
| 46 | 4134 77344 6 | Кабель соединительный | |
| 47 | 4134 78665 1 | Кабель | |
| 48 | 4134 78666 8 | Кабель | |
| 49 | 9019 87803 5 | Розетка | |
| 50 | 9936 93789 0 | Болт с цилиндрической головкой | |
| 51 | 9019 87809 2 | Штекер | |
| 52 | 9019 87712 2 | Отражатель, треугольный | |
| 53 | 9019 87406 4 | Фонарь, задний, тормозной |
Содержащиеся в справочниках-каталогах запасные части и детали не предлагаются к продаже, а носят исключительно информационный характер