Каталог запасных частей к технике: Fortschritt Е-303. Рама
1
2
3
4
5
6
6
6
6
6
6
6
7
7
7
7
8
8
8
8
9
10
11
12
13
14
15
16
17
17
17
17
18
18
18
19
20
21
22
22
23
23
24
24
25
26
26
27
27
28
29
30
31
32
33
34
35
36
37
38
39
40
41
42
42
43
43
44
45
46
47
48
49
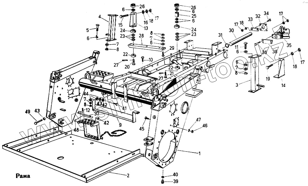
| Позиция на иллюстрации | Заводской номер детали | Название детали | |
|---|---|---|---|
| 1 | 4131 78674 2 | Рама | |
| 2 | 4131 77550 6 | Щит | |
| 3 | 4131 78684 1 | Стойка, правая | |
| 4 | 4131 77402 3 | Стойка, левая | |
| 5 | 9932 85800 0 | Болт шестигранный | |
| 6 | 9960 92203 1 | Шайба | |
| 7 | 9961 91120 4 | Кольцо пружинное | |
| 8 | 9950 89639 2 | Гайка шестигранная | |
| 9 | 4131 77165 6 | Консоль бензобака | |
| 10 | 9933 93186 3 | Болт шестигранный | |
| 11 | 9933 93191 0 | Болт шестигранный | |
| 12 | 9963 94974 6 | Шплинт | |
| 13 | 4131 77247 2 | Стойка двигателя, правая | |
| 14 | 4131 77246 4 | Стойка двигателя, левая | |
| 15 | 9933 93317 4 | Болт шестигранный | |
| 16 | 9960 96205 5 | Шайба | |
| 17 | 9950 89684 1 | Гайка шестигранная | |
| 18 | 9961 91146 2 | Кольцо пружинное | |
| 19 | 9933 93391 2 | Болт шестигранный | |
| 20 | 4131 78696 8 | Болт | |
| 21 | 4131 78701 1 | Болт | |
| 22 | 4131 78884 0 | Виброгаситель | |
| 23 | 9965 92043 5 | Шайба установочная | |
| 24 | 4131 78885 7 | Виброгаситель | |
| 25 | 4131 78700 3 | Трубка | |
| 26 | 9951 89443 7 | Гайка корончатая | |
| 27 | 9963 94981 8 | Шплинт | |
| 28 | 4131 77162 3 | Опора двигателя | |
| 29 | 9933 93391 2 | Болт шестигранный | |
| 30 | 4131 77147 1 | Ось | |
| 31 | 9907 91648 0 | Кольцо круглого сечения | |
| 32 | 4131 77148 8 | Пластина опорная | |
| 33 | 4131 77149 6 | Пластина стопорная | |
| 34 | 9932 93323 0 | Болт шестигранный | |
| 35 | 9022 88723 3 | Муфта пальцевая | |
| 36 | 9932 93326 3 | Болт шестигранный | |
| 37 | 4131 77552 2 | Стержень | |
| 38 | 4137 77713 3 | Пластина | |
| 39 | 9946 93660 5 | Пробка резьбовая | |
| 40 | 9970 90850 5 | Кольцо уплотнительное | |
| 41 | 9933 93102 7 | Болт шестигранный | |
| 42 | 9960 96204 7 | Шайба | |
| 43 | 9961 91108 5 | Кольцо пружинное | |
| 44 | 9950 89611 8 | Гайка шестигранная | |
| 45 | 993392986 0 | Болт шестигранный | |
| 46 | 9950 89589 8 | Гайка шестигранная | |
| 47 | 9961 92006 1 | Шайба пружинная | |
| 48 | 4131 77551 4 | Лестница складная | |
| 49 | 9933 93136 5 | Болт шестигранный |
Содержащиеся в справочниках-каталогах запасные части и детали не предлагаются к продаже, а носят исключительно информационный характер