Каталог запасных частей к технике: Fortschritt Е-281-С. Подъемный механизм
1
2
3
4
5
6
7
8
9
10
11
12
12
13
14
15
16
16
17
18
19
20
20
20
21
22
23
23
24
25
26
27
27
28
28
28
29
29
29
30
30
30
31
32
32
32
33
34
35
36
37
37
38
38
39
40
41
42
43
44
45
46
47
48
49
50
51
51
52
53
54
55
55
56
56
57
58
60
61
61
62
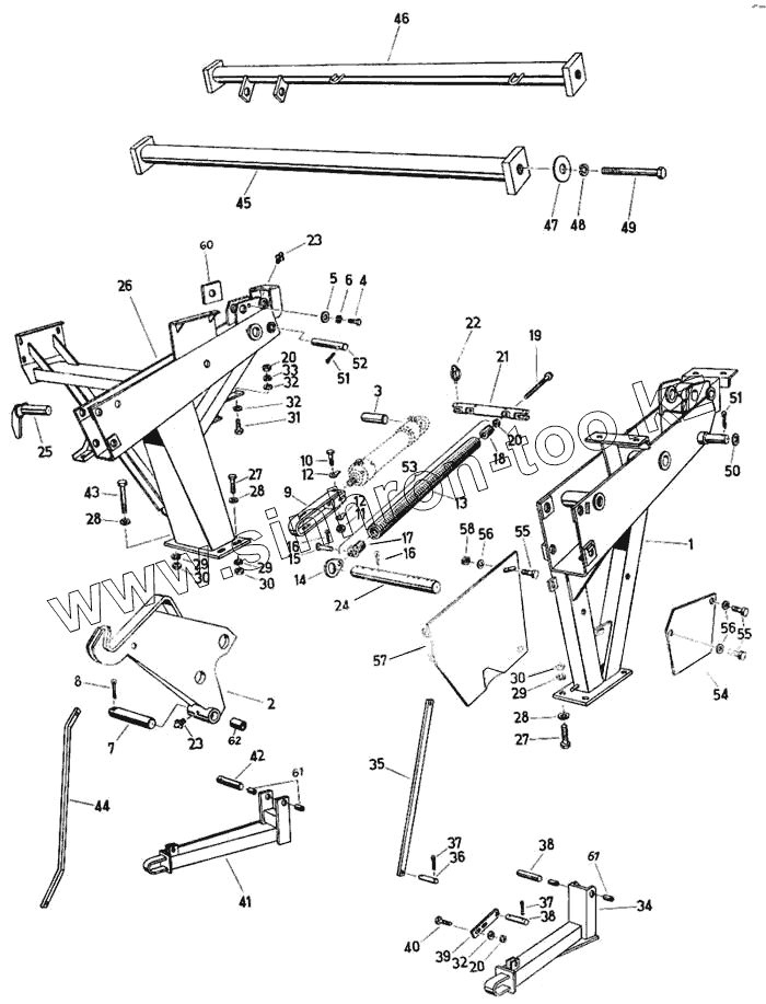
| Позиция на иллюстрации | Заводской номер детали | Название детали | |
|---|---|---|---|
| 1 | 4031 82844 5 | Опора | |
| 2 | 4032 81246 8 | Рычаг подъемный, в сборе | |
| 3 | 4032 80257 0 | Палец | |
| 4 | 9933 93088 7 | Болт шестигранный | |
| 5 | 9965 92193 4 | Шайба 11х60х4 | |
| 6 | 9961 91108 5 | Кольцо пружинное | |
| 7 | 4031 83257 7 | Палец | |
| 8 | 9963 95078 0 | Шплинт | |
| 9 | 4131 77169 7 | Соединение подвижное | |
| 10 | 9932 93134 1 | Болт шестигранный | |
| 11 | 9950 89612 6 | Гайка шестигранная | |
| 12 | 9962 92357 8 | Шайба стопорная | |
| 13 | 4131 77191 2 | Пружина | |
| 14 | 4032 80259 5 | Серьга | |
| 15 | 9949 86268 2 | Палец 12х55х40 | |
| 16 | 9963 95084 4 | Шплинт 8х60 | |
| 17 | 4131 77189 8 | Ввертка | |
| 18 | 4131 77190 4 | Ввертка | |
| 19 | 4032 80230 4 | Шпиндель | |
| 20 | 9950 89640 7 | Шестигранная гайка М12 | |
| 21 | 4032 80262 6 | Палец | |
| 22 | 9916 93942 0 | Штекер откидной | |
| 23 | 9920 92550 7 | Масленка коническая | |
| 24 | 4032 80261 8 | Палец | |
| 25 | 4131 77171 1 | Штекер | |
| 26 | 4031 83014 0 | Опорная стойка | |
| 27 | 9932 93336 8 | Болт шестигранный | |
| 28 | 9960 92240 0 | Шайба 18 | |
| 29 | 9961 91146 2 | Кольцо пружинное | |
| 30 | 9950 89684 1 | Гайка шестигранная | |
| 31 | 9933 93202 8 | Болт шестигранный | |
| 32 | 9965 91929 8 | Шайба 14х32х3 | |
| 33 | 9961 91120 4 | Кольцо пружинное | |
| 34 | 4031 83143 0 | Качающийся рычаг, левый | |
| 35 | 4032 80020 6 | Соединительная тяга | |
| 36 | 9949 86397 2 | Палец | |
| 37 | 9963 94998 8 | Шплинт | |
| 38 | 4032 80019 1 | Палец | |
| 39 | 4032 80021 4 | Соединительная тяга | |
| 40 | 9933 93210 8 | Болт шестигранный | |
| 41 | 4031 83144 7 | Качающийся рычаг, правый | |
| 42 | 4032 80022 2 | Палец | |
| 43 | 9932 93336 8 | Болт шестигранный | |
| 44 | 4032 80023 0 | Соединительная тяга | |
| 45 | 4031 82932 3 | Поперечина, передняя | |
| 46 | 4031 83256 0 | Поперечина, задняя | |
| 47 | 9965 92329 4 | Шайба 22х60х2 | |
| 48 | 9961 91157 5 | Пружинная шайба В20 | |
| 49 | 9932 93359 3 | Болт с шестигранной головкой М20х150 | |
| 50 | 9960 92293 1 | Шайба 31 | |
| 51 | 9963 95064 3 | Шплинт 6,3х55 | |
| 52 | 4032 80025 5 | Палец | |
| 53 | 4131 77188 1 | Пружина растяжения | |
| 54 | 4031 82705 7 | Защита цепей, задняя | |
| 55 | 9933 93094 2 | Болт шестигранный | |
| 56 | 9965 91917 7 | Шайба 11х25х3 | |
| 57 | 4031 82704 0 | Защита цепей, передняя | |
| 58 | 9950 89612 6 | Гайка шестигранная | |
| 60 | 4031 83038 2 | Шайба | |
| 61 | 4031 83145 5 | Втулка | |
| 62 | 9926 86855 7 | Втулка 32G7/40r6х22 |
Содержащиеся в справочниках-каталогах запасные части и детали не предлагаются к продаже, а носят исключительно информационный характер