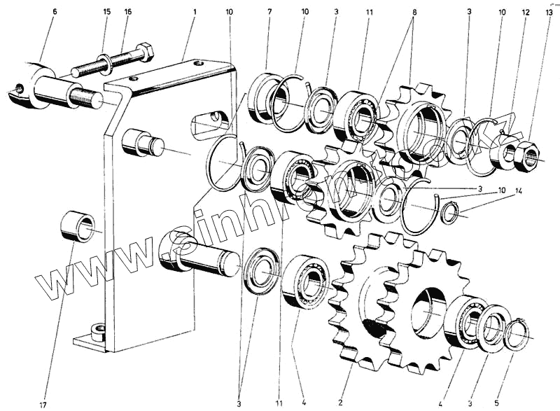
Каталог запасных частей к технике: Fortschritt Е-281-С. Опора (измельчительный агрегат)
1
2
3
3
3
3
3
4
4
5
6
7
8
10
10
10
10
11
11
12
13
14
15
16
17
| Позиция на иллюстрации | Заводской номер детали | Название детали | |
|---|---|---|---|
| 1 | 4031 82999 1 | Плита | |
| 2 | 4031 83226 3 | Сдвоенное цепное колесо 19/17 зубьев | |
| 3 | 4031 82807 4 | Верхняя шайба | |
| 4 | 9902 89047 4 | Радиальный шарикоподшипник 6206 | |
| 5 | 9966 91721 5 | Стопорное кольцо 30 | |
| 6 | 4031 83019 8 | Подшипниковый палец | |
| 7 | 4031 83017 3 | Распорная втулка | |
| 8 | 4031 82997 5 | Цепное колесо, 13 зубьев | |
| 10 | 9962 91827 5 | Упорное кольцо 65х3,2 | |
| 11 | 9902 89080 2 | Радиальный шарикоподшипник 6206-2Z | |
| 12 | 4031 83018 1 | Шайба | |
| 13 | 9950 89818 5 | Шестигранная гайка М20х1,5 | |
| 14 | 9964 91721 5 | Кольцо стопорное | |
| 15 | 9960 92212 8 | Шайба 14 | |
| 16 | 4032 80230 4 | Шпиндель | |
| 17 | 4031 83182 4 | Втулка |
Содержащиеся в справочниках-каталогах запасные части и детали не предлагаются к продаже, а носят исключительно информационный характер