Каталог запасных частей к технике: Fortschritt Е-281-С. Картер
1
2
3
4
5
6
7
8
9
10
11
12
12
13
13
13
14
15
16
16
17
19
20
21
22
23
24
25
26
27
28
29
30
31
32
33
34
35
36
37
38
39
40
41
42
42
43
43
| Позиция на иллюстрации | Заводской номер детали | Название детали | |
|---|---|---|---|
| 1202 82658 1 | 1202 82658 1 | Половина вкладыша подшипника | |
| 1202 82657 3 | 1202 82657 3 | Половина вкладыша подшипника | |
| 1202 82666 1 | 1202 82666 1 | Регулировочная шайба с выступом | |
| 1202 82665 3 | 1202 82665 3 | Регулировочная шайба с выступом | |
| 1202 82664 5 | 1202 82664 5 | Регулировочная шайба с выступом | |
| 1202 82670 0 | 1202 82670 0 | Регулировочная шайба без выступа | |
| 1202 82668 6 | 1202 82668 6 | Регулировочная шайба без выступа | |
| 1202 82667 8 | 1202 82667 8 | Регулировочная шайба без выступа | |
| 1202 82659 8 | 1202 82659 8 | Половина вкладыша подшипника | |
| 1202 82669 4 | 1202 82669 4 | Регулировочная шайба без выступа | |
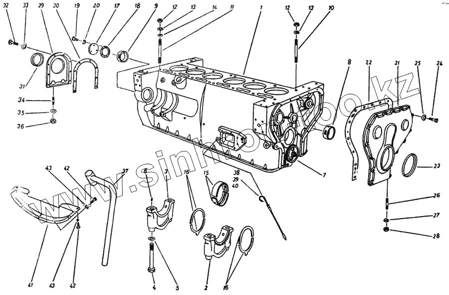
| 1 | 1202 82001 2 | Картер в сборе | |
| 2 | Крышка установочная подшипника | Крышка установочная подшипника | |
| 3 | Крышка подшипника | Крышка подшипника | |
| 4 | 9934 96172 2 | Болт с шестигранной головкой М16х1,5х150 | |
| 5 | 9961 92007 8 | Упругая шайба 16 | |
| 6 | 9967 94239 1 | Забивной просечной штифт 6х20 | |
| 7 | Масляный насос, в сборе | Масляный насос, в сборе | |
| 8 | 1202 82599 0 | Втулка распределительного вала | |
| 9 | 1203 06013 5 | Втулка распределительного вала | |
| 10 | 1201 67711 8 | Шпилька | |
| 11 | 1201 67763 2 | Шпилька | |
| 12 | 9950 89739 3 | Шестигранная гайка М16х1,5 | |
| 13 | 1202 82597 4 | Уплотнение | |
| 13 | 9951 92007 8 | Упругая шайба 16 | |
| 14 | 9960 92229 8 | Шайба 17 | |
| 15 | 1202 82656 5 | Половина вкладыша подшипника | |
| 16 | 1202 82663 7 | Регулировочная шайба с выступом | |
| 17 | 1202 82601 8 | Крышка | |
| 19 | 9933 92965 1 | Болт шестигранный | |
| 20 | 9961 91085 5 | Кольцо пружинное | |
| 21 | 1202 82019 0 | Крышка распределительного механизма | |
| 22 | 1202 82018 2 | Уплотнение | |
| 23 | 9905 87222 8 | Уплотнительное кольцо вала 100х120х10 | |
| 24 | 9932 93024 4 | Болт с шестигранной головкой М8х35 | |
| 25 | 9961 92012 5 | Шайба пружинная | |
| 26 | Шпилька ВМ8х55 | Шпилька ВМ8х55 | |
| 27 | 9961 92012 5 | Шайба пружинная | |
| 28 | 9950 89588 1 | Гайка шестигранная | |
| 29 | 1202 82031 8 | Крышка | |
| 30 | 1202 82932 6 | Уплотнение | |
| 31 | 9905 87234 0 | Уплотнительное кольцо вала 110х130х12 | |
| 32 | 9933 95941 5 | Болт с шестигранной головкой М8х22 | |
| 33 | 9961 92012 5 | Шайба пружинная | |
| 34 | 9948 93533 8 | Шпилька | |
| 35 | 9961 92012 5 | Шайба пружинная | |
| 36 | 9950 89588 1 | Гайка шестигранная | |
| 37 | 1202 82602 6 | Патрубок выпуска воздуха | |
| 38 | Указатель уровня масла, 18 литров С9 | Указатель уровня масла, 18 литров С9 | |
| 39 | Табличка указателя уровня масла | Табличка указателя уровня масла | |
| 40 | 9907 91322 8 | Кольцо с круглым сечением 7х2 | |
| 41 | 4031 82958 1 | Картер маховика | |
| 42 | 9933 92912 0 | Болт с шестигранной головкой М6х12 | |
| 43 | 9961 91085 5 | Кольцо пружинное |
Содержащиеся в справочниках-каталогах запасные части и детали не предлагаются к продаже, а носят исключительно информационный характер