Каталог запасных частей к технике: Fortschritt Е-281-С. Электрическое оборудование, генератор
1
2
3
4
5
6
7
8
9
10
10
11
11
12
13
14
15
16
17
18
18
19
19
20
20
21
22
23
24
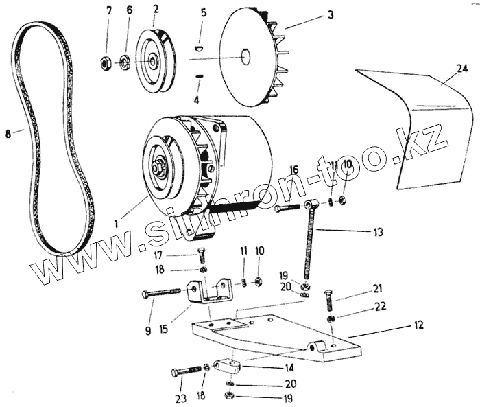
| Позиция на иллюстрации | Заводской номер детали | Название детали | |
|---|---|---|---|
| 1202 82490 8 | 1202 82490 8 | Защитный колпак | |
| 1 | 9019 87740 3 | Генератор трехфазного тока с защитным колпаком | |
| 2 | 1202 82617 5 | Шкив клиноременной передачи | |
| 3 | 1202 81938 1 | Вентилятор | |
| 4 | 9967 94250 2 | Забивной просечной штифт 5х10 | |
| 5 | 9965 87946 5 | Сегментная шпонка 4х6,5 | |
| 6 | 9961 91133 3 | Пружинная шайба В14 | |
| 7 | Шестигранная гайка М14х1,5 | Шестигранная гайка М14х1,5 | |
| 8 | 9911 86145 2 | Узкий клиновой ремень SРZх925 | |
| 9 | 9932 95911 0 | Болт с шестигранной головкой СМ8х80 | |
| 10 | 9950 89588 1 | Гайка шестигранная | |
| 11 | 9961 92012 5 | Шайба пружинная | |
| 12 | 1202 82485 2 | Стойка генератора | |
| 13 | 1202 82486 0 | Рым-болт | |
| 14 | 1202 82487 7 | Зажимной элемент | |
| 15 | 1202 82633 1 | Уголок | |
| 16 | 9933 93067 8 | Болт шестигранный | |
| 17 | 9933 93072 5 | Болт с шестигранной головкой М8х30 | |
| 18 | 9961 91096 8 | Кольцо пружинное | |
| 19 | 9950 89643 1 | Гайка шестигранная | |
| 20 | 9961 92002 0 | Шайба пружинная | |
| 21 | 9932 95967 4 | Болт с шестигранной головкой М10х40 | |
| 22 | 9961 91109 3 | Кольцо пружинное | |
| 23 | 9933 96137 0 | Болт с шестигранной головкой М8х40 | |
| 24 | 1202 82489 3 | Защитный лист |
Содержащиеся в справочниках-каталогах запасные части и детали не предлагаются к продаже, а носят исключительно информационный характер