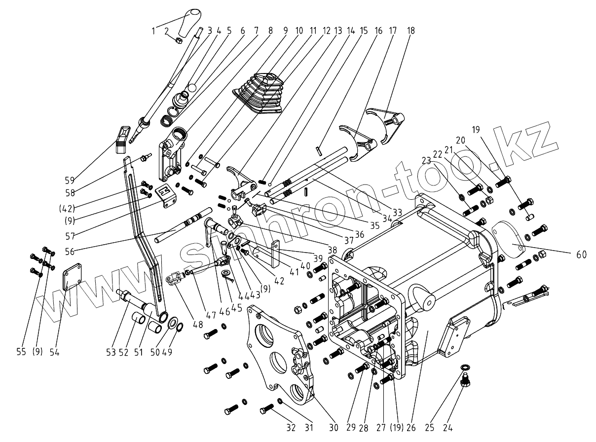
Каталог запасных частей к технике: DongFeng 504G3. Gearbox (B) 500G3-2.37.001
1
2
3
4
5
6
7
8
9
9
9
9
10
11
12
13
14
15
16
17
18
19
19
20
21
22
23
24
25
26
27
28
29
30
31
32
33
34
35
36
37
38
39
40
41
42
42
43
44
45
46
47
48
49
50
51
52
53
54
55
56
57
58
59
60
| Позиция на иллюстрации | Заводской номер детали | Название детали | |
|---|---|---|---|
| 1 | 504G3.37.157 | Gear-shift hand lever,main change speed | |
| 2 | GB/T6170-2000-М10 | Nut M10 | |
| 3 | 504G3.37.012 | Gear shift lever,main change speed | |
| 4 | 254G3.37.152 | Dust cap | |
| 5 | GB/T3083-1982-Zd1.5x200 | Bethanized wire Zd1.5x200 | |
| 6 | GB/T893.1-1986-34 | Bead flange 34 | |
| 7 | 254G3.37.151 | Gearlever spring | |
| 8 | 504G3.37.153 | Seat,mian change speed | |
| 9 | GB/T93-1987-8 | Spring lock washer 8 | |
| 10 | GB/T5783-2000-M8x45 | Hex. head bolt M8x45 | |
| 11 | 504G3.37.175 | Rubber Parts,Gear-shift lever | |
| 12 | GB/T5783-2000-M8x30 | Hex. head bolt M8x30 | |
| 13 | 504G3.37.115 | Shift fork,secondary change speed | |
| 14 | 254G3.37.163 | Positioning spring | |
| 15 | GB/T308-2002-8 | Steel ball 8 | |
| 16 | GB/T879.4-2000-6x28 | Pin 6x28 | |
| 17 | 504G3.37.149 | Shift fork,3rd-4th speed | |
| 18 | 504G3.37.133 | Shift fork,1st-2nd speed | |
| 19 | GB/T119-2000-B12x20 | Round pin В 12x20 | |
| 20 | GB/T5783-2000-M12x40 | Hex. head bolt M12x40 | |
| 21 | GB/T93-1987-12 | Spring lock washer 12 | |
| 22 | GB/T6170-2000-M12 | Hex. nut M12 | |
| 23 | GB/T899-1988-AG M12x35 | Studs AG M12x35 | |
| 24 | 200.38.024 | Oil drain plug | |
| 25 | JB-FT-CU-16 | Copper washer 16 | |
| 26 | 504G3.37.101 | Gearbox housing | |
| 27 | GB/T899-1988-AG М12x30 | Studs AG M12x30 | |
| 28 | GB/T119-2000-B10x20 | Cylindrical pin B10x20 | |
| 29 | GB/T5783-2000- М12x35 | Hex. head bolt M12x35 | |
| 30 | 504G3.37.110 | After gearbox partition | |
| 31 | GB/T93-1987-10 | Spring lock washer 10 | |
| 32 | GB/T5783-2000-M10x35 | Hex. head bolt M10x35 | |
| 33 | 504G3.37.155 | Shift fork shaft,1st-2nd speed | |
| 34 | 504G3.37.156 | Shift fork shaft,3rd-4th speed | |
| 35 | GB/T3083-1982-Zd1.4x350 | Galvanized Steel Wire Zdl.4x350 | |
| 36 | 504G3.37.150 | Shift fork head,3rd-4th speed | |
| 37 | 254G3.37.146 | Attachment screw | |
| 38 | 504G3.37.102 | Shift fork head,1st-2nd speed | |
| 39 | 504G3.37.016-2 | Rocker arm,secondary change speed | |
| 40 | GB/T3452.1-1992-15x2.65 | O-ring seal 10.6x2.65 | |
| 41 | GB/T879.4-2000-6x30 | Pin 6x30 | |
| 42 | GB/T5783-2000-M8x16 | Hex. head bolt M8x16 | |
| 43 | 504G3.37.168 | Baffle | |
| 44 | GB/T882-1986-B10x30 | Clevis pin with head B10x30 | |
| 45 | GB/T91-2000-3.2x25 | Split pin 3.2x25 | |
| 46 | 504G3.37.015 | Driving lever,secondary change speed | |
| 47 | 504G3.37.090 | Pull rod | |
| 48 | 254G2.43.102 | Draw rod fork | |
| 49 | GB/T894.1-1986-20 | Circlip for shaft 20 | |
| 50 | GB/T97.1-2002-20 | Plain washer 20 | |
| 51 | 504G3.37.025 | Control lever,secondary change speed | |
| 52 | 504G3.43.115 | Bush (2030) | |
| 53 | 504G3.37.154 | Support,secondary change speed | |
| 54 | 500G3-2.37.172 | Front wheel drive plank | |
| 55 | GB/T5783-2000-M8x20 | Hex. head bolt M8x20 | |
| 56 | 504G3.37.165 | Shift fork shaft,secondary change speed | |
| 57 | 504G3.37.151 | Oriented interlock board,main change sp | |
| 58 | 254G3.37.160 | Fixing bolt | |
| 59 | 504G3.37.169 | Control handle,secondary change speed | |
| 60 | 500G3-2.37.173 | Drive axes plank |
Содержащиеся в справочниках-каталогах запасные части и детали не предлагаются к продаже, а носят исключительно информационный характер