Каталог запасных частей к технике: DongFeng 404G2. Rear Axle (B)
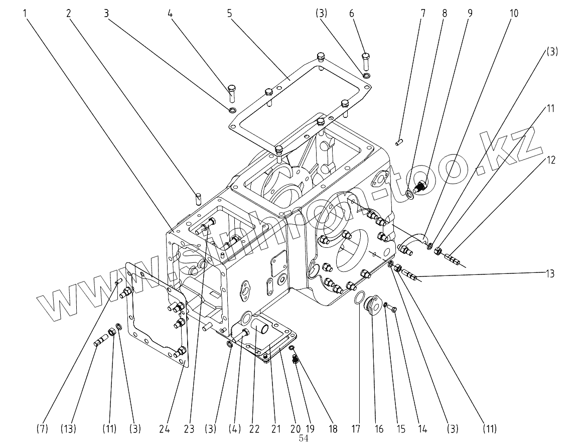
1
2
3
3
3
3
3
3
4
4
5
6
7
7
8
9
10
11
11
11
12
13
13
14
15
16
17
18
19
20
21
22
23
24
| Позиция на иллюстрации | Заводской номер детали | Название детали | |
|---|---|---|---|
| 1 | 404G2-6F.38.101 | Transmission case | |
| 2 | GB/T119.1-2000-10x20 | Parallel pin 10x20 | |
| 3 | GB/T93-1987-12 | Spring lock washer 12 | |
| 4 | GB/T5783-2000-M12x35 | Hex. head bolt M12x35 | |
| 5 | 300.38.114 | Paper gasket,lift housing | |
| 6 | GB/T5782-2000-M12x45 | Hex. head bolt M12x45 | |
| 7 | GB/T119.1-2000-8x22 | Parallel pin 8x22 | |
| 8 | JB-FT-CU-16 | Copper washer 16 | |
| 9 | 200.38.024 | Oil drain plug | |
| 10 | 300.38.116 | Adjusting shims,spiral crown gear | |
| 11 | GB/T6170-2000-M12 | Hex. nut M12 | |
| 12 | GB/T898-1988-AM12x40 | Double end stud AM12x40 | |
| 13 | GB/T898-1988-AM12x35 | Stud AM12x35 | |
| 14 | GB/T5783-2000-M8x20 | Hex. head bolt M8x20 | |
| 15 | GB/T93-1987-8 | Spring lock washer 8 | |
| 16 | 200.38.160 | End cover | |
| 17 | GB/T3452.1-1992-33.5x3.55 | O-ring seal 33.5x3.35 | |
| 18 | GB/T93-1987-10 | Spring lock washer 10 | |
| 19 | GB/T5783-2000-M10x25 | Hex. head bolt M10x25 | |
| 20 | 300.38.108 | Small cover plate | |
| 21 | 300.38.109 | Paper gasket small cover,plate | |
| 22 | 200.38.144-3 | Bush | |
| 23 | GB/T5782-2000-M12x60 | Hex. head bolt M12x60 | |
| 24 | 404G2-6F.38.102 | Paper gasket |
Содержащиеся в справочниках-каталогах запасные части и детали не предлагаются к продаже, а носят исключительно информационный характер